Crankshaft position sensor location?

Tiny
RYAN CARMICHAEL2
  • MEMBER
  • 2014 FORD MUSTANG
  • 3.7L
  • V6
  • 2WD
  • AUTOMATIC
  • 150,000 MILES
I can't locate it.
Sunday, January 5th, 2020 AT 8:06 PM

5 Replies

Tiny
JIS001
  • MECHANIC
  • 3,412 POSTS
It looks like the sensor is on the left hand side towards the rear. Check out the diagrams (Below). Please let us know if you need anything else to get the problem fixed.
Was this
answer
helpful?
Yes
No
-3
Sunday, January 5th, 2020 AT 11:30 PM
Tiny
ARREDONDOROCK
  • MEMBER
  • 1 POST
  • 2011 FORD MUSTANG
  • 3.7L
  • V6
  • 2WD
  • AUTOMATIC
  • 150,000 MILES
I would like to know where is located the crankshaft position sensor.
Was this
answer
helpful?
Yes
No
-3
Tuesday, September 15th, 2020 AT 10:13 AM (Merged)
Tiny
KASEKENNY
  • MECHANIC
  • 18,907 POSTS
I attached a few views of the locations. Let me know if you need more information. Thanks
Was this
answer
helpful?
Yes
No
+1
Tuesday, September 15th, 2020 AT 10:13 AM (Merged)
Tiny
ANGELAFLOYD94
  • MEMBER
  • 1 POST
  • 1994 FORD MUSTANG
  • 5.0L
  • V8
  • 2WD
  • AUTOMATIC
  • 200,000 MILES
Does my 94 mustang gt 5.0 have crank position sensor? Had to replace distributor awhile back. Did so. Car ran fine after, than a few months later started stalling while driving it. Sometimes I cpuld go weeks without it dying and sometimes it would die numerous times a day. So. Brand new cap n rotor, ignition switch, coil and had icm tested, and maf sensor is good. Car used to start after it would die, if it sat for a few. Now it dont start at all. It has no spark
Was this
answer
helpful?
Yes
No
+2
Tuesday, December 8th, 2020 AT 7:30 AM (Merged)
Tiny
DANNY L
  • MECHANIC
  • 5,648 POSTS
Hello, I'm Danny
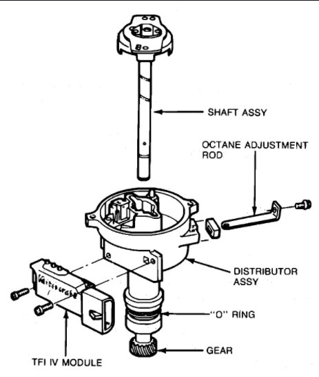
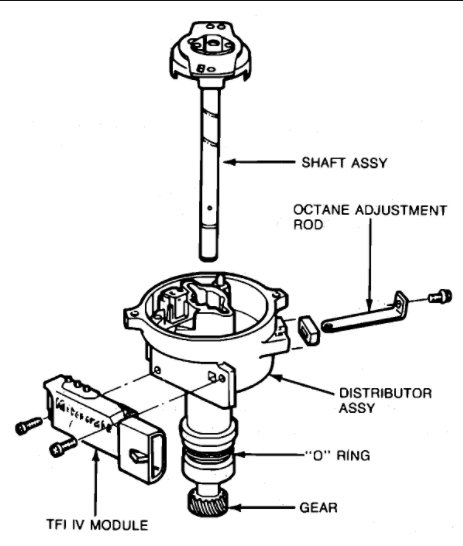
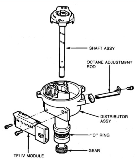
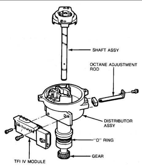
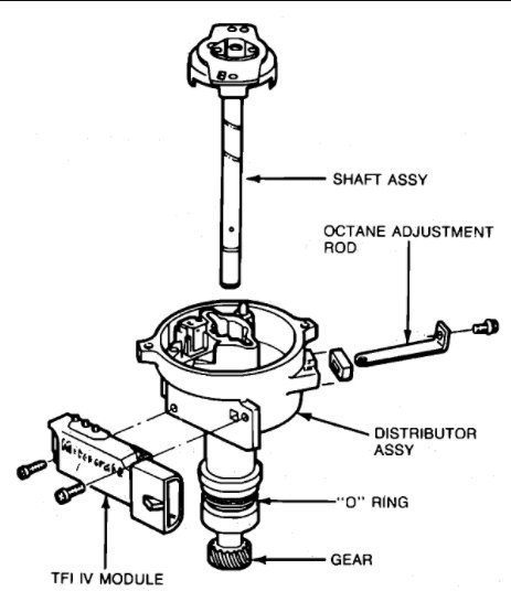
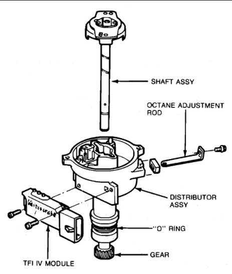
To answer your question, No, Your car does not have a crankshaft position. It has a hall effect sensor that is built into-attached to the distributor. If the module is faulty that would be the reason for not getting spark. I've attached a system description below and picture replacement steps as well. Hope this helps and thanks for using 2CarPros.
Was this
answer
helpful?
Yes
No
-1
Tuesday, December 8th, 2020 AT 7:30 AM (Merged)

Please login or register to post a reply.