Friday, May 11th, 2018 AT 5:17 AM
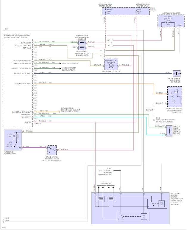
Car ran well. Car sat for one year. Tried starting it but it will not start. There is no spark! Checked the common problems like crank sensor etc. Not the problem. So my question is, once you check the common issues what do you check next? There is no electrical spark. Car is currently in shop and they are scratching their heads. So far cannot find problem. Any suggestions? Battery is good etc.





