Crank will not start

Tiny
SHOGCAR
  • MEMBER
  • 2001 AUDI S6
  • 4.2L
  • V8
  • 4WD
  • AUTOMATIC
  • 36,000 MILES
No current on fuse 32/ 34 plug did not spark, no current on crankshaft sensor. Also, no ground on crankshaft sensor.
Sunday, March 11th, 2018 AT 1:35 PM

1 Reply

Tiny
KEN L
  • MASTER CERTIFIED MECHANIC
  • 55,297 POSTS
Hello,

It looks like you lost the ignition switch, but to confirm the issue follow this guide to test through the switch.

https://www.2carpros.com/articles/how-to-use-a-test-light-circuit-tester

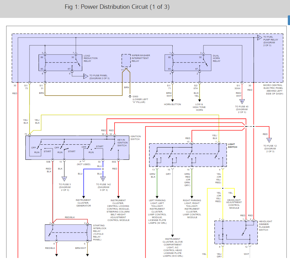
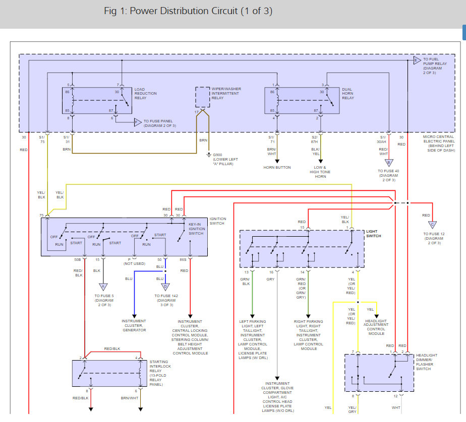
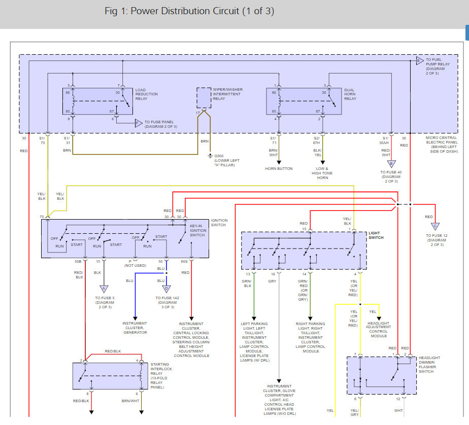
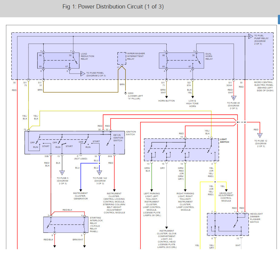
Here is the wiring diagrams so you can see how the system works and the ignition switch removal diagrams

Check out the diagrams (below).

Let us know what happens and please upload pictures or videos of the problem.

Cheers, Ken
Was this
answer
helpful?
Yes
No
Tuesday, March 13th, 2018 AT 11:15 AM

Please login or register to post a reply.