Crank sensor connectors melted on the crank sensor

Tiny
POTIPHARA
  • MEMBER
  • 2007 BMW 650I
  • V6
  • 2WD
  • AUTOMATIC
  • 120,000 MILES
The connector to the crank sensor has melted on the crank sensor. Can the connection be repaired without replacing the complete engine harness?
Wednesday, December 18th, 2019 AT 6:33 AM

3 Replies

Tiny
SCGRANTURISMO
  • MECHANIC
  • 4,897 POSTS
Hello,

Yes, it can. You should be able to get a replacement Crankshaft Position Sensor [CKP] and a new CKP electrical connector pigtail at your local auto parts store. Disconnect the negative battery terminal to your battery and snip on of the wires going to the CKP electrical connector. Using a good quality butt connector, splice the exact wire on the new CKP electrical connector to the vehicle's wiring harness. Repeat for all the wires then reconnect the negative battery cable to the battery. In the diagrams down below I have included the instructions from the vehicle manufacturer for the removal and installation of your vehicle's CKP. Please go through this guide and get back to us with how everything turns out.

Thanks,
Alex
2CarPros
Was this
answer
helpful?
Yes
No
+1
Wednesday, December 18th, 2019 AT 11:50 AM
Tiny
POTIPHARA
  • MEMBER
  • 2 POSTS
The dealer wants $4,000.00 to replace sensor and complete engine harness.
Was this
answer
helpful?
Yes
No
-1
Thursday, December 19th, 2019 AT 4:58 AM
Tiny
SCGRANTURISMO
  • MECHANIC
  • 4,897 POSTS
Hello again,

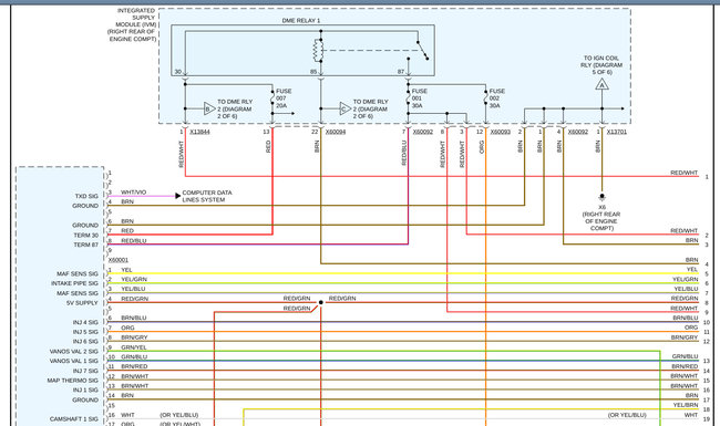
In the diagrams down below I have included the 2 pages of the Powertrain wiring diagrams that have the Crankshaft Position Sensor[CKP] circuit in it. I have also included the Original Equipment Manufacturer[OEM] part number and labor time for CKP Repair and Replace for your vehicle. As you can see from the wiring diagram the CKP circuit consists of three wires that can be easily cut and a new CKP electrical connector pigtail spliced together with little to no difficulty at all. Please keep us informed as to how everything turns out.

Thanks,
Alex
2CarPros
Was this
answer
helpful?
Yes
No
Thursday, December 19th, 2019 AT 12:24 PM

Please login or register to post a reply.