Thursday, April 25th, 2019 AT 4:35 AM
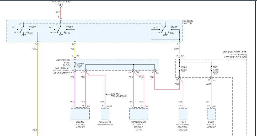
No or low voltage to cab. No interior lights, power windows and door locks not operating. Engine cranks and fires but shuts off immediately. DTC's are P 1626 and U 1026. Anti theft system is active and not getting fuel enable signal. The u 1026 code says no communication with ATC. Could my BCM be bad and if so what might be the cause? Batteries and alternator are new and charge is 100%.




