My AC compressor was not engaging, so in efforts to troubleshoot it, i went in to test it with a power probe. Fast forward about 20 minutes. I go to tart the car, and it cranks and cranks but won't start. Fuel pump is not priming.
I notice the immobilizer light is now blinking. On top of that, I plug into the obdII, and get 2 new codes:
U0107
P0606
I tested all the fuses and (i think) l the associated relays
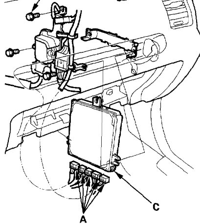
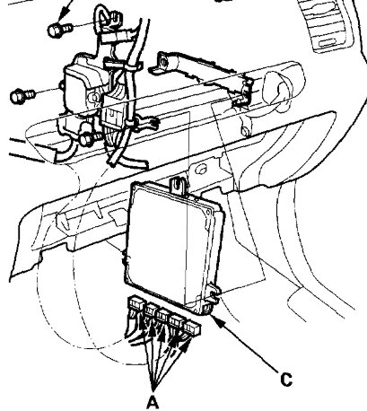
Did I fry my ECU?
I notice the immobilizer light is now blinking. On top of that, I plug into the obdII, and get 2 new codes:
U0107
P0606
I tested all the fuses and (i think) l the associated relays
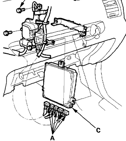
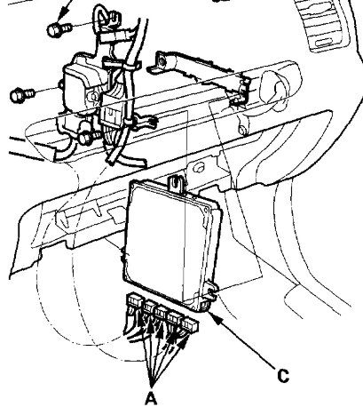
Did I fry my ECU?
Aug 15, 2025 at 9:58 PM
