Crank and no start?

Tiny
CHRISJOHN77
  • MEMBER
  • 2005 NISSAN ALTIMA
  • 2.5L
  • 4 CYL
  • 2WD
  • AUTOMATIC
  • 150,000 MILES
Getting fuel, got compression at 145 PSI on each cylinder, but number 3 has 90 PSI no codes. One cylinder does not have a ground. How do I find where it get its ground from?
Tuesday, February 21st, 2023 AT 11:54 PM

2 Replies

Tiny
BRENDON S
  • MECHANIC
  • 653 POSTS
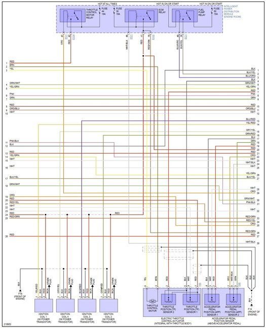
Hello,

All the ignition coils should be grounded to the front of the engine. I have attached a wiring diagram of the ignition system for you. But with compression as low as it is even with spark it more than likely will not start.

As far as the compression is concerned, you should be at 181 PSI is standard, minimum is 153 psi. So you are under the minimum. 150k on the motor you aren't that far off from the minimum except that one cylinder. Also, the difference between each cylinder according to Nissan should be no more than 14 PSI.

These engines have a solenoid for Variable Valve Timing or VVT. When I worked for Nissan, we replaced these daily. It is possible that this solenoid is bad and causes a timing issue.
I have added a picture of this part as well as an exploded diagram of the timing system. Number 7 is the timing solenoid I'm talking about. The part number from Nissan is 23796-ZE00C. Check with your local dealer and give them your VIN. Part numbers change constantly so this will ensure you get the right one.

This solenoid is around $300.00 so before we completely condemn the solenoid, I think it would be wise to check a few things first.

First, when you did the test was the battery fully charged? The best thing to do is put a battery charger on it and fully charge it. Then leave the charger on and conduct the test because if the battery is weakened it could give you the wrong reading since it will have a harder time turning the motor. I usually turn the key and rotate the engine 4 times for each cylinder.

I would fully charge the battery and put a charger on it and reconduct the compression test. Only to make sure your findings are definitely accurate.

The missing ground wire concerns me. Has it broken off? Can you send me a picture? Looks like there should be 3 wires coming out of each coil.

Second, that one cylinder that is a 90 PSI seems like you might have a timing issue. Seems like a valve is open on cylinder 3.

How is the oil in the engine? These solenoids use oil to control timing so if you have low oil level it will prevent it from starting.

I am also adding a test procedure for the timing solenoid.

Let me know how it goes or if I can help in any other way.

Thank you,
Brendon
Was this
answer
helpful?
Yes
No
Wednesday, February 22nd, 2023 AT 10:51 AM
Tiny
BRENDON S
  • MECHANIC
  • 653 POSTS
Hello,

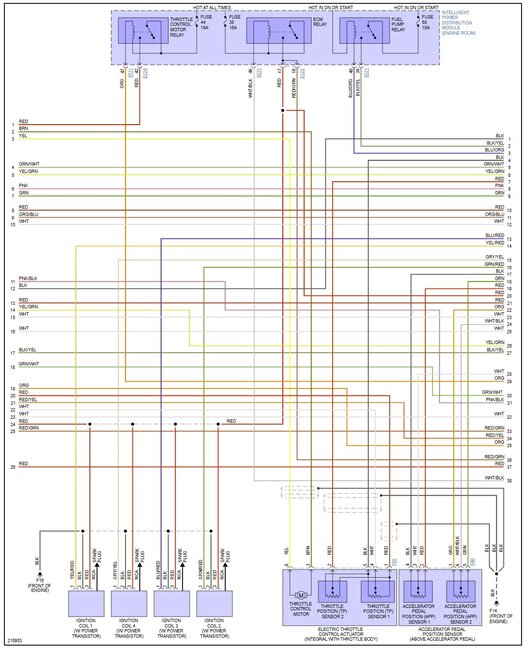
All the ignition coils should be grounded to the front of the engine. I have attached a wiring diagram of the ignition system for you. But with compression as low as it is even with spark it more than likely will not start.

As far as the compression you should be at 181 psi is standard, minimum is 153 psi. So you are under the minimum. 150k on the motor you aren't that far off from the minimum exept that one cylinder. Also, the difference between each cylinder according to Nissan should be no more than 14 psi.

These engines have a solenoid for Variable Valve Timing or VVT. When I worked for Nissan we replaced these daily. It is possible that this solenoid is bad and causing a timing issue.
I have added a picture of this part as well as an exploded diagram of the timing system. Number 7 is the timing solenoid I'm talking about. The part number from Nissan is 23796-ZE00C. Check with your local dealer and give them your vin. Part numbers change constantly so this will ensure you got the right one.

This solenoid is around $300 so before we completely condemn the solenoid, I think it would be wise to check a few things first.

First when you did the test was the battery fully charged? Best thing to do is put a battery charger on it and fully charge it. Then leave the charger on and conduct the test because if the battery is weakened it could give you the wrong reading since it will have a harder time turning the motor. I usually turn the key and rotate the engine 4 times for each cylinder.

I would fully charge the battery and put a charger on it and reconduct the compression test. Only to make sure your findings are definitely accurate.

The missing ground wire concerns me. Has it broken off? Can you send me a picture? Looks like there should be 3 wires coming out of each coil.

Second that one cylinder that is a 90psi seems like you might have a timing issue. Seems like a valve is open on cylinder 3.

How is the oil in the engine? These solenoids use oil to control timing so if you have low oil level it will prevent it from starting.

I am also adding a test procedure for the timing solenoid.

Let me know how it goes or if I can help in any other way.

Thank you,
Brendon
Was this
answer
helpful?
Yes
No
Wednesday, February 22nd, 2023 AT 10:51 AM

Please login or register to post a reply.