Side lights wiring diagram needed

Tiny
ANONYMOUS
  • MEMBER
  • 1994 CHEVROLET CAPRICE
  • 4.3L
  • V8
  • 2WD
  • AUTOMATIC
  • 150 MILES
Good evening. There is no side light wiring, that is, when you turn on the turn signal, the side light lights up. I need a diagram of how this wiring goes and how to connect it.
Sunday, December 15th, 2019 AT 11:44 AM

6 Replies

Tiny
DANNY L
  • MECHANIC
  • 5,648 POSTS
Hello, I'm Danny.

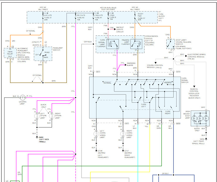
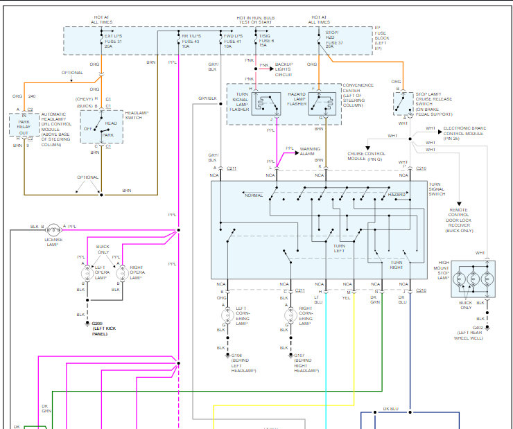
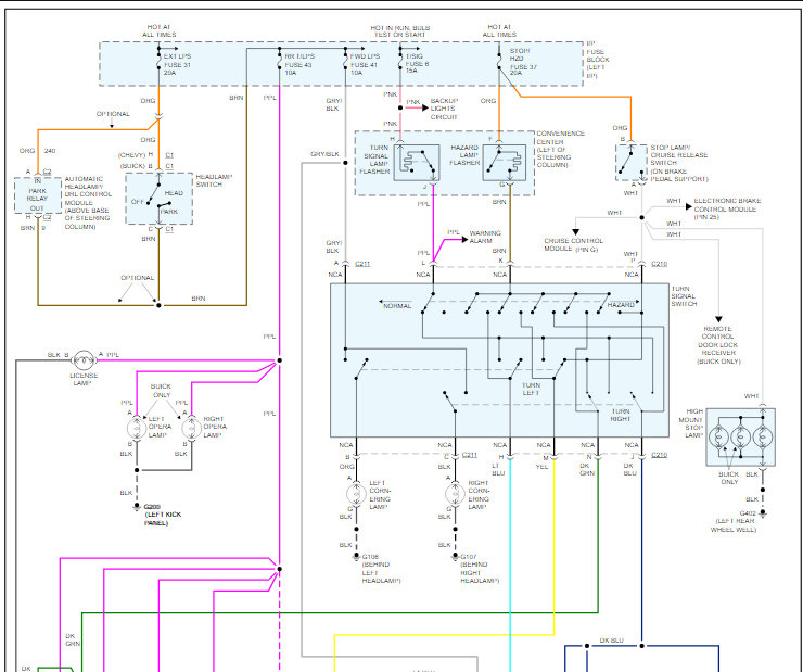
Here is the wiring diagram you requested. I've attached the picture below and cut the picture into 2 pieces to make larger. Let me know if you have any further questions on this issue. Hope this helps and thanks for using 2CarPros.
Was this
answer
helpful?
Yes
No
Sunday, December 15th, 2019 AT 4:41 PM
Tiny
  • MEMBER
  • 0 POST
All right, on the steering column where the plug is I have an empty plug in my car on the driver's side of the door, right?
Was this
answer
helpful?
Yes
No
Sunday, December 15th, 2019 AT 10:06 PM
Tiny
  • MEMBER
  • 0 POST
Yes?
Was this
answer
helpful?
Yes
No
Sunday, December 15th, 2019 AT 10:08 PM
Tiny
DANNY L
  • MECHANIC
  • 5,648 POSTS
Hello again.

Just to clarify. When you say side lights do you mean the turn signals? I've attached two pictures below front and rear and circled. Or, Do you mean the turn signal indicators on the instrument panel (cluster) that are not lighting up? This will help me aid you in proper diagnosis. Hope this helps and thanks again for using 2CarPros.

Danny
Was this
answer
helpful?
Yes
No
Monday, December 16th, 2019 AT 4:27 AM
Tiny
  • MEMBER
  • 0 POST
I mean side light, when you turn on the turn signal turns on and turn signal and side light.
Was this
answer
helpful?
Yes
No
Monday, December 16th, 2019 AT 4:56 AM
Tiny
DANNY L
  • MECHANIC
  • 5,648 POSTS
Hello again.

Okay, it sounds like the problem is the turn signal flasher. It is located near the left hand kick panel mounted in the fuse/junction box. I've attached a picture of what the flasher is and its location/description. I've also included a picture/part number as a replacement from AutoZone auto parts stores. Hope this helps and thanks again for using 2CarPros.

Danny-
Was this
answer
helpful?
Yes
No
+1
Tuesday, December 17th, 2019 AT 4:22 AM

Please login or register to post a reply.