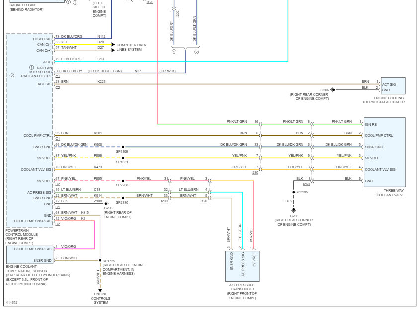
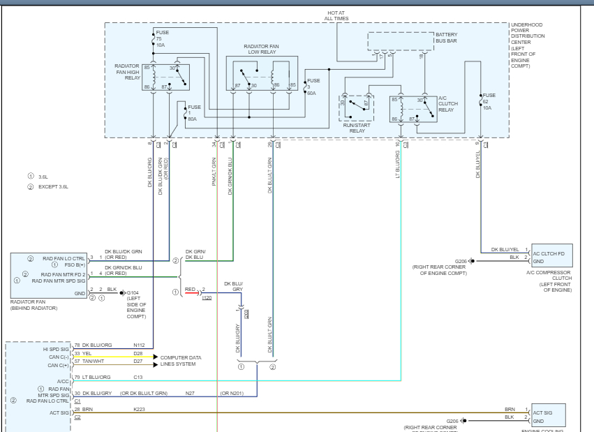
Saturday, November 12th, 2022 AT 11:30 AM
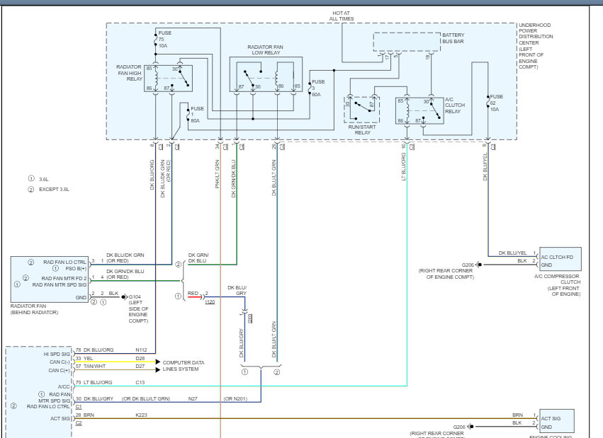
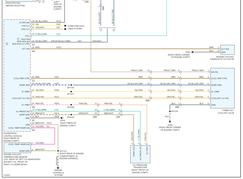
Truck started running to the 3/4 line before the fan kicked on, then would fluctuate. I have a new radiator a new thermostat a new water pump and new intake manifold gaskets, but fan still waits until almost hot before engaging. Also, hooked up diagnostic code reader and now have several codes and my brakes are tight all of a sudden.





