Friday, February 16th, 2018 AT 8:57 AM
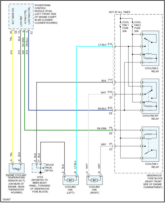
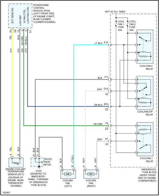
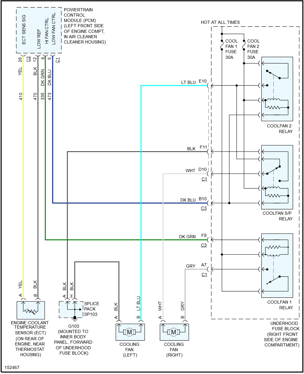
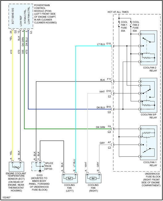
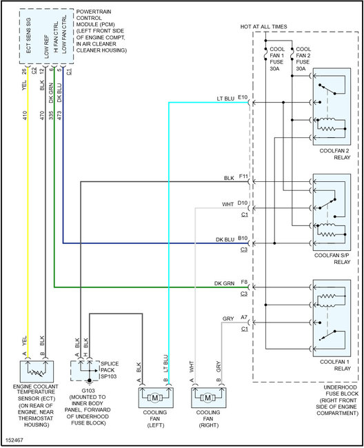
Car sat for two years. Put in new battery got car running. Started to overheat because cooling fans will not turn on. It was eighty degrees outside. A friend pulled out some relays and may have plugged them in upside down. Where do I start? Are there fuses also?
