Cooling Fans constantly running

Tiny
EHJR
  • MEMBER
  • 2001 PONTIAC GRAND PRIX
  • 3.8L
  • 6 CYL
  • FWD
  • AUTOMATIC
  • 130,113 MILES
I bought this car and noticed the cooling fans running while the engine runs and the temperature was not getting to normal temperature 195 degrees. I pulled the code P0128 coolant temp sensor bad. I replaced it and the thermostat and the relays all of them. Now when I start the engine and the engine gets to 210 degrees and climbing (of course I shut the engine off). The fans will not come on at all. So I unplug the coolant sensor and start the engine the fans run constantly again. Fans will not run intermittently when the sensor is plug in just all the time.
Please if you can help me
Thanks
ehjr
Wednesday, April 6th, 2016 AT 6:54 PM

1 Reply

Tiny
HMAC300
  • MECHANIC
  • 48,601 POSTS
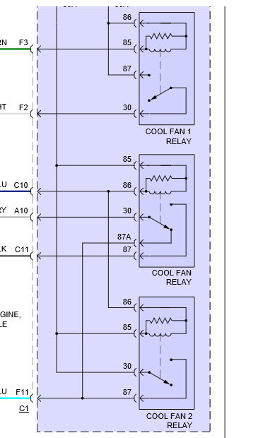
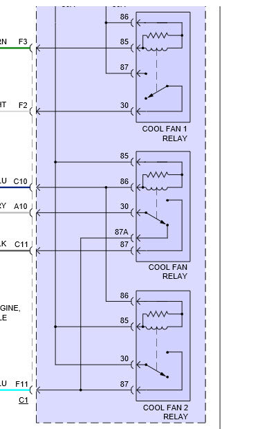
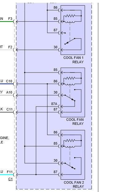
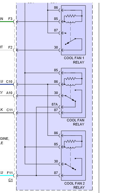
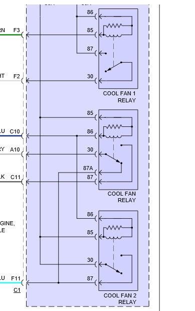
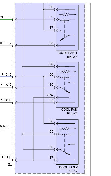
210 temp is normal for one thing, there are three relays so check all of them under hood as well as fuses cool fan 1&2. If it persists or climbs above 230 then check coolant system for an internal leak. And have a pro check this out with his scanner it may be a short in system or another problem
Was this
answer
helpful?
Yes
No
Thursday, April 7th, 2016 AT 6:46 AM

Please login or register to post a reply.