Tuesday, January 23rd, 2024 AT 8:38 AM
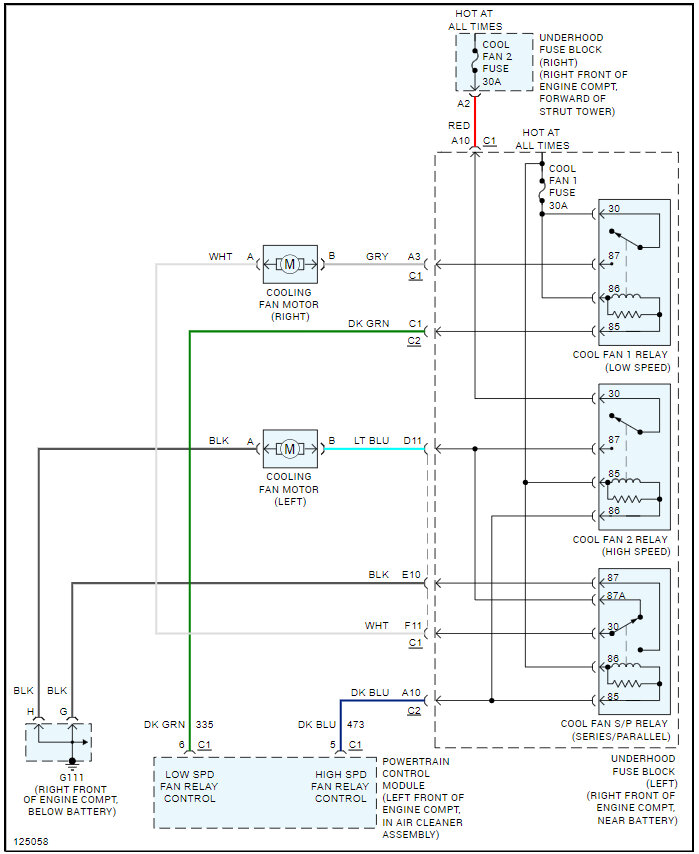
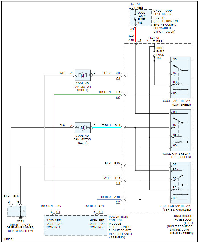
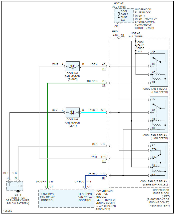
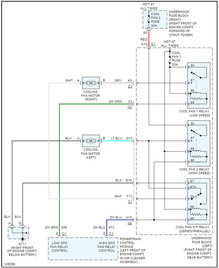
Hi, the cooling fans run whenever the car is running. I have changed the coolant temperature sensor and the fan relays #31, #34 and #35 but the fans still run whenever the engine is running.







