The cooling fans stay running nonstop when I turn the car on?

2008 SUBARU IMPREZA
140,000 MILES • 2.5L • 4 CYL • 4WD • AUTOMATIC
Avatar
MSTEPHANO
  • MEMBER
  • 1 POST
I replaced the coolant temperature sensor already and it did not fix the problem. There are no warning lights on the dash and no overheating issues. Any idea what else could be the problem?
Jan 24, 2025 at 2:28 PM
Repair Safety Notice: This information is for general instructional purposes only. Vehicle repair can be dangerous. Verify all information, follow manufacturer service procedures, use proper tools and safety equipment, and consult a qualified repair shop when needed.
Advertisement
Avatar
JACOBANDNICKOLAS
  • CAR REPAIR CONTRIBUTOR
  • 110,190 POSTS
Hi,

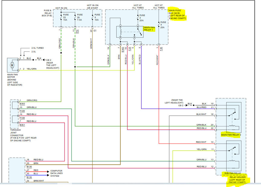
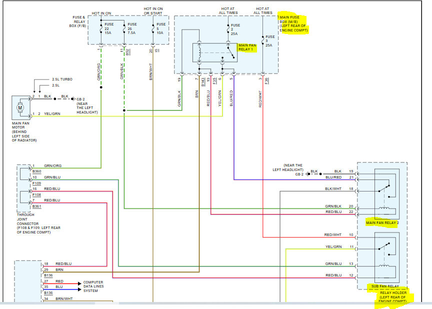
If they are always on, there is a good chance you have a relay that has failed. Three different relays can fail. If you look below, I attached the wiring schematic of the circuit and highlighted the relays. What I need you to do is remove one at a time. If there is no change, reinstall it and go to the next one to see if one of the three turns the fan off.

Note the relay box is under the hood. I attached a picture below showing it and highlighted the three relays to test. Note: If one of the relays turns the fans off, shake it when it is out to see if anything sounds loose inside it.

Let me know what you find.

Take care,

joe

See pics below.
Jan 24, 2025 at 6:29 PM
Advertisement