Code Po481, Cooling fans not working properly?

2007 CHRYSLER 300
226,000 MILES • 3.5L • V6 • 2WD • AUTOMATIC
Avatar
JEFFNEEDSYOU
  • MEMBER
  • 1 POST
Po481 fans run but won't cycle to high and it's overheating.
Nov 1, 2022 at 10:56 PM
Advertisement
Avatar
JACOBANDNICKOLAS
  • CAR REPAIR CONTRIBUTOR
  • 110,190 POSTS
Hi,

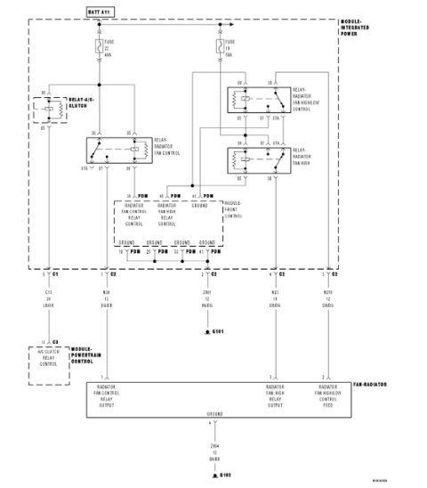
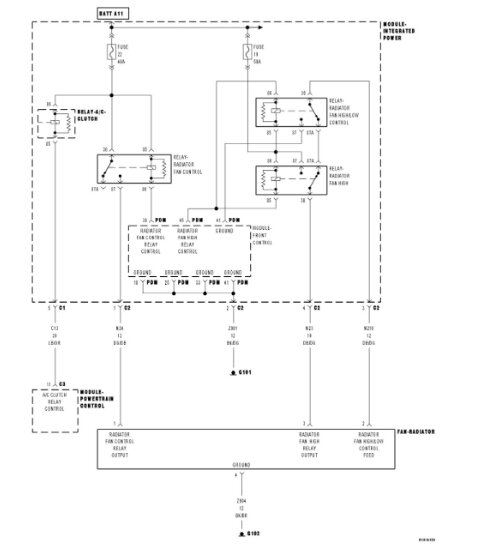
This could be the result of a few different things. It's likely an open circuit in the cooling fan high relay circuit.

If you look below, I provided the diagnostics specific to your vehicle and the code you provided. Take a look through them and let me know if you are comfortable performing them.

Let me know,

Take care,

Joe

See pics below.
Nov 2, 2022 at 2:18 PM
Advertisement
Repair Safety Notice: This information is for general instructional purposes only. Vehicle repair can be dangerous. Verify all information, follow manufacturer service procedures, use proper tools and safety equipment, and consult a qualified repair shop when needed.