Saturday, March 20th, 2021 AT 2:43 PM
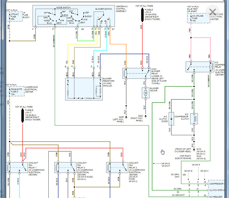
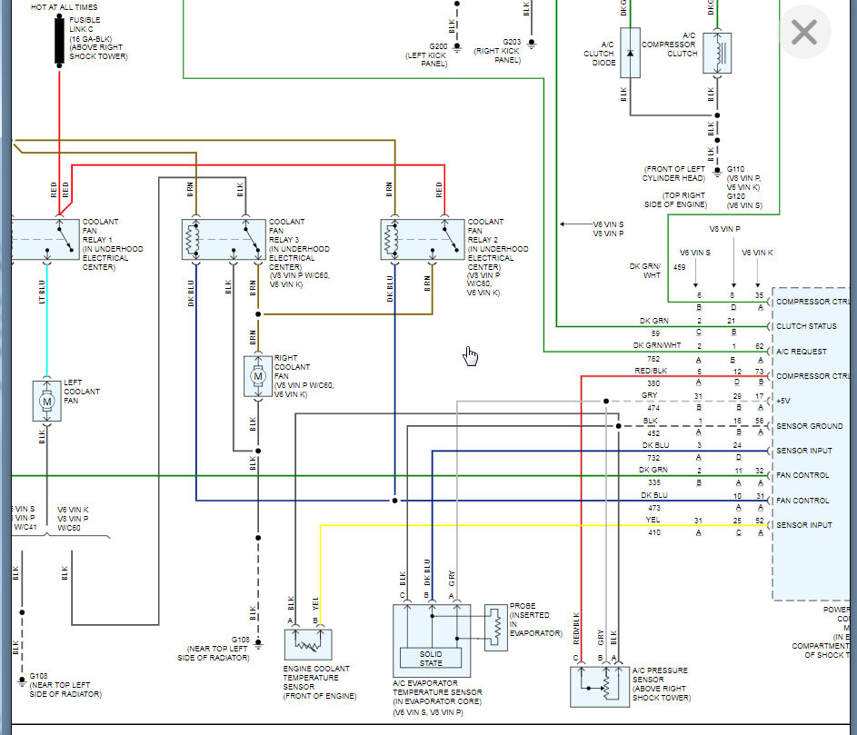
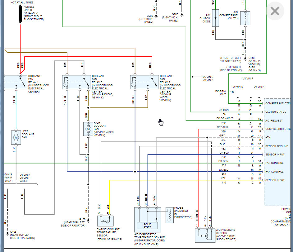
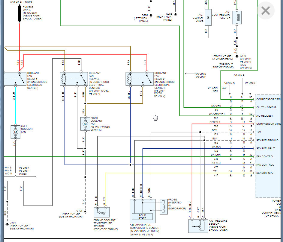
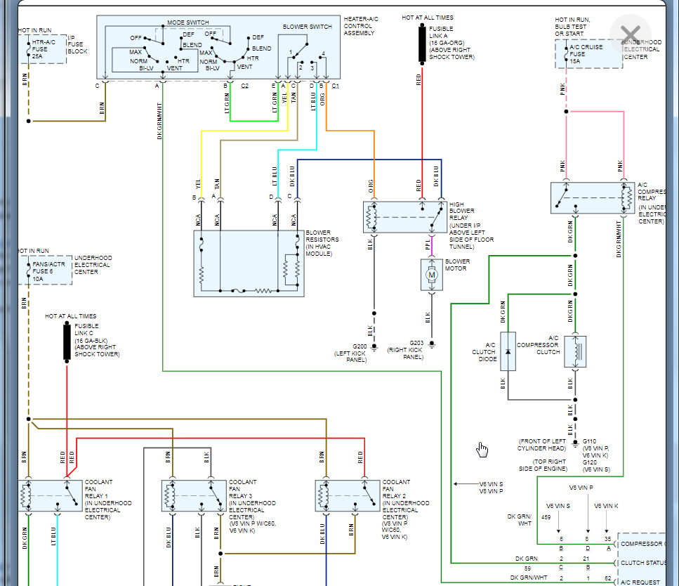
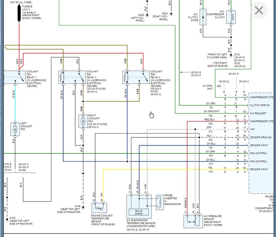
Hello, I am trying to locate the cooling fan switch or climate control pressure switch as I’m being told it’s properly named. My vehicle listed above is a Z28. I simply just need to know the exact location of this switch so that I can install my new one. Thank you!





