Thursday, January 27th, 2022 AT 10:39 PM
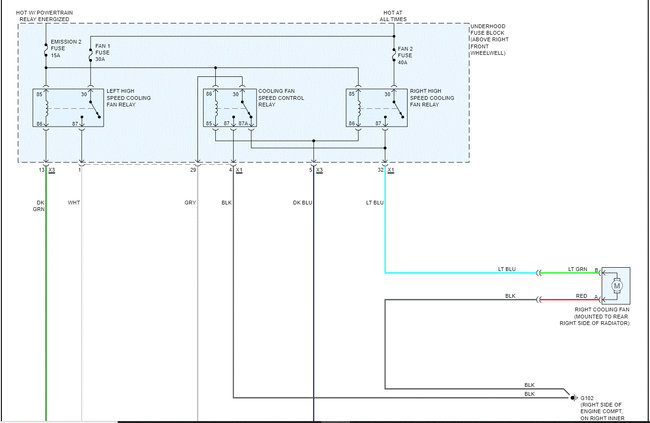
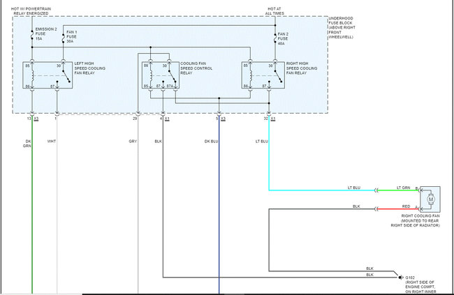
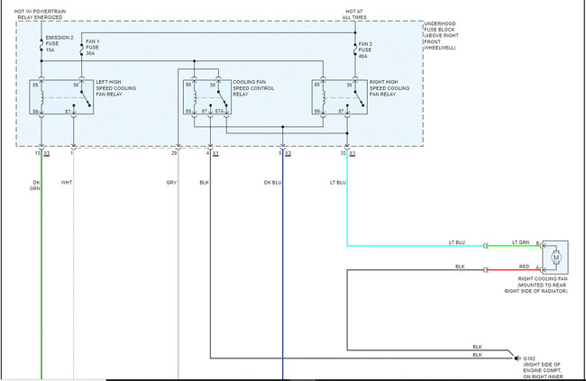
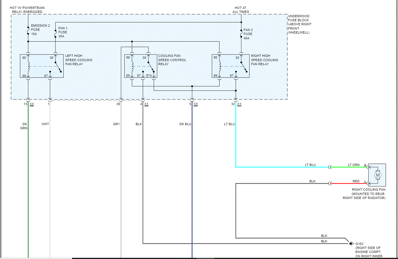
Error code po116. I changed the engine coolant temperature sensor and the pigtail, which was bad, but I noticed that when I start the car when it was cold that both fans are running at a low speed. The A/C is not on and no defrost. The fans are staying on all the time when I shut off the motor the fans stop. Coolant is full in radiator. Is there anybody that can help me out with this problem?


