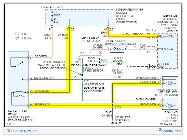
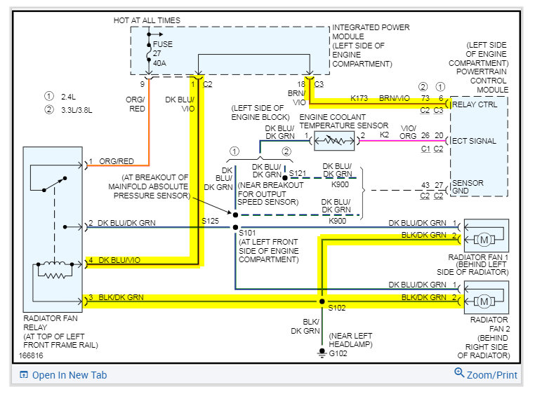
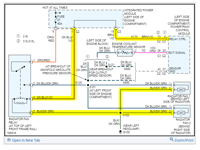
My van listed above is the SE model. It has been overheating since a month ago. When I driving no traffic time to freeway not overheat but traffic than have to stop somewhere.
I found radiator cooling fan not running but both fans running when I turn on air condition. I have OBDII sensor can see engine coolant temperature.
Engine stop near 220f.
Oil change month ago and coolant full and no leak.
I believe cooling fan and water pump fine.
Fan fuse(40a) is fine.
Right now replaced radiator fan relay and thermostat.
Some mechanic told me computer control board!
If computer board issue then to make manual switch to fan relay.
I saw 4 cables to fan relay.
2 thick cables and 2 thin cables. I guess 2 thick for power to fan and 2 thin for close relay.
Thanks.
Thursday, August 29th, 2019 AT 9:16 PM

