Cooling fan not functioning, wiring diagram for the cooling system needed?

Tiny
BLESSING EWOBOR
  • MEMBER
  • 2001 TOYOTA SIENNA
  • V6
  • 2WD
  • AUTOMATIC
  • 234,356 MILES
The cooling fan of the engine is not functioning. Could I have the wire diagram for the cooling system?
Thursday, February 27th, 2025 AT 7:28 PM

4 Replies

Tiny
JACOBANDNICKOLAS
  • MECHANIC
  • 110,192 POSTS
Hi,

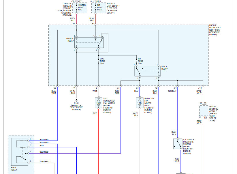
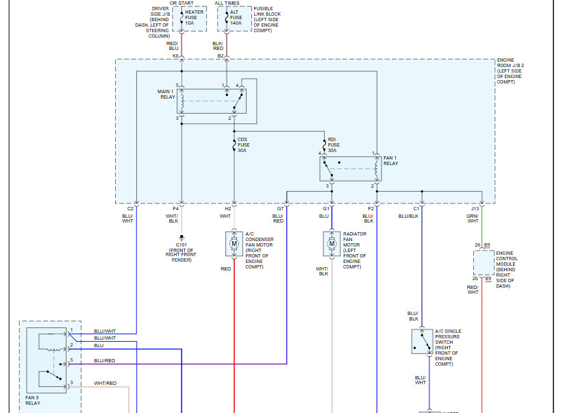
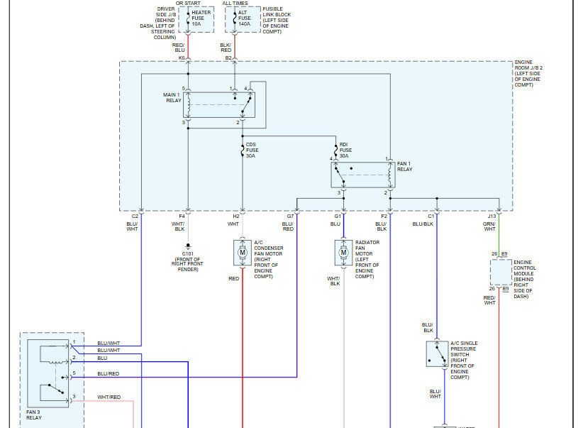
Before tearing into the circuit, run power directly to the fans to make sure they are functional. If they are, keep in mind there are three relays. I just took a look and from what I'm seeing, fan relay 1, located in under the hood in the engine compartment, must work for the other two to get power. I would start there.

I attached the wiring schematic below for you. I had to cut the pic in two to make it readable. I did overlap the two so you can follow from one to the next.

I hope this helps. Let me know if you have questions.

Take care,

joe

See pics below.
Was this
answer
helpful?
Yes
No
Friday, February 28th, 2025 AT 8:39 PM
Tiny
BLESSING EWOBOR
  • MEMBER
  • 754 POSTS
Thank you very much.
Was this
answer
helpful?
Yes
No
Saturday, March 1st, 2025 AT 8:48 AM
Tiny
KEN L
  • MASTER CERTIFIED MECHANIC
  • 55,097 POSTS
JACOBANDNICKOLAS is one of our best, let us know if you need anything else.
Was this
answer
helpful?
Yes
No
Monday, March 3rd, 2025 AT 10:27 AM
Tiny
BLESSING EWOBOR
  • MEMBER
  • 754 POSTS
Thank you.
Was this
answer
helpful?
Yes
No
Tuesday, March 4th, 2025 AT 11:04 AM

Please login or register to post a reply.