Thursday, July 20th, 2023 AT 8:04 AM
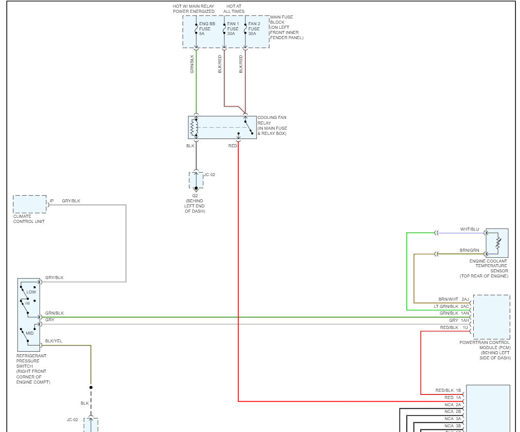
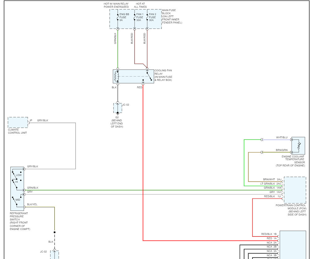
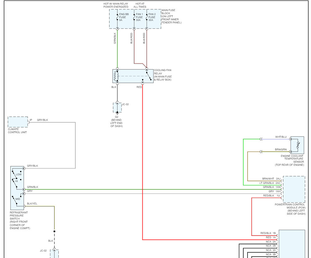
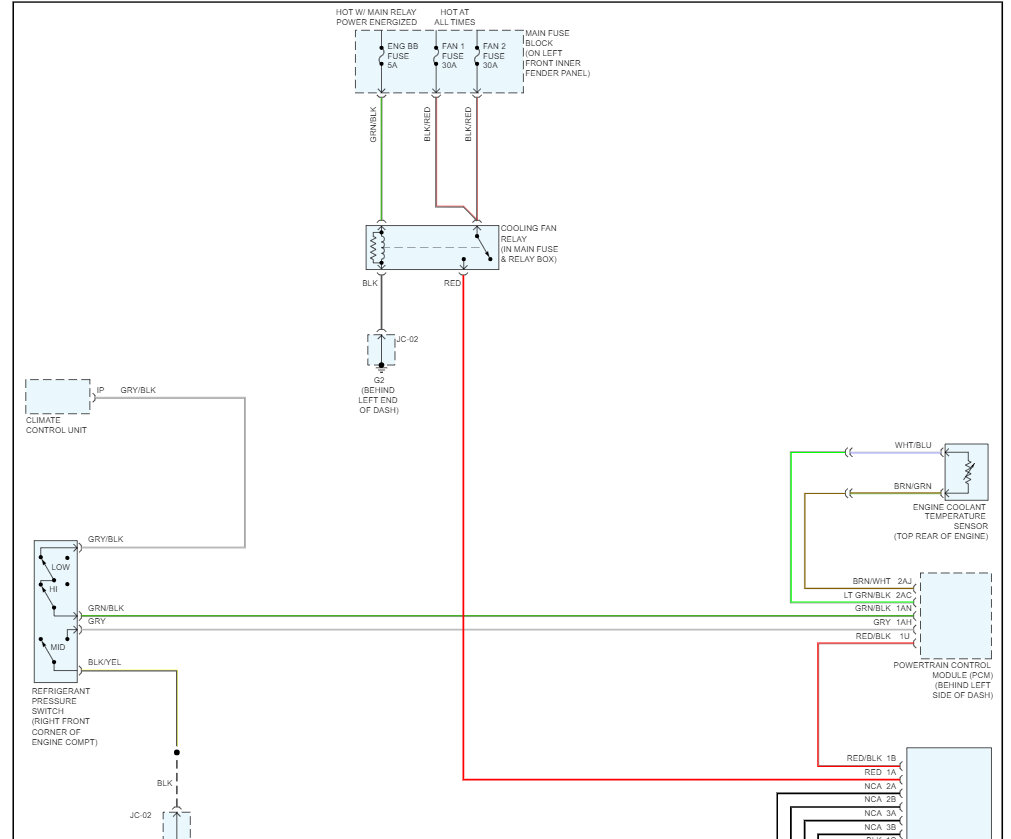
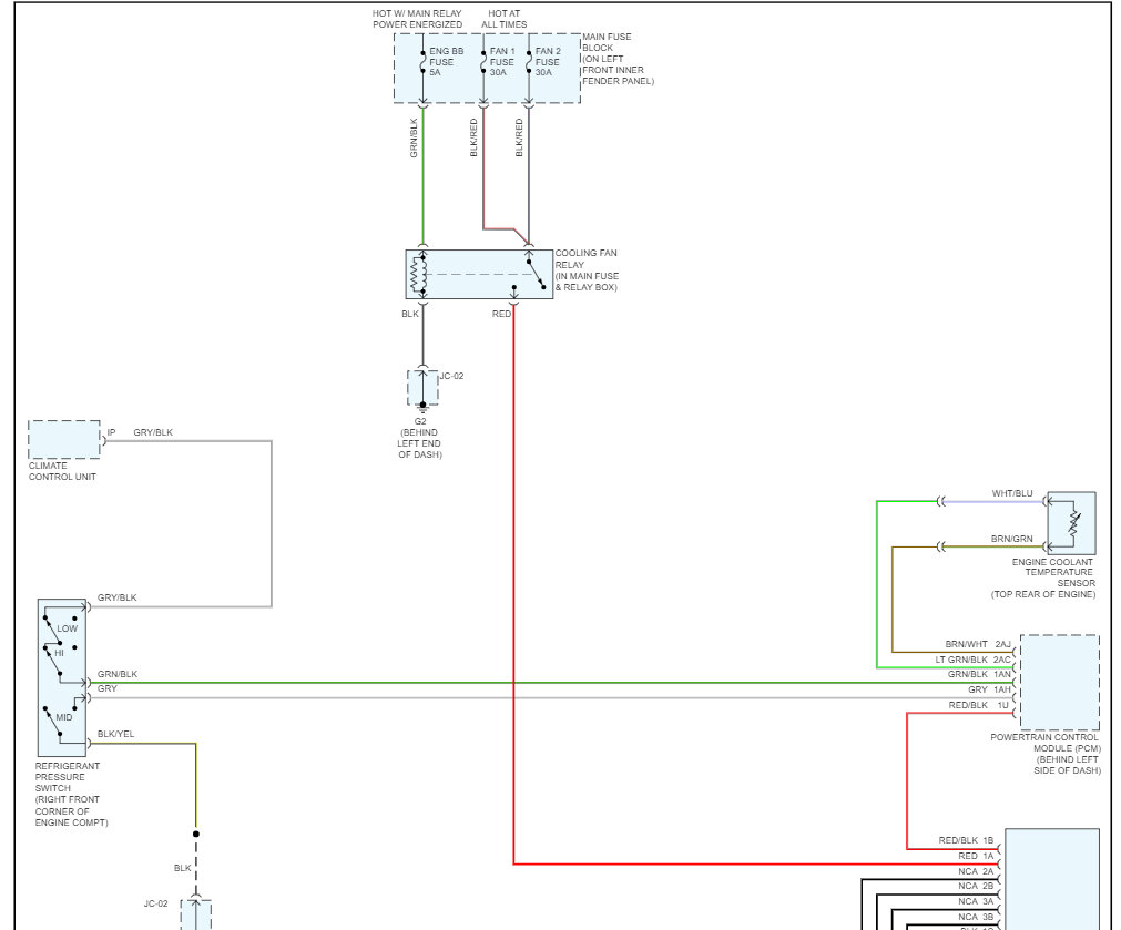
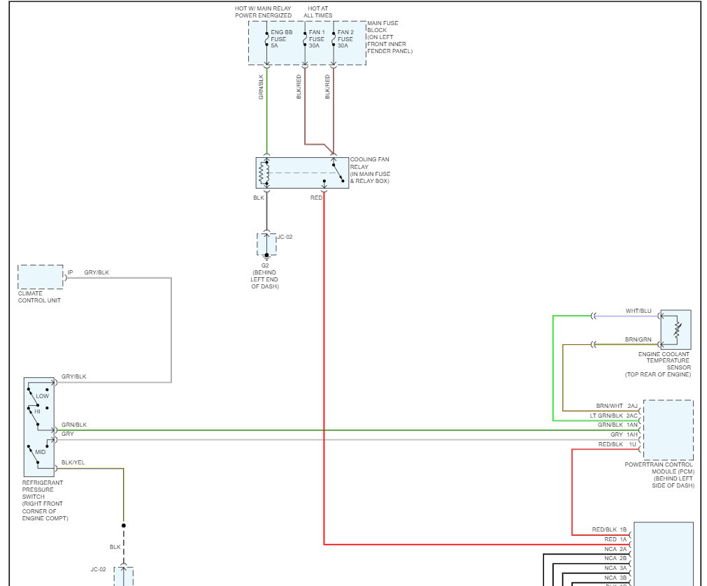
Fan was continuously running while car was started, even when cold, even when the A/C was off. Replaced the fan module as it's a common with these. Started it and fan was off, started A/C and fan came on. Left it running 30 minutes, fan is still on high but sometimes goes down a bit because of this heat we have. Turned A/C off and she is still running, not sure if it should be running while car coolant temperature is at optimum, right in the middle, does not overheat. Shouldn't it stop at some point even if not driven once it's cooled to a specific temperature? Also, before I replaced the module it would continue to run after I shit off engine for 20 seconds, now it does for 5 seconds. Not sure if I have an issue.




