Cooling fan control location needed

Tiny
DAVID NOGUERA
  • MEMBER
  • 2011 MITSUBISHI LANCER
  • 2.0L
  • 4 CYL
  • 2WD
  • AUTOMATIC
  • 75,000 MILES
Hi, where is the cooling fan control in my car? It is the ES model.
Sunday, July 23rd, 2017 AT 12:32 AM

1 Reply

Tiny
KASEKENNY
  • MECHANIC
  • 18,907 POSTS
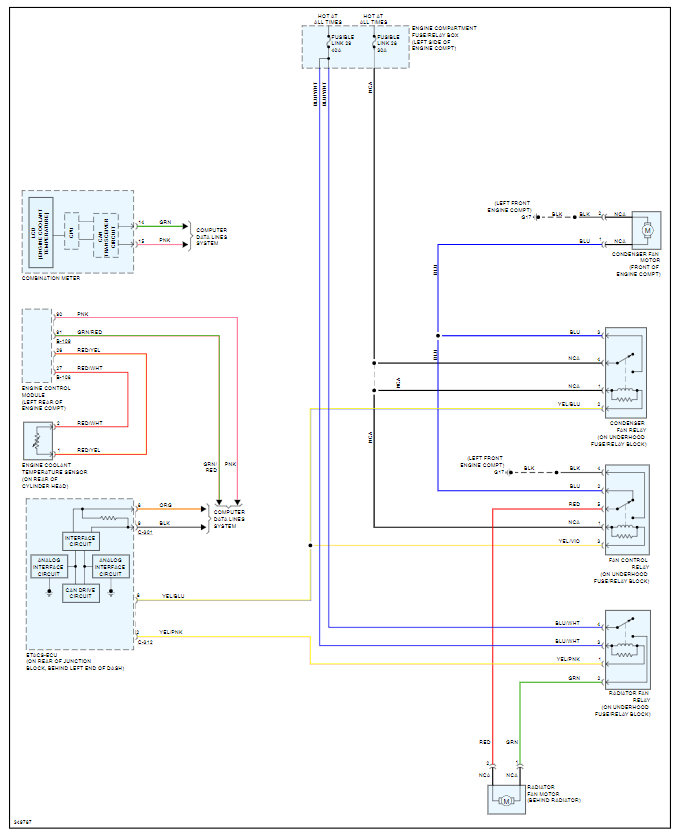
You have 3 cooling fan relays that need to be checked as if your cooling fan is not working that is the most likely cause.

I am attaching the wiring diagrams and the fuse locations of the relays.

Also here is a guide on how to test a relay which will help:

https://www.2carpros.com/articles/how-to-check-an-electrical-relay-and-wiring-control-circuit

Once we know the relays are okay, we can go back to the temp sensor and ECM but they are less likely to be the cause so let's start with the relays.

Let us know what questions you have. Thanks
Was this
answer
helpful?
Yes
No
-1
Saturday, November 28th, 2020 AT 8:23 AM

Please login or register to post a reply.