HOME
ASK A QUESTION
REPAIR GUIDES
BECOME A MEMBER
LOG IN
Login with Facebook
OR
Remember me
NOT A MEMBER?
FORGOT PASSWORD?
CONTACT US
PRIVACY POLICY
TERMS AND CONDITIONS
☰
Home
Cadillac
SRX
Engine Cooling
Cooling Fan
Not Working
Cooling fan not working
JEFF GAUTSCHE
MEMBER
2010 CADILLAC SRX
2.8L
6 CYL
4WD
AUTOMATIC
150,000 MILES
Test fan and power source without dealer computer?
Wednesday, February 26th, 2020 AT 8:30 AM
1 Reply
ASEMASTER6371
MECHANIC
52,796 POSTS
Good morning,
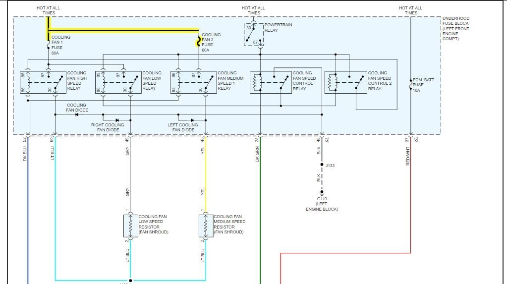
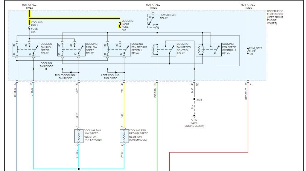
You can remove the connector for the coolant sensor with the key on. The cooling fan should come on.
I will attach a wiring diagram and a flow chart for you to view.
Roy
Images (Click to make bigger)
Was this
answer
helpful?
Yes
No
Wednesday, February 26th, 2020 AT 11:10 AM
Please
login
or
register
to post a reply.
Related Cooling Fan Not Working Content
How To Change Thermostat
How To Change Thermostat
Asked by
Anonymous
·
1 ANSWER
1 IMAGE
2005
CADILLAC SRX
Ask a Car Question. It's Free!