Check engine light turned on with a code for coolant temperature sensor

Tiny
RICHARDCANTUJR
  • MEMBER
  • 2014 CHEVROLET TRAVERSE
  • 160,000 MILES
My check engine light came on and checked it with a reader and the code that popped up was the coolant temperature sensor. So I replaced the sensor drove the normal amount of 60 miles. I was told the sensor would reset itself and check engine light would go off. Still hasn’t done either and my cooling fan constantly stays on now. No other code has popped up. What could be the reason our problem?
Thursday, March 18th, 2021 AT 8:16 AM

1 Reply

Tiny
CARADIODOC
  • MECHANIC
  • 34,465 POSTS
Diagnostic fault codes never say to replace a part or that one is defective. When a sensor or other part is referenced in a fault code, it is actually the cause of that code about half of the time. The first thing you have to know is the exact fault code number. There are multiple possible codes for any sensor and they mean very different things. Temperature sensors in particular have extremely low failure rates because there's just one part inside them. By far it is more common to find a broken wire or corroded connector terminals. That would be the equivalent of unplugging the sensor, and in the case of the coolant temperature sensor, on most engines that sets up a default condition where the Engine Computer turns on the radiator fan. That is done because the computer can't know coolant temperature, so it turns the fan on as a precaution to prevent overheating. Unplugging the coolant temperature sensor while the engine is running is also a common test we do to verify the cooling fan circuit is working, and the computer is in control of it.

If there's a break in the sensor's wire, the fault code will be for "coolant temperature voltage too high". You will see it listed as 5.0 volts on a scanner. For these types of sensors, the acceptable range of signal voltage is 0.5 to 4.5 volts. Anything outside that range is what gets detected as a defect and sets a fault code.

There is nothing to "reset" when you replace a sensor. The computer learns each sensor's personality as soon as you start driving. The Check Engine lights acts differently for different levels of severity for fault codes. About half of the possible codes do not turn the Check Engine light on. The codes that do turn it on are those related to something that could possibly have an adverse effect on emissions. Of those, with the most minor codes, the light will turn off while you're driving if it is an intermittent problem that goes away at times. If the problem is intermittent, but more severe, the light will "latch" on and remain on during that drive cycle, even when the problem goes away. The light will be off the next time you drive the vehicle, until the problem occurs again. Still more severe, the light will latch on and be on all the time while driving, even when the defect doesn't show up. The most severe codes cause the Check Engine light to flash. That means too much unburned fuel is going into the exhaust where it is going to burn in the catalytic converter and overheat it. You're supposed to stop the engine as soon as safely possible to avoid damaging the converter.

The other common code with temperature sensors is "sensor voltage too low". That occurs when the insulation on the sensor's wire has rubbed through, and the wire is grounded. On most models that also causes the computer to turn on the radiator fan relay. Less-common would be excessive corrosion between the two adjacent wires in the connector. That's more likely to occur after the connector has been damaged, leaving openings for moisture to get past the rubber seals.

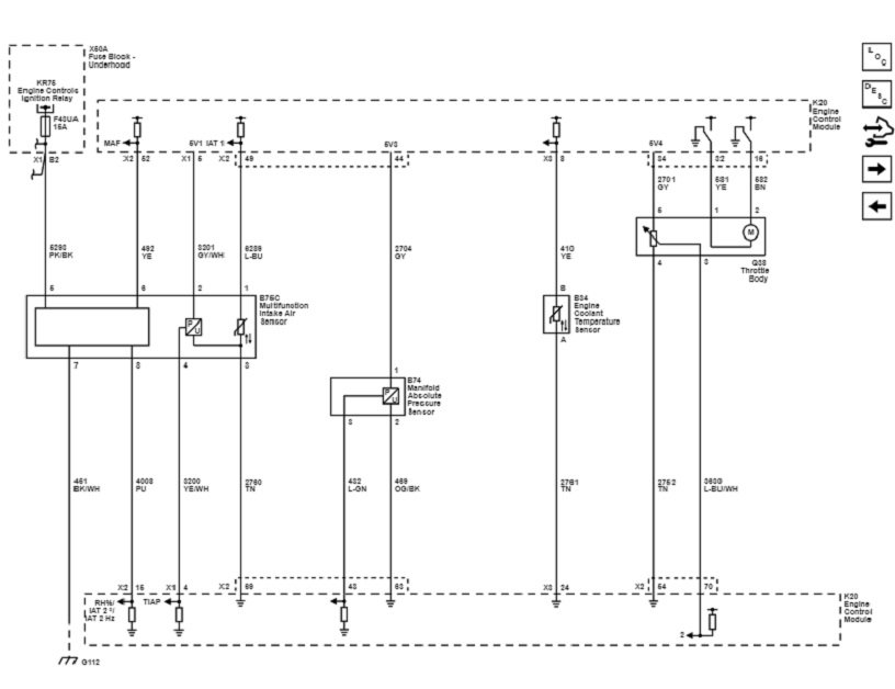
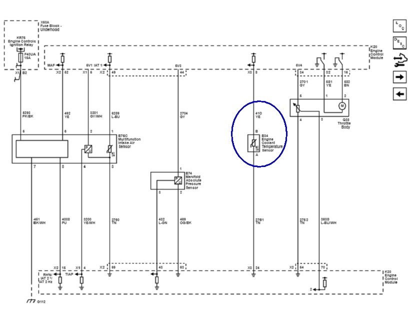
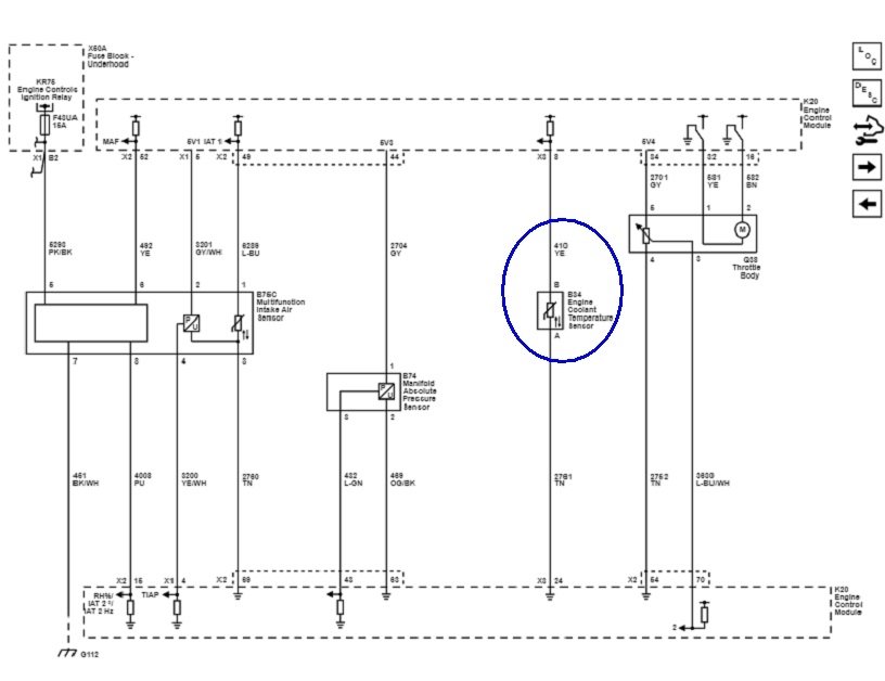
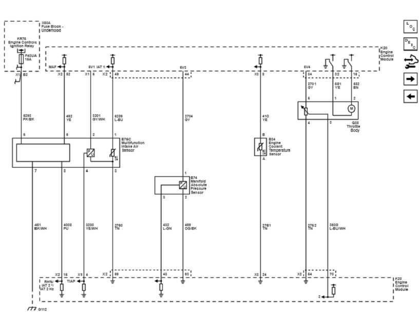
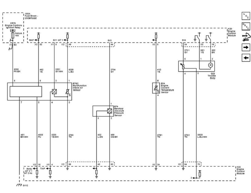
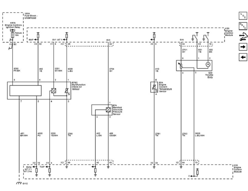
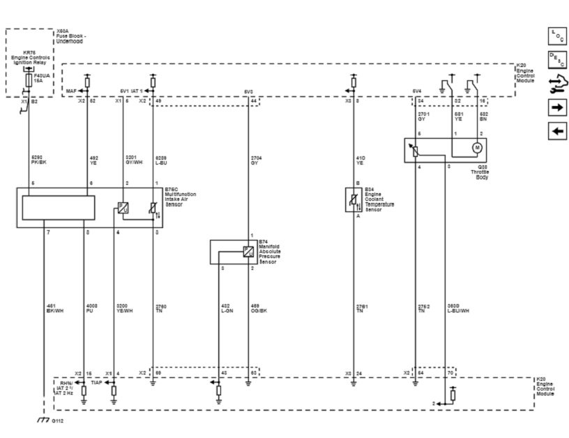
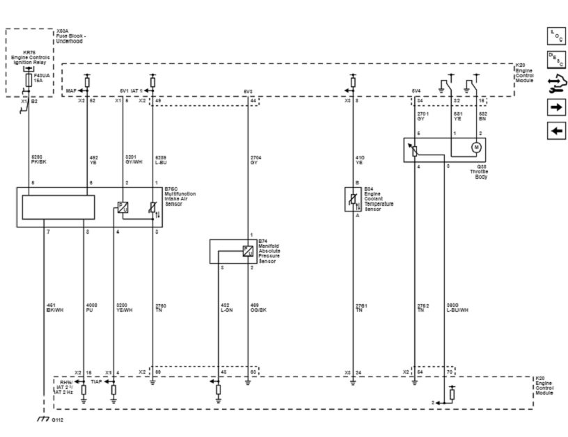
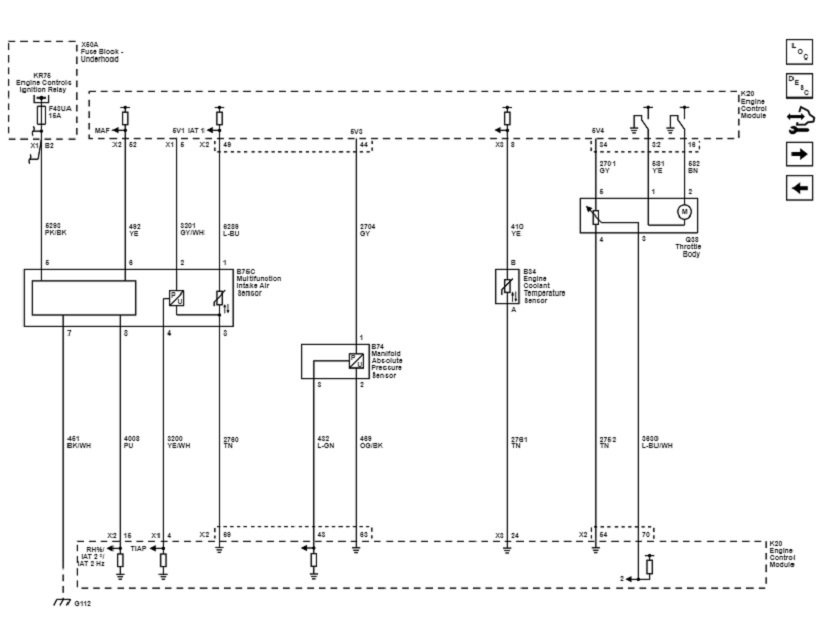
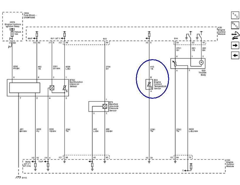
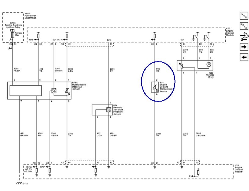
This diagram of engine sensors reproduces too small to read easily, so I blew up just the CTS part. If you have a fault code for "CTS voltage too high, there has to be a break in either the yellow 5.0-volt feed / signal wire, or the tan sensor return, (ground) wire. That break can be anywhere shown with the red bracket. If the code is for CTS voltage too low, the yellow 5.0- volt feed wire has to be shorted to ground anywhere shown with the yellow bracket.
Was this
answer
helpful?
Yes
No
Thursday, March 18th, 2021 AT 5:17 PM

Please login or register to post a reply.