Coolant problem, I have been having to add coolant every 2-3 days?

Tiny
AL514
  • MECHANIC
  • 5,590 POSTS
If the wires for that valve are green and white, and there's only 2, it's the Purge valve and should be closed when it's not active.
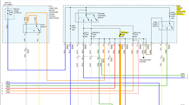
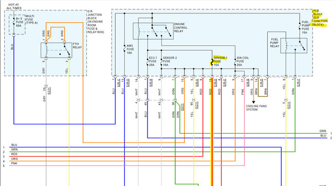
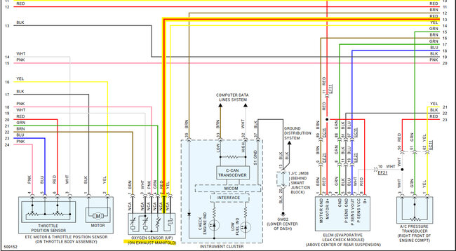
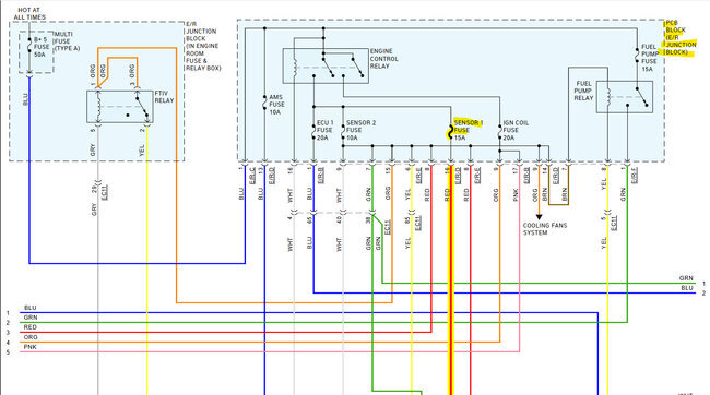
As for the 2nd picture, it depends on where those hoses go, it does look like something is missing there, at this point who knows what they have taken off or broken, but that valve you have off looks like the purge valve to me with those wire colors, the MAP sensor is 4 wires because it has a temperature sensor built into it as well. I'll post the wiring diagrams so you can check it.
Was this
answer
helpful?
Yes
No
Wednesday, May 1st, 2024 AT 1:00 PM
Tiny
AL514
  • MECHANIC
  • 5,590 POSTS
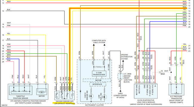
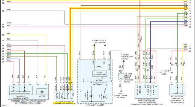
1st diagram is the Purge valve which pulls fuel vapor from the gas tank, should be closed when off. The 2nd diagram is the MAP/IAT sensor. With the 3rd the wiring going to the ECM. Hopefully they didn't remove anything, in the picture it almost looks like something is bypassed on that hose, but I can't really tell.
Was this
answer
helpful?
Yes
No
Wednesday, May 1st, 2024 AT 1:17 PM
Tiny
AL514
  • MECHANIC
  • 5,590 POSTS
Don't touch this!
Was this
answer
helpful?
Yes
No
Wednesday, May 1st, 2024 AT 1:21 PM
Tiny
GOODY1966
  • MEMBER
  • 58 POSTS
Thanks for the warning on orange, I’m way ahead of you. On that one. It’s usually the amps that cause most deaths. It only takes 1 amp to kill you. Back on track here. I’m not at the car now but I thought the map sensor was mounted right into the air box or duct between throttle body to air filter. I’ll double check that tomorrow. Ya I couldn’t find anything at all on it online. I’ll look some more it’s definitely carboned up inside, cleaned it a little the best I could but would much rather replace it.
Was this
answer
helpful?
Yes
No
Wednesday, May 1st, 2024 AT 10:47 PM
Tiny
GOODY1966
  • MEMBER
  • 58 POSTS
PS. Schematics are my weak point. I don’t understand them nearly what I should. I get a little from them but not much. Oh, yes got my o2 sensor today, I thought cool. Not happy. I could not get that old one to budge. Easy to get at from the end. I even tried my electric impact gun on it that baby not budging. So, I’m even starting to believe the EGR restriction in the flow could possibly be the catalyst melted down on inside. Car feels very sluggish today.
Was this
answer
helpful?
Yes
No
Wednesday, May 1st, 2024 AT 10:55 PM
Tiny
AL514
  • MECHANIC
  • 5,590 POSTS
Yeah 02 sensors can be difficult to get out, I was surprised the impact gun didn't strip it out, Try getting it out when the exhaust is hot, just make sure to wear gloves so you don't get burned. They tend to come out easier when the pipe around them is hot and expanded some. The MAP sensor should be on the back of the intake manifold, the MAF (Mass Air Flow) sensor is the one that you would find on the air intake tube. It would be before the throttle plates, where a MAP sensor will be found after the throttle plates. (Its Manifold Absolute Pressure) so it gives a reading of intake manifold pressure compared to atmospheric pressure. Hence the "Absolute" part.
So, there's actual carbon build up inside the Purge valve? When it comes to wiring diagrams, I post them mostly so people can compare the wire coloring to the component they are looking at. For the Purge valve I could see a 2-wire component with one green wire and one white wire. So, you can do the same for the MAP sensor, although the location I see is not the one in the picture, where something appears to be missing.
This vehicle has a MAP and a MAF sensor.
If you can't get the front Oxygen sensor out for a back pressure test, if you're worried about the Cat, you can put a vacuum gauge on the intake manifold and it should read around 18- 20in of vacuum at idle, roughly. So, if the cat is clogged (or restricted exhaust) vacuum will lower.
But a back pressure test at the front oxygen sensor location at idle should not be more than 1-1.5psi max. If it's higher or jumps way up on a throttle snap, you'll know the cat is having issues, I will usually back up a pressure test with a bore scope down the exhaust to visually see the condition of cat.

These are a couple of pictures I took of a vehicle that was setting a P0420, Bank 1 Cat efficiency code, even though you can see through this cat, it wasn't storing oxygen like it should and therefore was not able to burn off the combustion gases. I was surprised by this one, I expected to see it melted down more, but when comparing it to the new one, there was a definite difference. This was caused by a bad front Oxygen sensor (A/F-air/fuel ratio sensor) on this V6 Nissan. I think it would have probably passed a back pressure test, but this was verified by monitoring the rear Oxygen sensor voltage, it was fluctuating like I described in my other post, the voltage wasn't steady at all. And it would set a P0420 code pretty much on the first drive after erasing the codes.

What is the Bank 1 Sensor 2 Oxygen sensor voltage doing when the engine is up to operating temp and just cruising under part throttle?
Thats what you really need to see, of course, though you need to be running on the engine and not electric motor. So, under throttle load it should switch over.
Was this
answer
helpful?
Yes
No
Thursday, May 2nd, 2024 AT 2:09 PM
Tiny
GOODY1966
  • MEMBER
  • 58 POSTS
I will double check that and get back to you because I want to be accurate with the information. I want to say it stopped responding or wasn’t giving any readings at all, I’ll double check it and get back to you on it, I do believe it’s not consuming coolant anymore. When I looked in past the throttle body butterfly. It looked a bit dirty, but I didn’t want to remove it to clean it. My wife doesn’t need it. Is there a valve behind the throttle body? Like one of the ones in the EGR valve that you’re aware of? Also, is there some tool to test exhaust pressure? With the car running it feels weak like there should be more pressure coming out when I put my hand over it. I’ll get back with se or reading tonight or tomorrow. Thanks Al
Was this
answer
helpful?
Yes
No
Thursday, May 2nd, 2024 AT 5:51 PM
Tiny
GOODY1966
  • MEMBER
  • 58 POSTS
Took it out to check voltage on b1 sen2 not easy to read and drive with my readers on. The readings were between 0.040-0.805 anywhere in between. I’d get a high reading then let off and coast then go back on it and get a low voltage reading. If there is a certain way for me to perform this for voltage reading let me know.
Was this
answer
helpful?
Yes
No
Thursday, May 2nd, 2024 AT 6:28 PM
Tiny
AL514
  • MECHANIC
  • 5,590 POSTS
Is your scan tool able to record live engine data when driving? Thats the safer way to do things or have someone else drive so you can observe the live data. With a hybrid setup the difficult part is knowing if the gas engine or electric motor is doing the driving. So, diagnosis won't be the same as a normal combustion engine, I see there are some lamps to tell which mode the vehicle is in. EV mode for electric motor only and if that lamp is off, the engine is running.
But as for the rear oxygen sensor try to keep the throttle pretty steady when monitoring the voltage levels, remember when you let off the gas pedal the ECM will shut down the fuel injectors during fuel cut-off, its does that when de-accelerating because the engine doesn't need fuel at that short period of time, so the oxygen sensor is going to read lean during fuel cut-off. Such as coming off a highway and coasting to an idle, the injectors will be turned completely off at that point, it's to help with emissions.
I wouldn't mess with the throttle plates, some of them are not supposed to be moved by hand, it can damage the motor inside the throttle body. I would concentrate on the codes that are setting right now,
Do either of those codes come back right away if they are cleared out? I would suspect one of those settings during the EGR cooler leaking. And possibly not cleared out after the repair. Are they reading as "Current" codes or "History"? And intake manifold leak can cause the EGR code, if theres any hoses not properly sealed and manifold pressure is incorrect during the EGR test period its going to fail that test. I've been trying to find a decent picture of all the hose routing for the valve cover and intake, but many of them are drawing type diagrams, it's tough identifying that hose in your 2nd picture.
Was this
answer
helpful?
Yes
No
Friday, May 3rd, 2024 AT 2:42 PM
Tiny
GOODY1966
  • MEMBER
  • 58 POSTS
My new phone is not good. I sent two messages and they not showing up so no clue if you got them. I’ll try to be brief. I redid the b1 s1 voltage test while someone else drove. It didn’t really seem different. The voltage was sort of all over the place, did notice a few times is was smooth for a couple of seconds longer at around approximately 0.750 range. And this was after I changed that sensor with new one. Now every time I clear codes and drive, I get new different codes popping up or disappearing. I’ll get anywhere from 6-12 codes. Now yesterday after the new sensor installed, I cleared codes, but I believe the p0140 and the p0139 wouldn’t clear but the light stayed out. About 50 miles the light turned back on and these I are the ones I’ll show because they’re the latest. But I had a lot of others pop up after I cleared them and redrove. What I got going as of now are.
Was this
answer
helpful?
Yes
No
Sunday, May 5th, 2024 AT 7:09 AM
Tiny
GOODY1966
  • MEMBER
  • 58 POSTS
I’m really hoping you can prove me wrong but I’m going to assume the cat is bad and or the computer is malfunctioning. I do have other codes I’ve gotten previously before the last ones I sent there were 8 all together in that set of codes and the onboard monitoring had the VVT monitoring bank1 fail, EGR monitor fail, the evap monitor 0.020 failed the evap 0.090 passed and the b1 s2 had two tests fail and 2 tests passed, because rich to lean sensor time. This is the old sensor I replaced yesterday, I did not rerun the on-board monitoring with new sensor, just information that might be helpful to pinpoint my problem other than a dealership that once again gave me my car with more problems than it went in with. But it does appear the coolant loss through exhaust was solved.
Was this
answer
helpful?
Yes
No
Sunday, May 5th, 2024 AT 7:24 AM
Tiny
AL514
  • MECHANIC
  • 5,590 POSTS
Oh goodness, for checking the Cat condition via the Oxygen sensor voltage you'll want to be monitoring the rear oxygen sensor, B1S2 for any voltage fluctuations. Its the one that should remain pretty steady, the Front oxygen sensor (B1S1) is an A/F sensor (air/fuel ratio sensor). It is a much more advanced wide band type sensor. Thats why it has 6 wires, while the rear oxygen sensor only has 4.
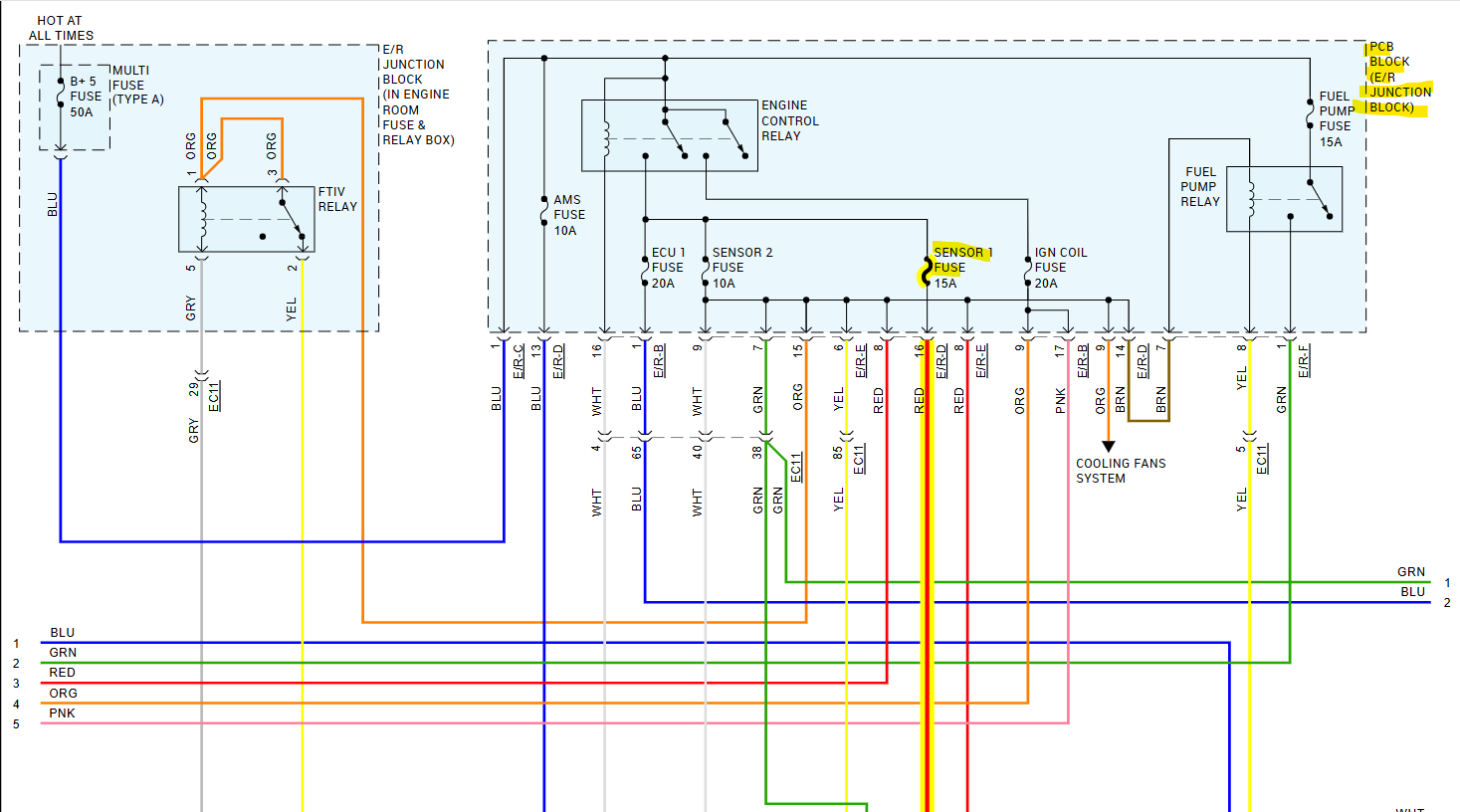
Since youre getting oxygen sensor heater circuit faults now, Im not sure why youre ending up with so many issues like this, but both B1S1 and B1S2 heaters are both fed by the same fuse. "SENSOR 1 Fuse 15amp". Both sensors are controlled by the PCM on the ground side of the heater circuit by pulsing the circuit on and off (PWM).
If the heaters are not working the sensors will not respond correctly and these codes will set. I wouldnt bother putting any more parts on this car until at least the oxygen sensors are not setting anymore codes.

But if the vehicle is leaving the shop with more issues than it went in with, they are responsible for those issues, you're running into too much here to diagnose in a logical manner. Especially with how many times electrical connectors have been apart. Every time theyre pulled apart and jammed backed together, now you have to worry about pin tension in each of those connectors, if you think about that, you could potentially be chasing a number of wiring issues. You're going to become overwhelmed by all this before you know it. It needs to go back and they need to figure out some kind of deal with you,
but check that fuse and see if it's blown.
Was this
answer
helpful?
Yes
No
Sunday, May 5th, 2024 AT 3:21 PM
Tiny
GOODY1966
  • MEMBER
  • 58 POSTS
I hope I didn’t replace the wrong o2 sensor. I’ll have to double check the location. There is one on top here the cat on exhaust manifold and the one I replaced was after the cat right down by the small piece of flex pipe. Hope there isn’t one back further. Getting all the covers off with no lift would suck. I’m wondering to , those pics I sent 2 days back. Was that the EGR solenoid that controls the vacuum to open the valves in EGR valves? And on the monitor tests I had the EGR monitor bank one fail, what would that be pointing to? I think I’m done with that dealership. They honestly have no one there capable of properly diagnosing a problem for a mechanic to fix. What I don’t understand is if I go clear the codes and then drive util the light comes back on, I’ll get either more, or different codes pop up. If I do it again, I’ll get some codes again, some are the same and some be different. I’m thinking the EGR restriction is from the EGR solenoid and I’m also thinking it’s either computer related, or the cat converter somehow went bad. I just know it’s a stumper, but the bright side is it’s almost a new car again.
Was this
answer
helpful?
Yes
No
Sunday, May 5th, 2024 AT 4:18 PM
Tiny
AL514
  • MECHANIC
  • 5,590 POSTS
Well, some codes are Pending some are Current or Permanent, so the PCM is seeing faults under different conditions. The PCM is monitoring intake manifold pressure when opening or closing the EGR valve, so its doesn't have to be an issue with the valve itself, there isn't that many components failing at once. Thats not possible. This is an electronic EGR valve, it does not have a control solenoid, it has an electronic motor and a position sensor that acts just like a throttle position sensor, The movement of the valve is 0v-5v.

The solenoid you pictured was the Purge valve, two wire green and white. You can't really mess up the oxygen sensor because the front one is 6 wire and the rear one (after the cat) is 4 wire. They are completely different types of sensors, the front is a wide band for more accurate air/fuel monitoring, the rear is a narrow band oxygen sensor.

I think you are dealing with a bunch of wiring problems, heat and vibration, driving time, etc. Contribute to when and how much electrical connectors are heating up and cooling down, pins expanding and contracting, that's why codes are coming and going, the dealership has just been at this wiring harness too much, they replaced the engine over a coolant leak, that should tell you something.
Instead of spending more money on parts, spend that money on a decent shop in your area, that has good reviews and they can at least give you an honest idea of what to focus on right now. It's impossible to chase so many problems at once.
Let someone get a fresh set of eyes on it, trust me it will be a relief for you when they come up with just a couple or one area to focus on. Just ask if they have someone who can work on hybrids.
Was this
answer
helpful?
Yes
No
Monday, May 6th, 2024 AT 7:00 AM
Tiny
GOODY1966
  • MEMBER
  • 58 POSTS
I agree with getting fresh eyes on this problem and that’ll happen soon but I’m not ready yet. Hear me out and correct me if I’m wrong. I deleted my codes again. Went out light back up and got 8 this time. Now 7 of them pointed to s1b1. The other was restricted EGR flow. So I’m thinking that o2 denser controls the voltage to the EGR valve or the solinoid that controls vacuum for the EGR valve which in return opens and closes the EGR valve to be where needed, so the computer can respond correctly. Any disruption in that system will make the pc throw the 401 code. So I will replace the o2sensor upstream and see where I’m at. Then if that’s not it I might replace that purge domino if I tried cleaning. Then it’ll go to a different garage other than where I go now. Stupid question for you. What is the difference or how far apart in the o2 sensors should be about. I’m getting a 800 degree difference. Doesn’t sound right to me because the sensors are really a foot apart and the upstream way hotter then downstream. I appreciate you Al and I’ll keep you informed and bother you so much. Youre a good guy and a smart mechanic. Stay safe!
Was this
answer
helpful?
Yes
No
Monday, May 6th, 2024 AT 1:51 PM
Tiny
AL514
  • MECHANIC
  • 5,590 POSTS
No, that is all incorrect. The oxygen sensors are strictly input devices, they do not control voltage to anything. The sensors only measure the amount or lack of oxygen in the exhaust, thats it. The EGR valve has no vacuum control at all, I showed you the diagram, it is an electric motor that opens and closed the valve. There is nothing to do with vacuum on modern vehicles. Dont replace anymore sensors until you find out if the oxygen sensor heaters are working. Neither sensor will function without their heaters. Ive posted service info on the operations of these systems, they do not function like older vacuum controlled designs. All that is gone. Dont spray any cleaner into the Purge valve, youre going to ruin the valve. You're disregarding all of the information I have posted so far, when a code sets it does not mean that component is the cause, its the result of incorrect operation of the component, therefore you need to follow service information on how to correctly test the component and its control system.

This is all that controls the EGR, two wires, thats it. You cant guess at how a circuit or component works, youre all over the map here, you cant fix something if you do not know how it works. Did you check the fuse for the oxygen sensor heaters with a test light yet?
Here is all the pin point testing for the EGR valve.
Was this
answer
helpful?
Yes
No
Wednesday, May 8th, 2024 AT 3:51 PM
Tiny
GOODY1966
  • MEMBER
  • 58 POSTS
Yes that’s what is most likely going to happen. I did order an upstream 02 because I replaced the downstream and the sensor2 codes are gone. I seen somewhere that 02 senses the biggest issue is heavy oil consumption that’s burning off through exhaust and coolant from an internal leak ruins them too. I m going to replace that and the purge solenoid hopefully tomorrow if the come. Nobody had a 02 senses in stock on line I got sensor and purge solenoid cheaper then just the sensor in an auto store. I’m thinking the upstream is giving the PCM wrong readings so the pcm is adjusting fuel and air mixture incorrectly which also will affect the voltage and vacuum to open the valves correctly in the EGR valve assembly, I’m probably wrong, I usually am but I’ll let you know either way. If this doesn’t work it’ll go in shop somewhere, wording not my strong point and it might be there or the computer itself.
Was this
answer
helpful?
Yes
No
Wednesday, May 8th, 2024 AT 7:22 PM
Tiny
AL514
  • MECHANIC
  • 5,590 POSTS
Don't put a cheap upstream sensor in (B1S1). Only use an oem. These A/F ratio sensors are wide band sensors that are extremely accurate in their measurements. They work off of current flow instead of voltage like the rear 02 does. The EGR valve assembly does not work off of vacuum in any manner at all. Im not sure why you keep mentioning vacuum when it comes to the EGR valve. The EGR system only opens and closes a small electric motor to allow a small amount of exhaust gases into the intake manifold under heavier engine loads. The added exhaust gases are introduced to strictly lower combustion chamber temperatures and this prevents NOX gases from being produced. NOX is a harmful emissions gas which, by law, needs to be extremely low. Thats why the EGR tubing goes to the intake manifold. The code is most likely setting because there is a leak somewhere thats skewing the test results. If theres an intake manifold leak, and the PCM opens the EGR valve during its self test, the PCM will not see enough pressure change during the EGR opening because the intake leak has already lowered pressures too much, the PCM will then conclude there is insufficient flow, because the pressure is already too low to begin with.

Pull up your live engine data and look at the Long and Short Term Fuel Trims at idle and 2500rpm, but try to check this when the combustion engine is running, not the electric motor. If there is an issue with the front AF sensor giving incorrect data the Fuel Trims will be off. Fuel Trim is the air/fuel ratio compensation.
Fuel Trims will also be effected if there is an intake leak. This is probably the cause of the p0139 code as well, unless the oxygen sensor heaters are not working. If the heaters are not working, it doesnt matter how many times you change the sensors, if theres no power to the heater circuits the sensors will just sit there and do nothing. >>> Fuse blown?
Was this
answer
helpful?
Yes
No
Thursday, May 9th, 2024 AT 11:53 AM
Tiny
GOODY1966
  • MEMBER
  • 58 POSTS
Hey Al, got parts today and put them on. I cleared the codes, sometimes when I clear them one or two might hang in there after I cleared them so I didn’t recheck it after I cleared them. Cleared them 8 all together. Took car out only. 4-5 miles so who knows what tomorrow will bring. It did feel a alot more responsive then it felt in a long time. Come home light still out. Gas milage went up to 39.8 mpg which I didn’t see in a long time, it’s been hanging around32-36 mpg. Reran the code scanner and I have as of now 1 code I can’t remember what one it was po138 or po139 just can’t remember. It’s definitely b1s2. I’ll know more tomorrow after work when I rescan it. I’ll attach a photo of the sensors. The upstream has a funny grey white coating on it I never seen before, perhaps you might recognize it, the solenoid I replaced I’m not sure on. The new one you can’t blow through but the old one you can blow right through, possibly cause warm? I haven’t a clue, I figured they worked off voltage. Anyway it’s a definite improvement on power and gas milage. Not sure either if that senor downstream has to cycle 1 or 2 times to not show on a scan, also when both o2 sensors die at same time I seen it’s usually caused by oil or coolant getting in there some how. If my EGR valve was clogged and both sensors went bad what are the odds of converter being clogged enough to throw downstream sensor voltage high? Thanks just curious on your input. Dealers way to expensive for converters.
Was this
answer
helpful?
Yes
No
Thursday, May 9th, 2024 AT 6:29 PM
Tiny
AL514
  • MECHANIC
  • 5,590 POSTS
That white carbon is due to that coolant leak. The Purge valve with the green and white (2 wires) should be normally closed when it's unplugged. So if you can blow through the old one, then its no good. Your scan tool data should list the EGR position in engine live data, and if you pull heavy throttle you should see the EGR position opening, Its used under heavy load/ heavy throttle because thats when NOX gases are produced. I thought they had replaced the EGR valve already?
Was this
answer
helpful?
Yes
No
Friday, May 10th, 2024 AT 10:51 AM

Please login or register to post a reply.