Coolant light is flashing

1989 VOLKSWAGEN VANAGON
280,000 MILES • 0.8L • AUTOMATIC
Avatar
JOHN MYDDLETON
  • MEMBER
  • 1 POST
When I start the van the red warning light continues to flash. I have topped up the coolant reservoir to the correct level, the light continues to flash. I was told sometime ago that there is another coolant bottle. I need the location to check it out. Thanks, John.
Aug 6, 2018 at 12:14 PM
Repair Safety Notice: This information is for general instructional purposes only. Vehicle repair can be dangerous. Verify all information, follow manufacturer service procedures, use proper tools and safety equipment, and consult a qualified repair shop when needed.
Advertisement
Avatar
JACOBANDNICKOLAS
  • CAR REPAIR CONTRIBUTOR
  • 110,190 POSTS
Hi and thanks for using 2CarPros.com.

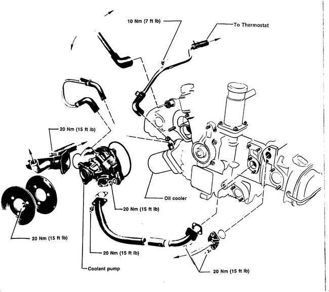
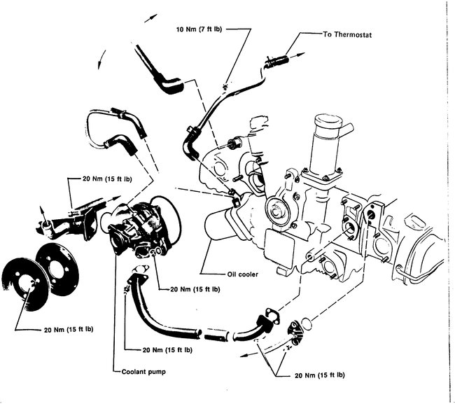
I am not familiar with a second reservoir. I have attached four pictures of the system for you to look through. They are exploded views of the system and components. I will tell you that there was a technical service bulletin indicating that the water pump may leak very small amounts of coolant onto the sensor which can lead to the light being on. Picture 5 is one I am not familiar with, but take a look at it and see if that helps. Picture 6 is the one I am familiar with.

Additionally, here are a couple links which describe temperature sensor issues as well as how to pressure test a cooling system to find a leak:

https://www.2carpros.com/articles/symptoms-of-a-bad-coolant-temperature-sensor

https://www.2carpros.com/articles/radiator-pressure-test

Let me know if this helps or if you have other questions.

Take care,
Joe
Aug 7, 2018 at 8:29 PM
Advertisement