Coolant leak

Tiny
STARLING83
  • MEMBER
  • 2000 VOLKSWAGEN BEETLE
  • 4 CYL
  • TURBO
  • 2WD
  • AUTOMATIC
  • 185,000 MILES
As soon as I pour coolant into my reservoir tank the coolant comes splashing out from the bottom of my car from right under where the reservoir tank is. Is this a bad reservoir tank or should I be looking for a hose issue?
Friday, August 17th, 2018 AT 6:44 AM

1 Reply

Tiny
JACOBANDNICKOLAS
  • MECHANIC
  • 110,192 POSTS
Hi and thanks for using 2CarPros. Com.

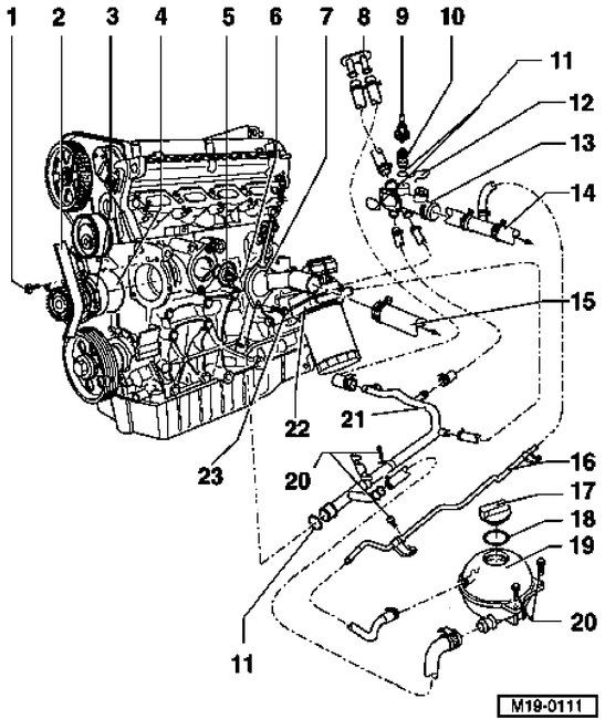
It could be either. I attached a picture specific to your vehicle. Locate number 19 in the picture. That is the expansion tank (where you are adding coolant). If you look under it, there is a rubber hose that supplies the coolant to a coolant line. Since the coolant comes out the bottom, it is either that hose or the expansion tank has cracked, which happens often. When the engine is cold, try to wiggle that hose around where it attaches to the tank. That way you will feel if the tank is broken. If it is not, then I suspect the hose is bad.

Let me know what you find or if you have other questions.

Take care,
Joe
Was this
answer
helpful?
Yes
No
+1
Friday, August 17th, 2018 AT 8:06 PM

Please login or register to post a reply.