Coolant Issue (and special repair tech) caused a no crank no start issue?

Tiny
JASON SAMUELSON
  • MEMBER
  • 1999 CHEVROLET LUMINA
  • 3.8L
  • V6
  • 2WD
  • AUTOMATIC
  • 150,000 MILES
So, here's an interesting boggle. I'm working on the car listed above that had some sort of cooling issue (coolant/water pouring out of heater hose port shortly after car was started) which by nature caused extensive overheating. Given to her father to fix (self-proclaimed top mechanic and engineer {rolls eyes}, he filled the hose inlet port with RTV to stop the coolant from pouring out. Which it did, somewhat. Shortly after the car starts repetitively overheating again with the constant loss of coolant but not due to leak. Again, to father for repair. Solution; hard wiring fans to switch located by steering wheel. Switch was grounded close to steering column and other wire was ran to engine compartment where there were two blade connectors on either side of 30-Amp Fuse then wire connects to two other wires which were running to fan relays in engine compartment fuse block #2? (Pass side of engine comp). While he was doing some sort of test and moving wires, he ended up not only blowing the 30 Amp fuse he installed, the car wont crank at all. Checked for fuel pressure, none, replaced fuel pump after verifying relays were good, nothing. Checked for power at relay terminal, nothing. Now, I also wanted to check the other engine comp fuse block #1 and guess what? No power there either. Having trouble finding diagrams that would lead me in the right direction but I'm going to check the starter, ignition switch, and neutral safety switch next (if they have power to them). If not, what components should I be looking at? I haven't done a test for spark yet, wanted to rule out as much electrical testing I can do first cause it seems it should be something fairly simple to stop at least 3 systems from working correctly (fans no longer work either) how many parts can be messed up that would render all 3 systems useless and stop engine from even clicking when its turned to start? Also, as a secondary question: the cooling issue that initially caused all of this. I'm seeing a lot of mud in the coolant overflow reservoir. I'm told he did a flush of radiator with Prestone flush kit and water was running clean through it, and car would run decently for short time but then coolant levels disappeared rapidly, and overheating began to be repetitive. He was testing this when an electrical issue occurred. Could the car (which I am being told sat in a garage for quite some time (i believe the car sat, but seriously doubt in a garage) have sat outside and somehow gotten the blower motor packed with mud? We live in NM and the weather here is something to behold. Where else could mud have somehow caked up that it would stop the flow of coolant to the point of evaporation causing overheating and show signs of mud in coolant res? All and any help given on these matters is eternally grateful for. Thanks for everything.

Jason Samuelson
Friday, September 16th, 2022 AT 12:52 AM

13 Replies

Tiny
MIKE H R
  • MECHANIC
  • 3,094 POSTS
I would disconnect the switch that was installed to the fans. The two wires are one is power and the other ground. Here is a wiring diagram of fan. Check the battery to see if the fan had not drained the voltage. Something with the mud. I would flush the system. With the mud in the heater core disconnect the heater hoses and back flush the core, Do it one way then the other the thermostat might have gone bad staying partly closed not letting the coolant to flow through enough and making the engine overheat.
Was this
answer
helpful?
Yes
No
-1
Friday, September 16th, 2022 AT 7:46 AM
Tiny
JASON SAMUELSON
  • MEMBER
  • 9 POSTS
Sorry, it has taken so long to get back to you. I'm sorry there seems to have been somewhat of a miscommunication here. I don't need the wiring diagram for the fans. I have already disconnected the switch and reinstalled, and I'm still not getting even a click when I turn the key. I need the wiring diagram for the ignition system to see what component I need to be testing to see what piece he shorted out or burned up when he was testing the relays and such that is stopping me from getting power to the engine compartment fuse boxes. The battery is showing it still has 11.4V and no voltage drop going from the battery terminals to the wires connected to them. Next I will try to test the starter and ignition switch, but wanted the diagram for the Ignition system to see what component would stop power from reaching the engine bay fuse panels cause Im not getting power at them which is causing a no click, no fuel, no crank situation with this car. I will try flushing the systems both ways to address the cooling issue once I can get the car started.
Was this
answer
helpful?
Yes
No
Monday, September 19th, 2022 AT 6:52 PM
Tiny
JASON SAMUELSON
  • MEMBER
  • 9 POSTS
I do have power running inside the car. The interior lights radio etc, all seem to be working just fine. Just none getting to engine bay fuse boxes which is stopping the fuel pump and other components from working properly allowing the car to start.
Was this
answer
helpful?
Yes
No
Monday, September 19th, 2022 AT 6:55 PM
Tiny
JACOBANDNICKOLAS
  • MECHANIC
  • 110,194 POSTS
Hi,

I noticed you haven't been contacted for a few days. Have you been able to make any progress? I'm interested in knowing.

Let me know if you have questions or if there is anything I can do to help.

Take care,

Joe
Was this
answer
helpful?
Yes
No
Thursday, September 22nd, 2022 AT 8:27 PM
Tiny
JASON SAMUELSON
  • MEMBER
  • 9 POSTS
So far, no I haven't. The car is located a couple towns south of where I stay So I only get out there to work on it maybe once a week. And the time there is limited in the summer cause here in NM it gets hot. And I mean really hot. Still looking for the wiring diagram for the ignition system to try to figure out what component needs to be checked next.
Was this
answer
helpful?
Yes
No
Thursday, September 22nd, 2022 AT 9:59 PM
Tiny
JACOBANDNICKOLAS
  • MECHANIC
  • 110,194 POSTS
Hi,

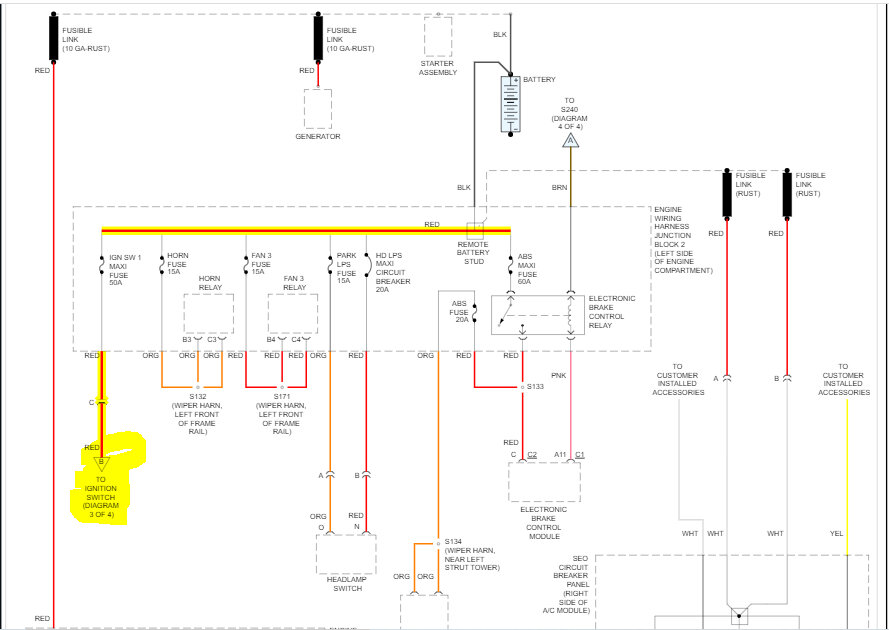
If you need wiring schematics, let me know. I attached the entire powertrain management circuit below for you.

The schematics were 4 pages long, but I had to cut each one in half to make it readable for you. I did overlap them for you so you can follow from one to the next. Also, the ignition system is included in these schematics.

Let me know if this helps or if you have other questions.

Take care,

Joe

See pics below.
Was this
answer
helpful?
Yes
No
Friday, September 23rd, 2022 AT 7:48 PM
Tiny
JASON SAMUELSON
  • MEMBER
  • 9 POSTS
Again, I apologize for the delayed response, but this car has taken a back seat to my other priorities since the owners that I am doing the work for went out and bought a Ford Escape (with electrical issues as well as other maintenance issues) from someone else (who happens to also be a client of mine) could buy a Ford Explorer with steering column electrical issues Please remind me in the future to remind them Electrical issues in vehicles is a topic I loathe. AQs far as your response goes. Thank you so much! This will definitely assist me in tracking down where the issue is. After testing the ignition, I found that there is interior power to dome lights power doors and such, but the ignition switch itself wasn't getting the constant 12V supply it was supposed to be getting either. So somewhere between the battery and the ignition switch there is an interruption of power. I know no power is getting to either engine compartment fuse box, so I will be looking for any issues I can find between the battery and the fuse panels that control the ignition switch, fuel pumps, etc. This should make that much easier to find and I will let you know what I find when I find it. Again, thank you.
Was this
answer
helpful?
Yes
No
Wednesday, October 26th, 2022 AT 8:16 PM
Tiny
JACOBANDNICKOLAS
  • MECHANIC
  • 110,194 POSTS
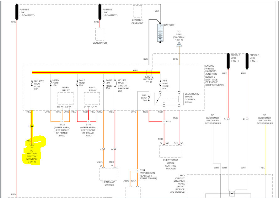
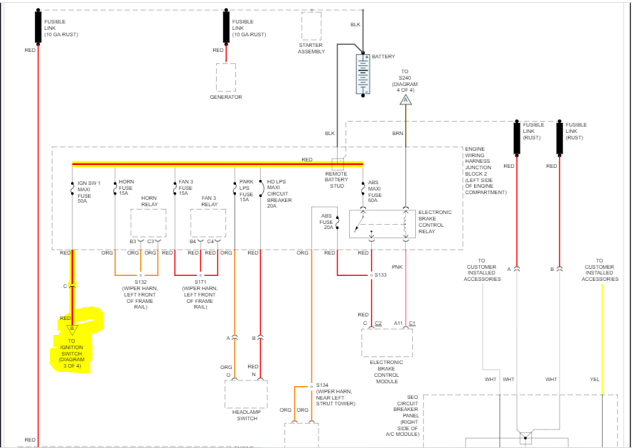
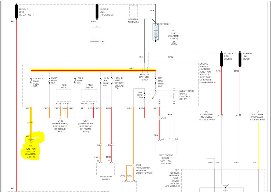
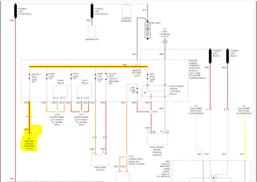
Hi,

Based on your last post, it sounds like you need a power distribution schematic. I attached it below. I also highlighted the power supply to the ignition switch and then out from the ignition switch.

I hope this helps.

Take care and let me know what you find.

Joe

See pics below.
Was this
answer
helpful?
Yes
No
Wednesday, October 26th, 2022 AT 8:50 PM
Tiny
JASON SAMUELSON
  • MEMBER
  • 9 POSTS
You guys are Amazing! Thank you very much. Will Let you know what I find out.
Was this
answer
helpful?
Yes
No
Friday, October 28th, 2022 AT 10:44 AM
Tiny
JACOBANDNICKOLAS
  • MECHANIC
  • 110,194 POSTS
Hi,

I haven't heard from you for a few days. I was just wondering if you made any progress. If possible, let me know. I'm interested in knowing.

Take care,

Joe
Was this
answer
helpful?
Yes
No
Sunday, October 30th, 2022 AT 6:47 PM
Tiny
JASON SAMUELSON
  • MEMBER
  • 9 POSTS
I haven’t but not due to lack of info this time. It’s just that with their new vehicle and the issues with it and business being fairly consistent with the holiday season directly ahead I haven’t had the time to work on it. Hoping to take next Monday-Wednesday and make that my primary focus to attempt to get that car running or bury it, one way or another. Lol. I can’t give in that easily so it’ll be running by the end of next week. Given being able to take a week off and just do it. Will let you know anything and everything that I find and will see if I can make a video or take good pics for better understanding to see what I’ve been talking about. You have my word as a man from the era where that actually meant something (and to some it still does [I honestly get the impression you are one of those people as well]). Happy Holidays to you and your loved ones and again thanks for everything you’ve provided. It doesn’t look hopeless any longer. Now probable.
Was this
answer
helpful?
Yes
No
Thursday, November 24th, 2022 AT 9:25 AM
Tiny
JASON SAMUELSON
  • MEMBER
  • 9 POSTS
I haven’t but not due to lack of info this time. It’s just that with their new vehicle and the issues with it and business being fairly consistent with the holiday season directly ahead I haven’t had the time to work on it. Hoping to take next mon-wed and make that my primary focus to attempt to get that car running or bury it, one way or another. Lol. I can’t give in that easily so it’ll be running by end of next week. Given being able to take a week off and just do it. Will let you know anything and everything that I find, and will see if I can make a video or take good pics for better understanding to see what I’ve been talking about. You have my word as a man from the era where that actually meant something (and to some it still does [I honestly get the impression you are one of those people as well]). Happy Holidays to you and your loved ones and again thanks for everything you’ve provided. It doesn’t look hopeless any longer. Now probable.
Was this
answer
helpful?
Yes
No
Thursday, November 24th, 2022 AT 9:25 AM
Tiny
JACOBANDNICKOLAS
  • MECHANIC
  • 110,194 POSTS
Hi,

No problem whatsoever. I understand what it's like to be constantly busy. LOL Also, I wish there were more like you in this world. I find myself frustrated more than ever.

Take care and if I can help, let me know.

Joe
Was this
answer
helpful?
Yes
No
Thursday, November 24th, 2022 AT 7:08 PM

Please login or register to post a reply.