Control fan module and electrical wire

Tiny
SKIPPY 2020
  • MEMBER
  • 2007 KIA SEDONA
  • 3.8L
  • V6
  • 4WD
  • AUTOMATIC
  • 111,500 MILES
I have brought a control fan module and the check engine light is still on. The car is not over heating, but the fans are not coming on
Monday, April 28th, 2014 AT 8:08 PM

2 Replies

Tiny
CJ MEDEVAC II
  • MEMBER
  • 222 POSTS
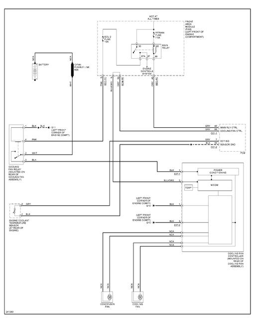
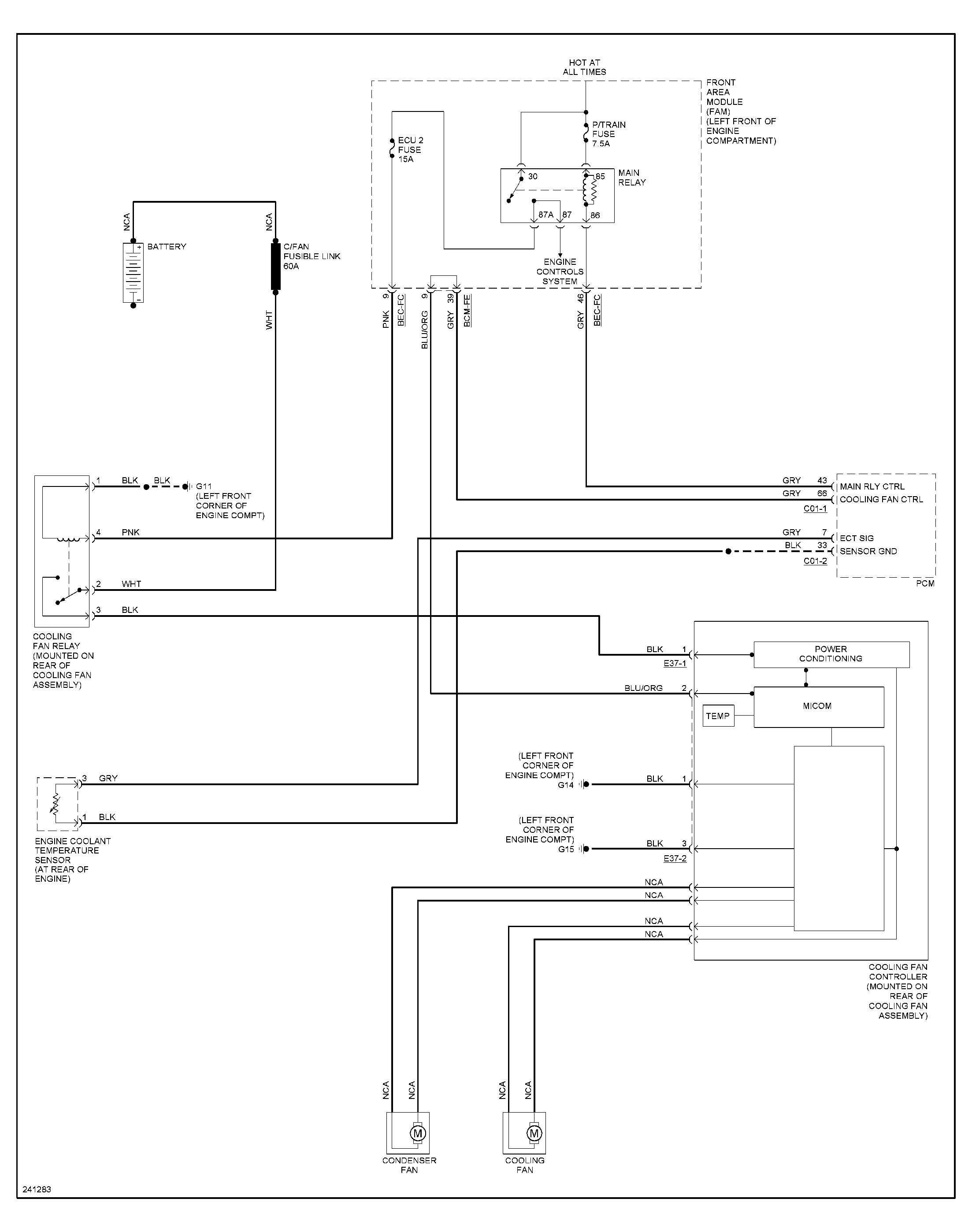
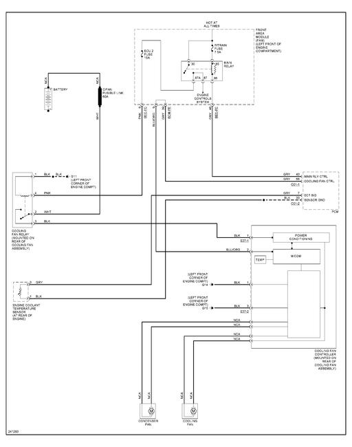
I GRABBED YOU A "COOLING FAN CIRCUIT" DIAGRAM

IT SHOWS THE WORKS!

IT SHOW THE LOCATIONS OF ALL OF THE PARTS

I'D INVESTIGATE THE POSSIBILITY OF A "RELAY" BEING STUCK IN THE "ON" POSITION

THIS SOMETIMES HAPPENS, AS OVER TIME, THE LITTLE SPARK FROM THE CONTACTS TOUCHING OVER AND OVER WILL SORTA "WELD" THEM TOGETHER

IF YOU CAN FIND A "TWIN" TO THE ONE(S) IN QUESTION (FICTITIOUS EXAMPLE: PWR WINDOWS)- SIMPLY SWAP 'EM AND SEE IF THE PROBLEM PERSISTS

EVEN IF THIS AIN'T YOUR FIX, THE DIAGRAM MAY SHED LIGHT ON THE REAL PROBLEM

THE MEDIC
Was this
answer
helpful?
Yes
No
Monday, April 28th, 2014 AT 8:31 PM
Tiny
JACOBANDNICKOLAS
  • MECHANIC
  • 110,194 POSTS
Have you checked if the fans are functional?
Was this
answer
helpful?
Yes
No
Tuesday, April 29th, 2014 AT 5:18 AM

Please login or register to post a reply.