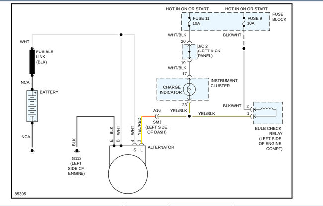
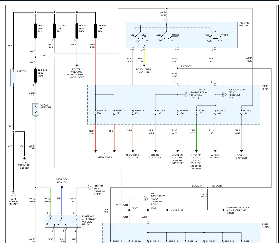
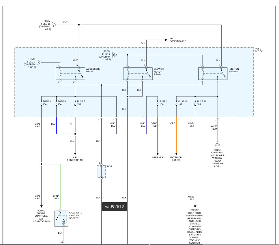
Friday, February 7th, 2020 AT 9:29 AM
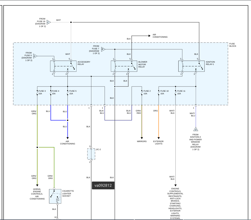
Bought the truck listed above. Replaced the battery but need to clean connections, replace connectors, but there are about 5 connections and clips at my positive terminal. How to remedy this, find out what they are and how to organize them better and replace the connector.








