Wednesday, March 22nd, 2023 AT 4:36 AM
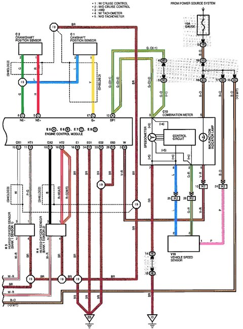
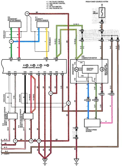
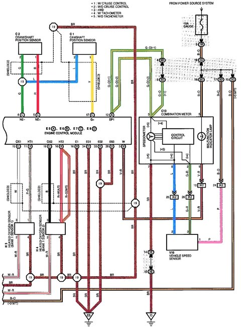
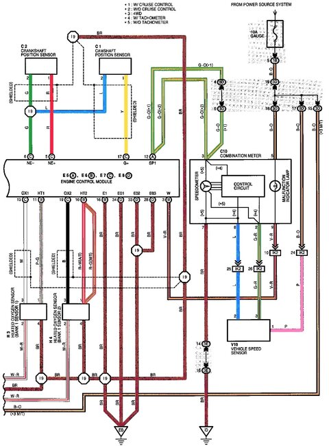
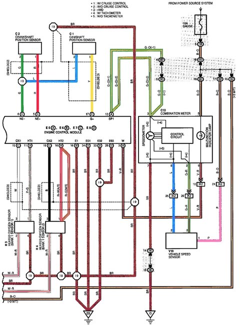
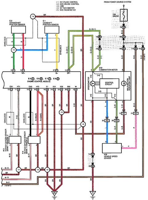
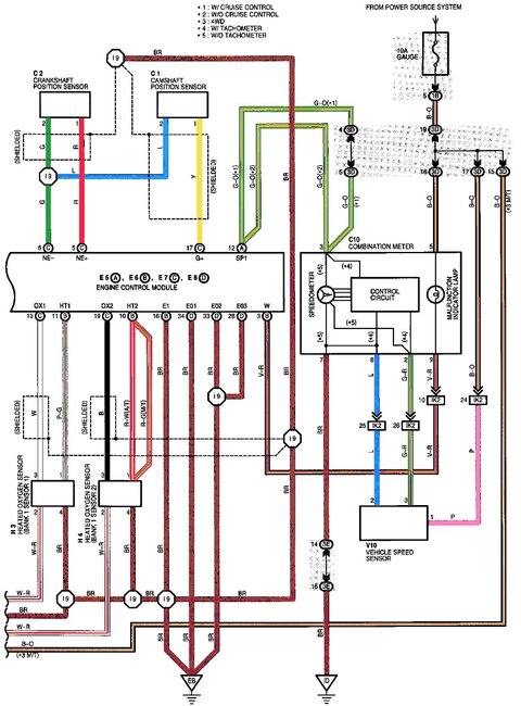
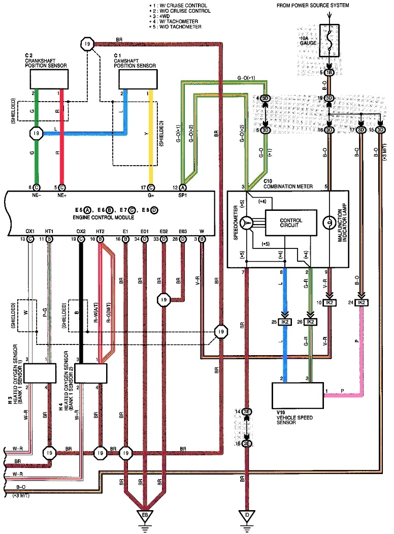
Camshaft sensor has a red and a black on it and I have to put a connector on it. From the top of the engine where the camshaft sensor plugs up to there is a yellow and a blue so which ones are negative and which ones are positive? Also, I have to put a connector on those wires.







