Friday, June 2nd, 2023 AT 7:47 PM
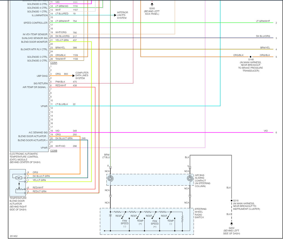
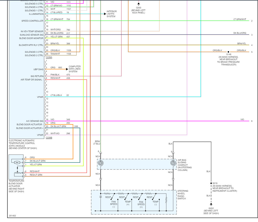
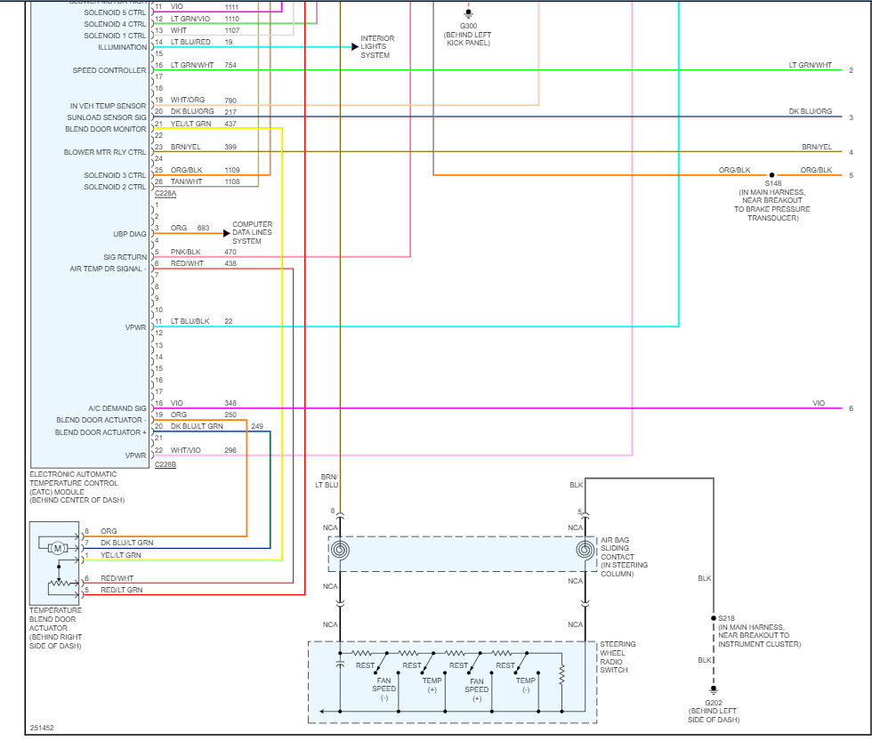
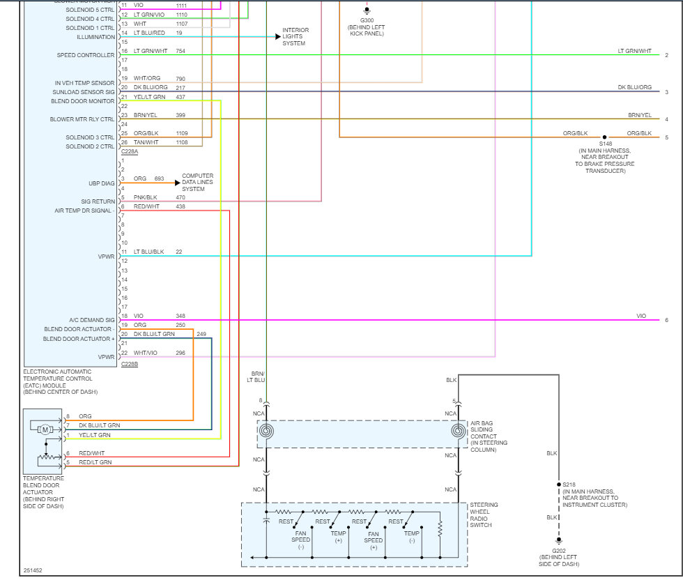
My A/C worked sporadically seeming to only work right when the truck started but if I turned it off it wouldn't come back on. It also began to only get cold the faster I drove, while letting up on the accelerator it would begin to blow warm air. I found that the vacuum hose had been disconnected from the heater arm under the hood, so I connected it and watched as the vacuum pulled the arm closed. Still, the A/C would act the same. I had the freon removed and recharged the A/C myself noticing the clutch was continuously coming on and off even after a reasonable amount of freon had been charged. I added ~42 ounces, the air was ice cold, and the pressure was reading 30psi/low over 200psi/high. All of a sudden, the clutch disengaged. Back to the same issue. I added an orifice tube filter which was missing from my system. I checked the voltages and ground to the relay. I checked the voltages and ground to the pressure switch. The continuity was fine, and the switch was closed but the clutch would not engage. I unplugged the pressure switch pigtail and plugged it back in, boom clutch engaged continuously for about 5 minutes and the off it went. I replaced the pressure switch, but the same issue persists. No engine lights but I ran an obdII diagnostic anyways. It had thrown an A/C relay error. Ah-ha! Replaced the relay and same problem persist. I rechecked the continuity and voltages, they were perfect. I went around the entire truck checking grounds, all good. Could it be the climate control module? Maybe the clutch is bad? It just seems like the compressor and clutch are working perfectly when they are running but something else is shutting them off.





















