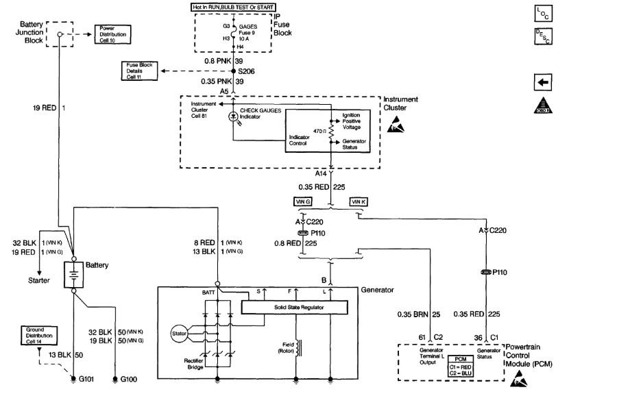
I know I can trust the gauge inside the vehicle because I have tested using a volt meter.
When I start the car the charging system is perfect, just above 13 volts. And it stays that way until the thermostat opens. That is when things change.
When I stop at a light, I can watch the meter go down to 10 volts, just right above the red zone. If I depress the gas pedal in any gear the charging system will go to 12.6 volts and never any higher. When I start moving, the charging system will stay at 12.6 volts.
Time to hammer down the six pack. Keep in mind I do almost 100% of my driving during daylight hours. Over the past few days I have had to do some night driving. When I flip the head lights on, the charging system stayed above 13 volts whether or not I was moving. The needle never dropped.
When I am coming to a stop I push the gear into neutral. That slows down the process. When I come to a stop I increase the RPM's from 700 to 1000 or 1100. Most of the time that is enough. Recently I have had to go as high as 1,500 RPM's in order to achieve the same results. And that's just holding at 12.6 volts. Even if I run the RPM's up to 3,000, the charging system is still only charging at 12.6 volts. As a result there is no point in forcing a higher RPM than what I can achieve at 1,100 unless the gauge starts to drop when I am at 1,100. (Is the beer helping?)
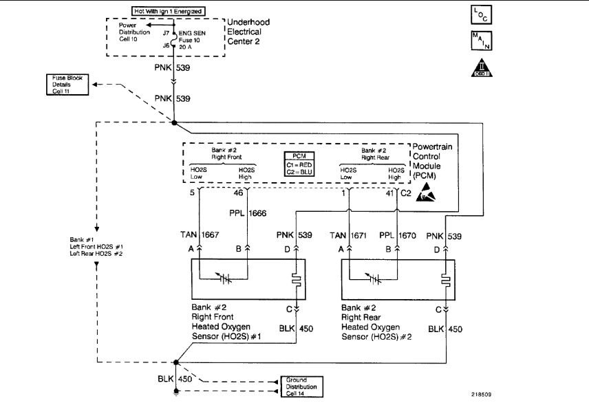
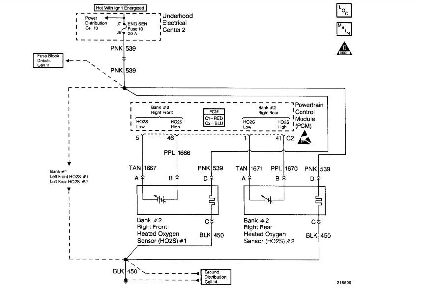
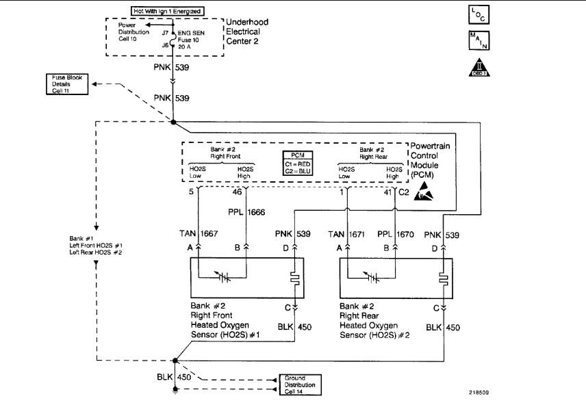
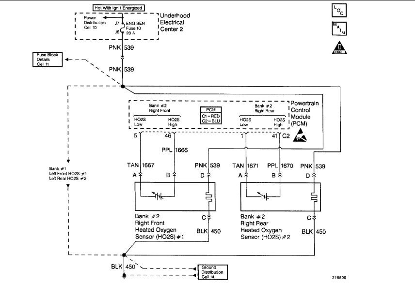
There is one other thing. When I have the charging issue, the temperature gauge will be at about 200 degrees. When I do not, the temperature is about 165 degrees. I think this is a result of the low voltage because when I have the issue, the AC is not as cold, I will receive an error message P430, which is not valid. I have not received that error since I realized that manually increasing the RPM's helps to minimize problems.
I hope I provided enough information. If you have any clue as to what can be wrong, I would love to know.
Thanks in advance,
Steve
Sunday, July 22nd, 2018 AT 6:40 PM




