Wednesday, September 23rd, 2020 AT 12:52 PM
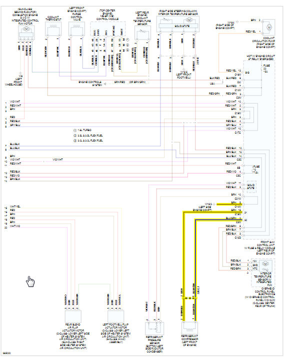
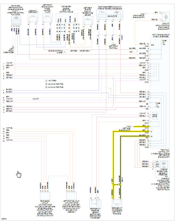
Hello, I am working on vehicle, the compressor is not engaging when the button is pressed. I have checked for fuse and relay they are in good condition. I connected the compressor directly to the battery, it work perfectly so the problem is not the compressor. I don't know if I could have the circuit diagram on the air-conditioning system.



