Compression testing

Tiny
BRIDGES77
  • MEMBER
  • 1998 FORD MUSTANG
  • 4.6L
  • V8
  • 2WD
  • MANUAL
  • 125,000 MILES
These are my numbers from a compression test. Full battery, throttle body wide open, 10 second cranks.
Dry
1 200 5 195
2 180. 6 200
3 195. 7 200
4 195. 8 200
Wet
1 220. 5 220
2 220. 6 230
3 220. 7 220
4 225. 8 225

What do these numbers say about this engine? Thanks
Saturday, February 22nd, 2020 AT 1:49 PM

18 Replies

Tiny
KASEKENNY
  • MECHANIC
  • 18,907 POSTS
Tells me there is nothing wrong with the ability to seal and create compression. Basically Ford says you need your lowest compression reading to be within 75% of the highest cylinder. You are well within that.

Looks good from a compression standpoint. Let me know if you have other questions about this. Thanks.
Was this
answer
helpful?
Yes
No
Saturday, February 22nd, 2020 AT 4:28 PM
Tiny
BRIDGES77
  • MEMBER
  • 35 POSTS
So if the rings were worn or damaged the reading would have been significantly lower, say 80 or below? Thanks
Was this
answer
helpful?
Yes
No
Saturday, February 22nd, 2020 AT 5:03 PM
Tiny
KASEKENNY
  • MECHANIC
  • 18,907 POSTS
Correct. If the compression ring were worn which is the top ring on the piston. This is the ring that contains the compression in the chamber. So if this were an issue the compression would be lower.
Was this
answer
helpful?
Yes
No
Saturday, February 22nd, 2020 AT 5:57 PM
Tiny
BRIDGES77
  • MEMBER
  • 35 POSTS
Thank you much, today I am going to do a leak down test and see what I can find.
I will post back later.
Was this
answer
helpful?
Yes
No
Monday, February 24th, 2020 AT 7:45 AM
Tiny
KASEKENNY
  • MECHANIC
  • 18,907 POSTS
Okay. A leak down test is definitely a good idea for low compression as that will show where you are losing the compression. However, I think I am missing something. Your numbers did not show low compression. Was one of them 80 PSI that you mentioned later?
Was this
answer
helpful?
Yes
No
Monday, February 24th, 2020 AT 2:43 PM
Tiny
BRIDGES77
  • MEMBER
  • 35 POSTS
Nope just those numbers before, I want to see if I’m getting lean codes from something internal. Are those compression numbers showing a solid bottom end?
Was this
answer
helpful?
Yes
No
Monday, February 24th, 2020 AT 5:00 PM
Tiny
KASEKENNY
  • MECHANIC
  • 18,907 POSTS
Those numbers are showing a sound engine. Meaning it is able to seal and build compression so that is not the cause of your lean exhaust.

Here is a guide that covers the basics on this. Run through this and let me know what questions you have because given this info it sounds like it will get you on the right path. Once there you may figure this out on your own because your thinking as been correct to this point. Just needs a little different direction on what causes a lean condition.

https://www.2carpros.com/articles/repair-lean-mixture-codes-p0171-or-p0174-on-some-manufacturers
Was this
answer
helpful?
Yes
No
Tuesday, February 25th, 2020 AT 4:48 PM
Tiny
BRIDGES77
  • MEMBER
  • 35 POSTS
Okay, so I put compressed air to all the cylinders at TDC. Used a vacuum gauge to find TDC. My leak down tester is coming in the mail tomorrow. But based off my results can you help explain them?

1, 2, 3, 4- leaks out of the oil fill, exhaust, and intake.
5, 6, 7, 8- leak out of the oil fill, exhaust, and intake.
Done on a cold motor.

Thanks again.
Was this
answer
helpful?
Yes
No
Wednesday, February 26th, 2020 AT 7:42 AM
Tiny
KASEKENNY
  • MECHANIC
  • 18,907 POSTS
Couple things are not adding up. Your compression readings were between 180 and 200 PSI correct? Then you found leaking on all 8 out of the crankcase, and both valves?

These two things are conflicting facts. If you can hear air escaping from all of these areas, either you didn't have it on TDC or the compression numbers are wrong.

When you say you used the vacuum gauge to find TDC is this how you did it?

https://youtu.be/u2sA-q7_FtQ

The other thing to watch is you are not using full air pressure from a compressor. You only want to use 20-30 PSI or you will actually push the piston down until it opens a valve and then you may think you have a leak.
Was this
answer
helpful?
Yes
No
Wednesday, February 26th, 2020 AT 7:09 PM
Tiny
BRIDGES77
  • MEMBER
  • 35 POSTS
I was kind of thinking that maybe the pistons weren’t all the way to TDC, and yes that is the video I used. I was going to retest cylinders using my vacuum gauge and a wooden dowel (to watch travel). This was my first attempt to push air through the cylinders so I had my doubts as to how accurate I was. Also I had the regulator set on my compressor to around 20 psi. My leak down tester will be here today, if I set it up and have air running through a cylinder can I rotate the crank to see if it will seal? Verify with the wooden dowel? Thank you so much for your help and patience.
Was this
answer
helpful?
Yes
No
Thursday, February 27th, 2020 AT 3:50 AM
Tiny
KASEKENNY
  • MECHANIC
  • 18,907 POSTS
Understood. If you are going to do the wooden dowel just put your thumb over the spark plug hole and when it is coming up on the compression stroke it will push your finger off the hole or whistle if you leave a slight opening. Once you know if it on the compression stroke then you can put the dowel in and stop it at the peak. Otherwise you may stop it on the transition between exhaust and intake strokes and this will have both valves open (which is where I think you were previously).

Keep me updated. Thanks
Was this
answer
helpful?
Yes
No
Thursday, February 27th, 2020 AT 5:17 PM
Tiny
BRIDGES77
  • MEMBER
  • 35 POSTS
Will do, thanks.
Was this
answer
helpful?
Yes
No
Thursday, February 27th, 2020 AT 6:12 PM
Tiny
BRIDGES77
  • MEMBER
  • 35 POSTS
Okay, here are the leak down numbers gauge was set at 90 psi:
1-87.
2-80
3-84
4-86
5-80
6-86
7-84
8-86
Sorry for the delay,
Thanks
Was this
answer
helpful?
Yes
No
Sunday, March 1st, 2020 AT 3:53 PM
Tiny
KASEKENNY
  • MECHANIC
  • 18,907 POSTS
Just so I am clear, those are your readings and not percentage of leakage correct? Did you already do the calculation? If not, your worst cylinders are only loosing 11% which is great. I don't see anything wrong with that engine's base operation.
Was this
answer
helpful?
Yes
No
Sunday, March 1st, 2020 AT 6:25 PM
Tiny
BRIDGES77
  • MEMBER
  • 35 POSTS
That is great news then, thanks so much for your help. God bless you!
Was this
answer
helpful?
Yes
No
Monday, March 2nd, 2020 AT 3:03 AM
Tiny
BRIDGES77
  • MEMBER
  • 35 POSTS
And yes those are my readings not the calculation.
Was this
answer
helpful?
Yes
No
Monday, March 2nd, 2020 AT 3:04 AM
Tiny
BRIDGES77
  • MEMBER
  • 35 POSTS
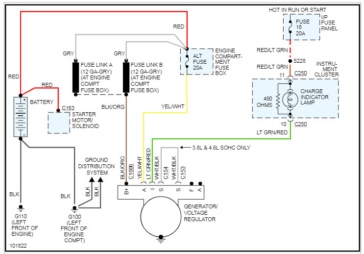
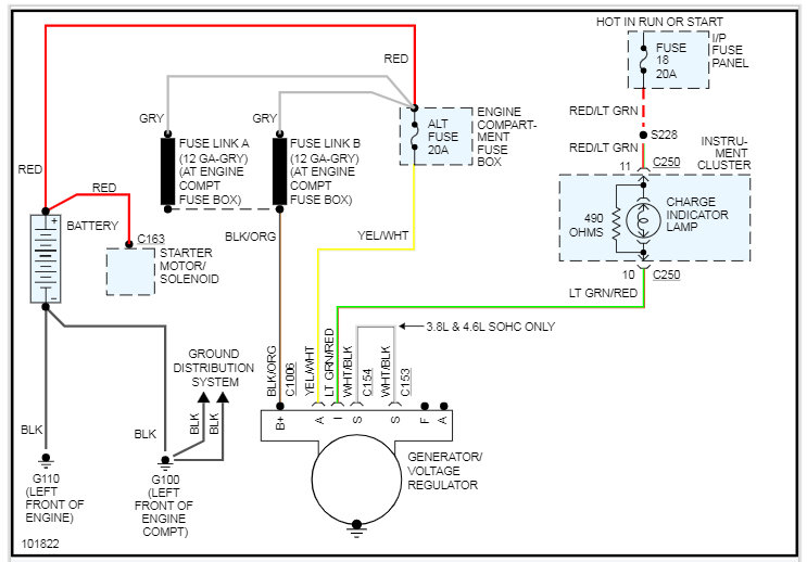
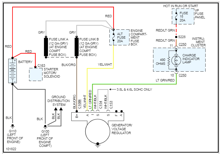
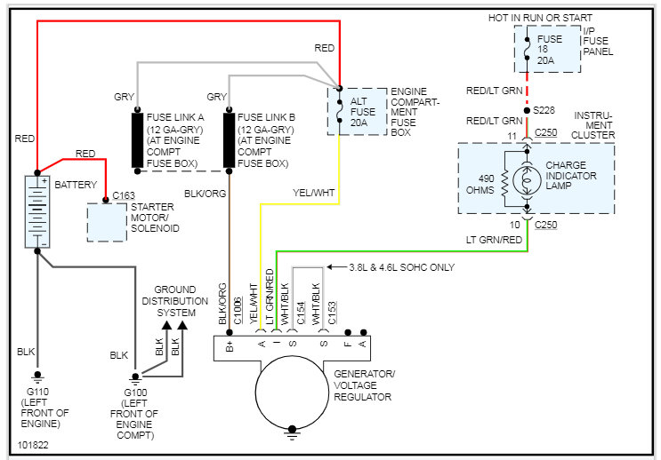
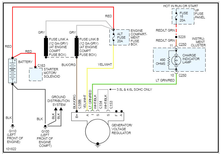
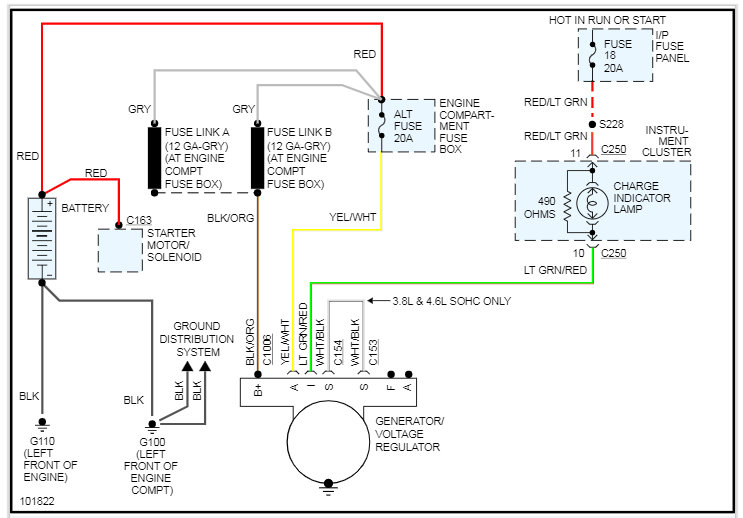
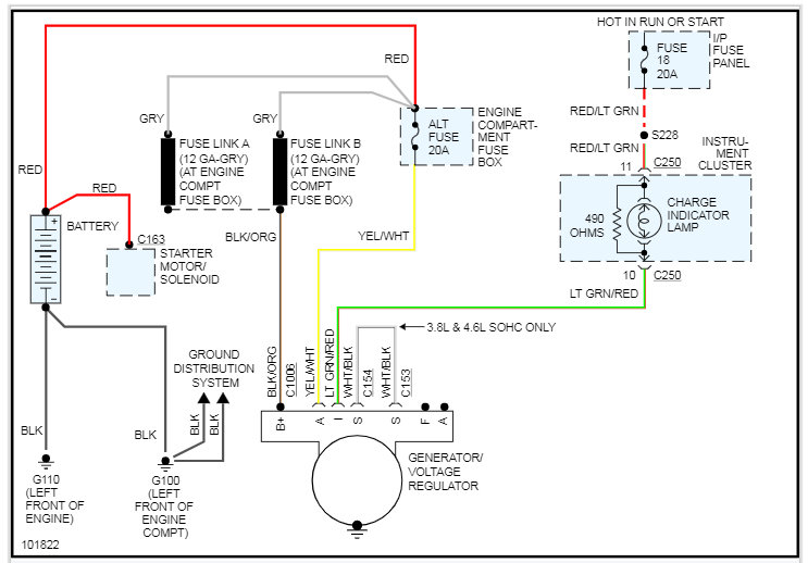
Do you have access to a wiring diagram for the charging system? My alt fuse keeps blowing under the hood, I have a new battery and alternator. What wires would have to short in order for this fuse to blow? Thanks again
Was this
answer
helpful?
Yes
No
Monday, March 2nd, 2020 AT 11:46 AM
Tiny
KASEKENNY
  • MECHANIC
  • 18,907 POSTS
We need to start a new thread for this topic because others will not find it under this header.

https://www.2carpros.com/questions/new

However, I supplied the diagram below.

Let's get a new post started with this one and we will get it figured out. Thanks
Was this
answer
helpful?
Yes
No
Monday, March 2nd, 2020 AT 3:47 PM

Please login or register to post a reply.