Thursday, September 1st, 2022 AT 11:45 AM
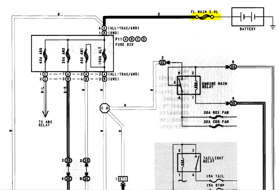
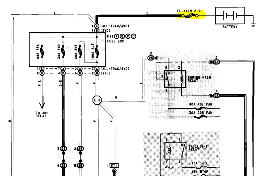
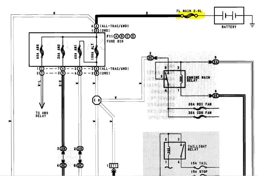
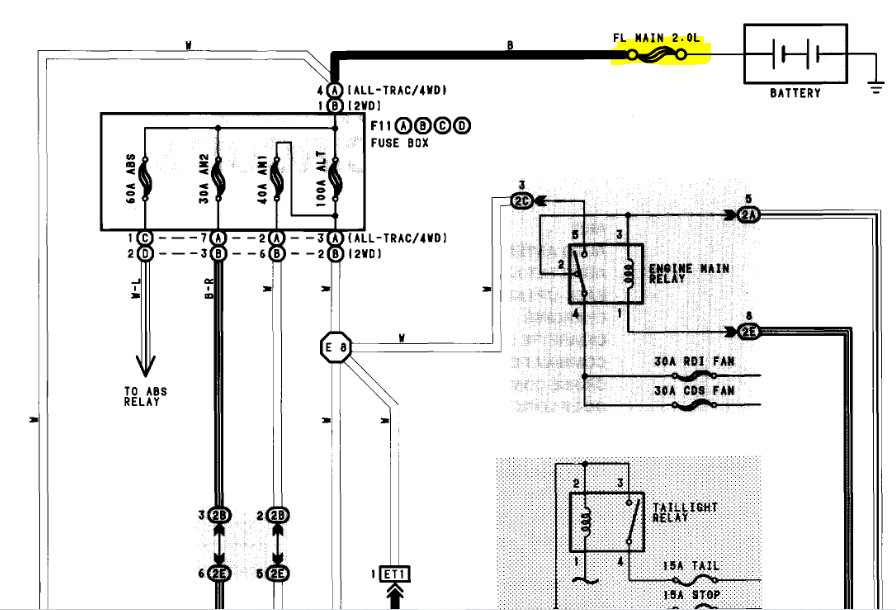
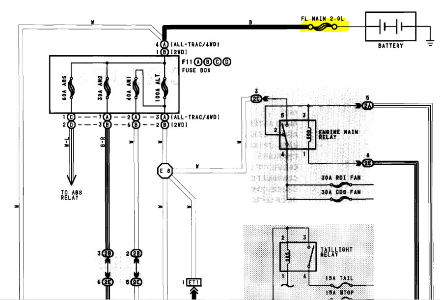
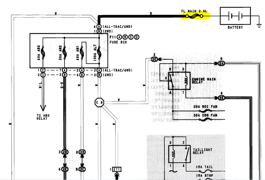
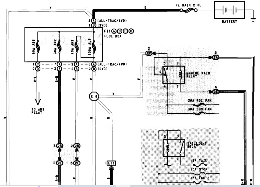
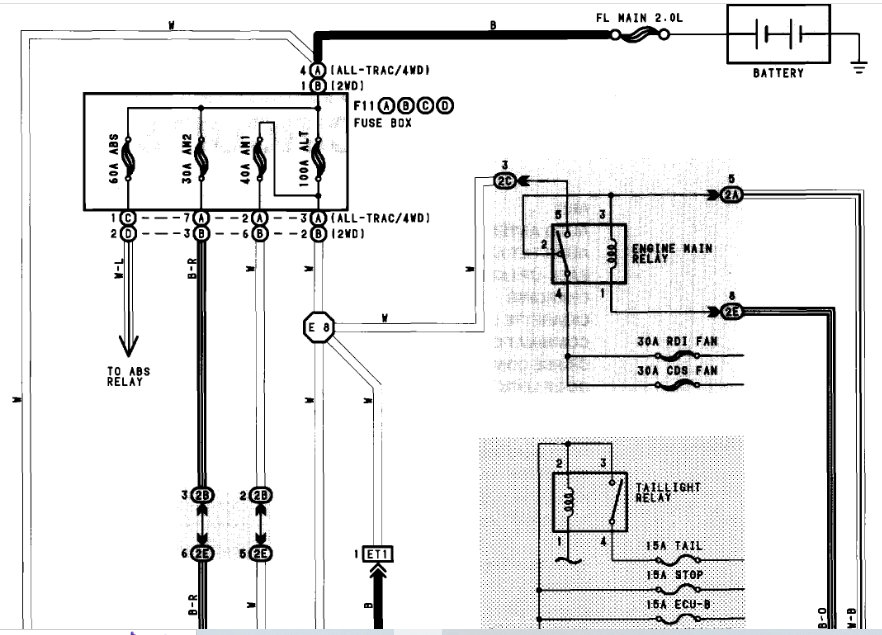
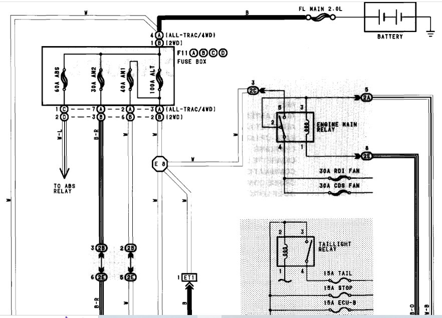
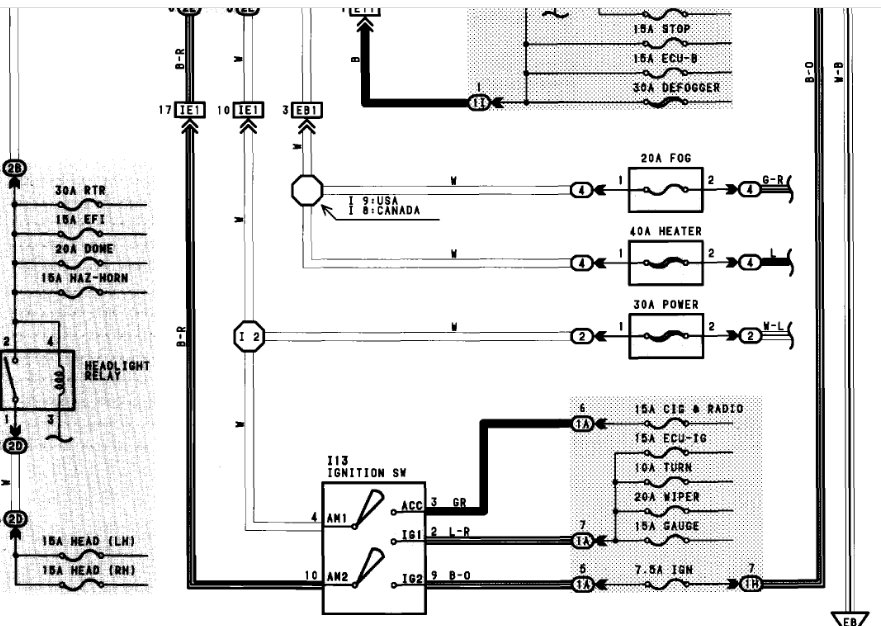
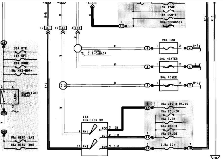
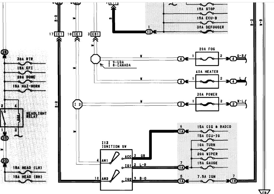
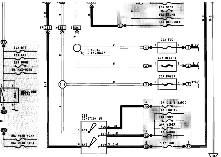
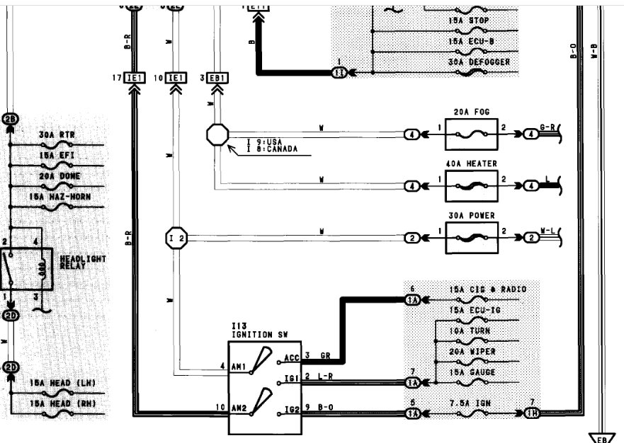
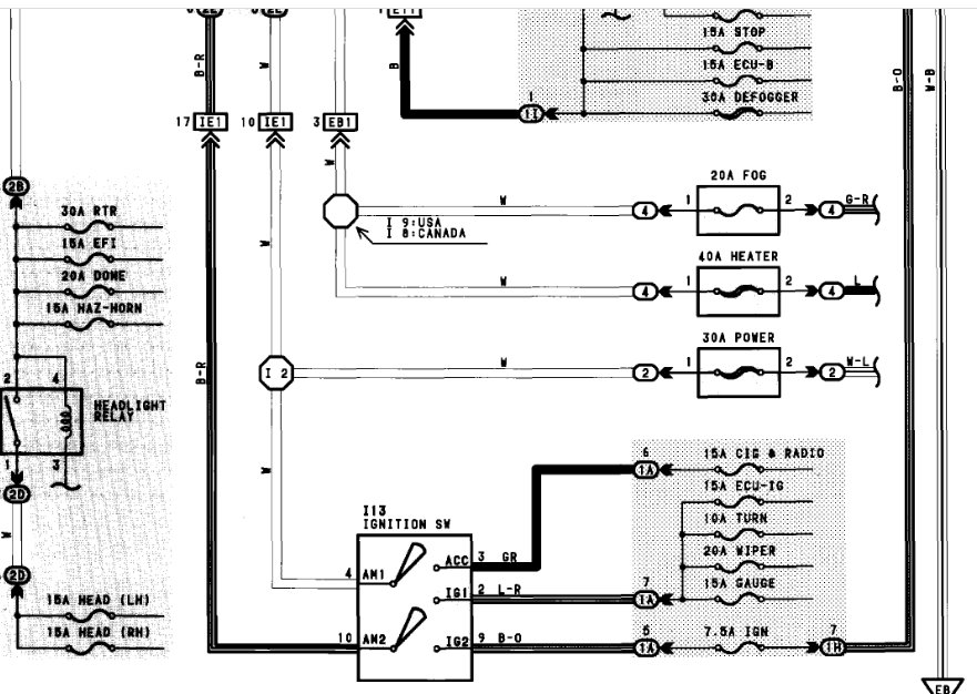
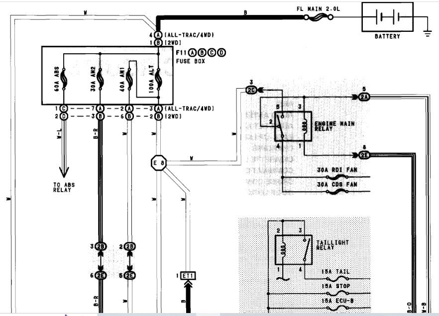
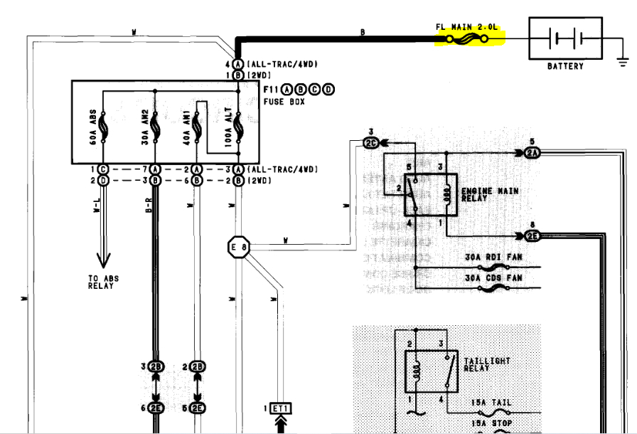
While driving down the road, my car had a complete loss of electrical systems. No dash lights, no instrument panel, nothing. I can still shift in and out of neutral. Battery tested fine, a little corrosion on the terminals that were cleaned but still no go. I’m not sure about the fuse blocks because I believe they are custom, but I know I have power running to them. The person who owned the vehicle before me did not take the best care of it.





