Crank not start and codes U0121:00, U0151:00, P0460:13

Tiny
POCKETS 4411
  • MEMBER
  • 2013 FORD F-250
  • 6.2L
  • V8
  • 2WD
  • AUTOMATIC
  • 270,000 MILES
Truck will not start, it turns over. Also, service advance track and low fuel message on.
Friday, October 22nd, 2021 AT 9:20 AM

5 Replies

Tiny
JACOBANDNICKOLAS
  • MECHANIC
  • 110,194 POSTS
If these are the only codes, I'm not sure what would be preventing it from starting. Here is a description of each code:

U0121:00 BCM lost communication with the ABS control module

U0151:00 ABS module lost communication with the restraint control module (RCM)

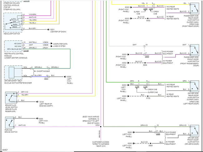
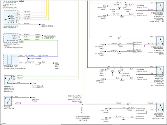
P0460:13 Fuel level sensor circuit A (see pic 1)

The U codes wouldn't prevent it from starting. However, indirectly, the 460 could if in fact the fuel level float is stuck and it's actually out of fuel could be the cause of a no-start. (It's just a thought). LOL Let me know if you are sure, it is getting fuel to the engine.

Also, let me know what checks have been done and if there are any other codes stored.

Take care,

Joe

See pic below.
Was this
answer
helpful?
Yes
No
+1
Friday, October 22nd, 2021 AT 9:18 PM
Tiny
POCKETS 4411
  • MEMBER
  • 3 POSTS
I said it would turn over, but it doesn’t. I’ll check the starter and wiring when we get it back on the rack. Thanks
Was this
answer
helpful?
Yes
No
Saturday, October 23rd, 2021 AT 7:33 AM
Tiny
JACOBANDNICKOLAS
  • MECHANIC
  • 110,194 POSTS
Hi,

No problem. If you have the chance, let me know what you find or if there is anything I can help you with.

Take care,

Joe
Was this
answer
helpful?
Yes
No
+1
Saturday, October 23rd, 2021 AT 8:00 PM
Tiny
POCKETS 4411
  • MEMBER
  • 3 POSTS
Now I got a b10f1:14 and p0460:13 replaced fuel pump assy. Engine starts and then shuts off.
Was this
answer
helpful?
Yes
No
Wednesday, November 17th, 2021 AT 7:31 AM
Tiny
JACOBANDNICKOLAS
  • MECHANIC
  • 110,194 POSTS
Hi,

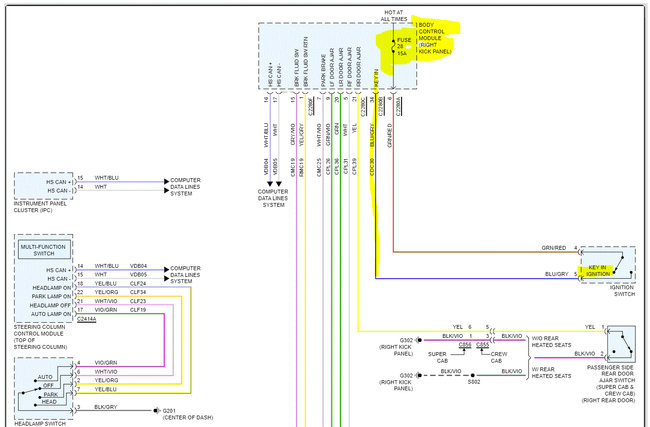
The B code is related to an open circuit in the key in switch. In most cases, the switch needs to be replaced. However, it could indicate an issue with the wiring to it, the body control module, or even the instrument cluster.

When you put the key in the ignition, does the warning chime turn on?

The P0460 is an issue with the fuel level sensor. The one thing that I see in common is the instrument cluster could cause both.

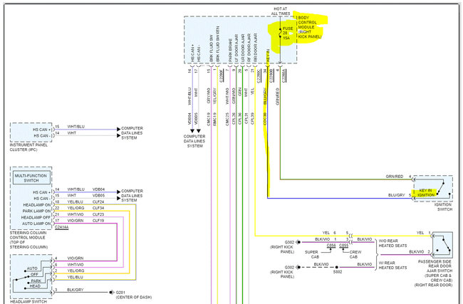
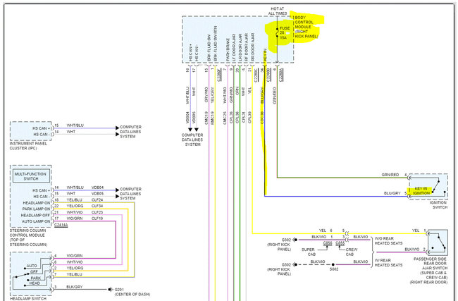
I attached a schematic showing the circuit for this switch. Keep in mind, it is integral with the ignition switch. There is a fuse designated for it, fuse 28 interior right kick panel, that you could check. See pics below.

Let me know if there is an issue with either of the things I mentioned. Also, if you could possibly record what is happening and upload it for me, it may be helpful.

Let me know.

Joe
Was this
answer
helpful?
Yes
No
Wednesday, November 17th, 2021 AT 7:21 PM

Please login or register to post a reply.