Code PO62A?

Tiny
AL514
  • MECHANIC
  • 5,568 POSTS
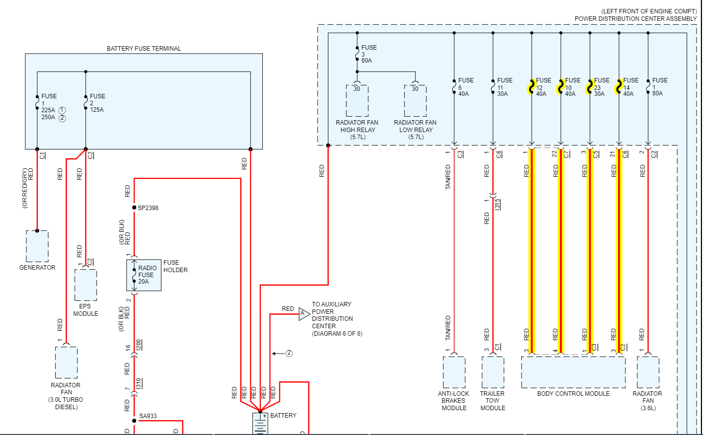
Are you still seeing that drop in fuel pressure? I really think that is causing the code to set, as for the rear oxygen sensors reading 99%, that is most likely a substituted value. If the voltage is staying steady on the rear sensors, then thats ok. Im concerned with the pressure drop. Its either the fuel pump module failing or the pump failing. If you are still seeing the pressure drop it will need to be verified with a fuel pressure gauge T'd into the Fuel Rail, Im looking at the fuel pressure test right now, and unless you see a service port on the fuel rail a gauge will need to be hooked up between the feed line and the rail. Do you have a fitting on your fuel rail that looks like this? (2nd diagram) And is there any capped off service port on the fuel rail?
There are a number of different type of connectors used on these vehicles, so when you verify if the pressure is still having issues, we can go over these.

One other thing, when watching the fuel pressure, have the Fuel Trim pids up on the scan tool as well, and see if those numbers go positive when you lose fuel pressure.
Was this
answer
helpful?
Yes
No
Wednesday, November 2nd, 2022 AT 10:47 AM
Tiny
GUNDOGDS
  • MEMBER
  • 20 POSTS
I forgot I did have a code that rear cab mounted brake light was shorted to ground took cover off bulb was blown figured c that was why I got code?
Was this
answer
helpful?
Yes
No
Wednesday, November 2nd, 2022 AT 11:26 AM
Tiny
AL514
  • MECHANIC
  • 5,568 POSTS
So, you've gotten just those two codes so far? Do you remember the code number?
The upper mounted brake light goes directly to the Body Control module, did you happen to check for any blown fuses, and do you have anything else not functioning correctly? These are the fuses that power the Body Control Module. A shorted brake light circuit that set a code must have blown a fuse, I'm surprised it set a code, it must be a monitored circuit by the BCM.
Was this
answer
helpful?
Yes
No
Wednesday, November 2nd, 2022 AT 11:29 AM
Tiny
GUNDOGDS
  • MEMBER
  • 20 POSTS
Okay, I'm about give up on this. Lol 2 more codes now.
Was this
answer
helpful?
Yes
No
Wednesday, November 2nd, 2022 AT 11:25 PM
Tiny
GUNDOGDS
  • MEMBER
  • 20 POSTS
When it drops is when I let off the gas and get back on the gas.
Was this
answer
helpful?
Yes
No
Wednesday, November 2nd, 2022 AT 11:27 PM
Tiny
GUNDOGDS
  • MEMBER
  • 20 POSTS
And yes, couldn't find blown fuse.
Was this
answer
helpful?
Yes
No
Wednesday, November 2nd, 2022 AT 11:28 PM
Tiny
AL514
  • MECHANIC
  • 5,568 POSTS
Okay, and that first fuel trim I see there going from 18% to 25% to 32% on bank 1 is a result of the low fuel pressure. It almost sounds like maybe your APP sensor on the gas pedal is shorting out the 5-volt reference circuit. Both of those sensors setting codes work off the 5-volt reference circuit. Or something is going on with the PCM. Turn the key Off and check this PCM connector C2 for any corrosion or other issue. Those 2 circuits, the oil temp and intake air temperature are right next to each other in the PCM connector. We may have to check the ground connections on the truck too, a high code usually means a loss of ground, it sends the voltage signal high. Check the ground straps on the frame to the body for any sign of corrosion or if it is a braded connection that it is not falling apart. The ground straps go bad fast in states where they use salt on the roads. There should be a few main frame to body straps under the truck.

Bank 1 is the passenger side of the truck, check there first, but do a thorough check of the entire under side of the truck. Something is progressing here, and it sounds like a bad ground getting worse to me. Here are some main ground locations, but also check that PCM connector.
Was this
answer
helpful?
Yes
No
Thursday, November 3rd, 2022 AT 7:38 AM
Tiny
AL514
  • MECHANIC
  • 5,568 POSTS
Okay, for both of these codes, look up the actual voltage reading for them both, the code setting criteria is both sensors are reading high than 4.95volts, and they are both on only a 5v reference feed circuit, so there might be a short to power going on here, and because things are getting worse, I think there's a main connector or section of harness that has shorted out. With this many issues at once, I usually end up finding a connector or fuse panel that has water intrusion. Eventually this is going to end up a no start condition. If you look at the 2nd code below, notice all the I/M readiness monitors in red. That means they have failed to pass. The fuel system, the catalytic converter, the evap system, the oxygen sensors, the oxygen sensor heaters, and the EGR valve. All those self tests have failed recent drive cycles. All this has to be linked together somehow, either the PCM connectors, some bulk connector, or main ground issue,
i can see the fuel trims jumping up every time you lose fuel pressure,
Mi trying to find any circuits that link these issues together.
But measure the voltage at the Intake air temperature sensor and the oil temperature sensor, there should be a data pid with the voltage readings.
Also, due to all the faults, the PCM is going to do all kinds of strange things because of incorrect readings from multiple sensors.
Was this
answer
helpful?
Yes
No
Thursday, November 3rd, 2022 AT 1:27 PM
Tiny
GUNDOGDS
  • MEMBER
  • 20 POSTS
Today I started it and they're all green?
Was this
answer
helpful?
Yes
No
Saturday, November 5th, 2022 AT 5:33 PM
Tiny
GUNDOGDS
  • MEMBER
  • 20 POSTS
Then we leave the stepson after going there for supper and there mostly red again.
Was this
answer
helpful?
Yes
No
Saturday, November 5th, 2022 AT 7:57 PM
Tiny
AL514
  • MECHANIC
  • 5,568 POSTS
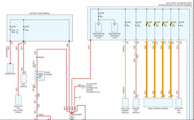
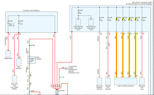
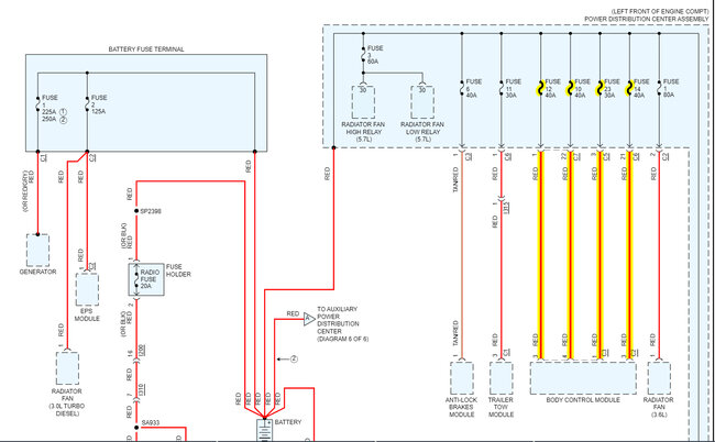
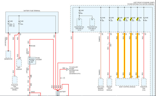
Is that the only code set today? Because we need to determine the variables here and come to a conclusion. The Pump module will do different things depending on the actual fault. For example, if the fuel pump is over drawing on current (which the module monitors) the Pump module will duty cycle to the pump very low to prevent the pump from completely failing, this may be why you are seeing a drop in fuel pressure at certain times.

When there is low pressure detected, lower than the PCMs desired pressure (which there should be a data pid for Desired Fuel Pressure and Actual Fuel Pressure), there will usually be other faults detected and codes set. This will cause the pump module to default to 80% duty cycle, The fact that other codes are setting points to a wiring issue if those codes are staying active, but it looks like you only have the one code today.
So going through more of the scan tools data pids after the vehicle has been driven and things are up to their highest temperatures, as well as starting to check the PCM connectors and checking the voltage readings at the pump module is the only way this is going to be diagnosed.
The entire system needs to checked. I would even go so far as to putting an amp clamp on the fuel pump main feed wire and see what its current draw is, But a lot of things need to be checked here before there is a major failure and the truck gets stuck on the side of the road.

The other two codes that were set were indicating a possible short circuit to power or open sensor ground wire sending the voltage signal high. But if those codes are intermittent, the fuel system needs to be checked first.
There is a whole list of tests to be done here with just the P062A code alone before something fails permanently. The diagnostics say what to expect, such as the feedback circuit being open, the voltage will read low 0.25 to 0.5volts. Normal is a 5.0volt circuit. Checking all the chassis grounds on the frame. It's all here.
Was this
answer
helpful?
Yes
No
+1
Saturday, November 5th, 2022 AT 7:59 PM

Please login or register to post a reply.