Code P2789? TCM is not working?

Tiny
BHAMDOC1973
  • MEMBER
  • 2010 AUDI A4
  • 4 CYL
  • TURBO
  • 2WD
  • AUTOMATIC
  • 132,000 MILES
Any recommendations or suggestions on this one? Any TSB?
Thursday, September 29th, 2022 AT 11:17 AM

5 Replies

Tiny
KEN L
  • MASTER CERTIFIED MECHANIC
  • 55,512 POSTS
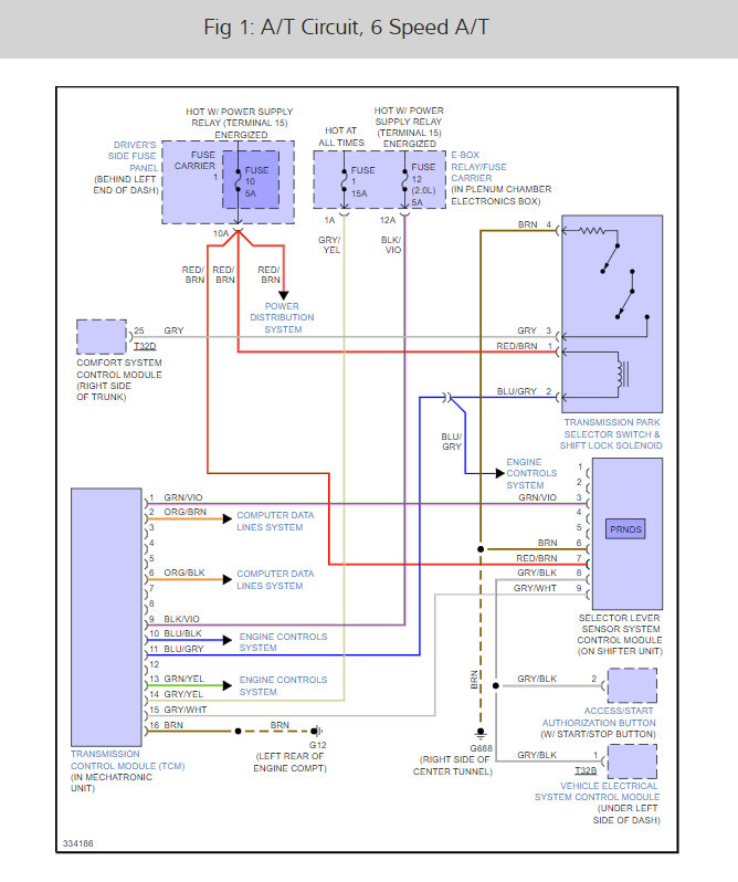
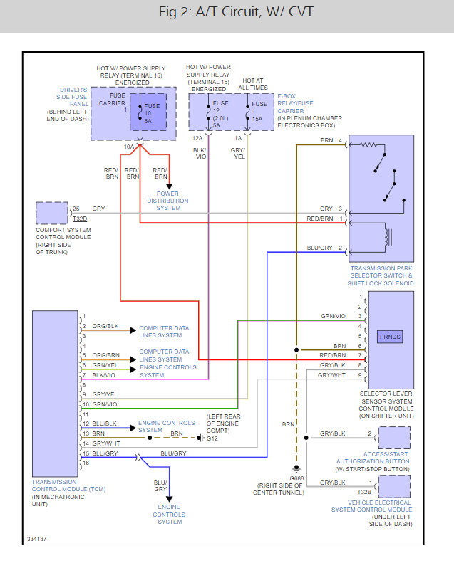
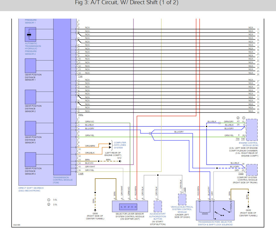
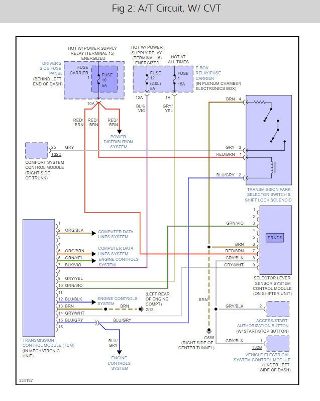
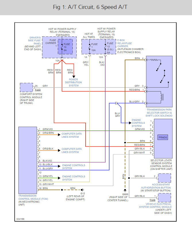
Let's try this again, the code P2789 in the manual indicates the TCM is not working. Here is how they say to fix it in the images below. Check out the images (below). Let us know what happens and please upload pictures or videos of the problem.
Was this
answer
helpful?
Yes
No
+1
Friday, September 30th, 2022 AT 12:37 PM
Tiny
BHAMDOC1973
  • MEMBER
  • 2,018 POSTS
I bought the car. It drives, engine smooth but has these codes and no check engine light. Deleted the codes only one back for now is p1575. Would any of these affect throttle for someone to think transmission is not responding? Because I am looking for that first transmission code I sent you and it's not there.
Was this
answer
helpful?
Yes
No
Monday, October 10th, 2022 AT 1:46 PM
Tiny
BHAMDOC1973
  • MEMBER
  • 2,018 POSTS
Also, just drive it drives good came back and scanned it and it has p1741.
Was this
answer
helpful?
Yes
No
Monday, October 10th, 2022 AT 1:48 PM
Tiny
BHAMDOC1973
  • MEMBER
  • 2,018 POSTS
Also, this is a 2wd not the 4wd.
Was this
answer
helpful?
Yes
No
Monday, October 10th, 2022 AT 5:24 PM
Tiny
KEN L
  • MASTER CERTIFIED MECHANIC
  • 55,512 POSTS
These cars are very temperamental so the transmission can be affected.

P1741 code is Torque Converter Clutch Solenoid harness is open or shorted, so this is a transmission related code as well which can be the TCM.

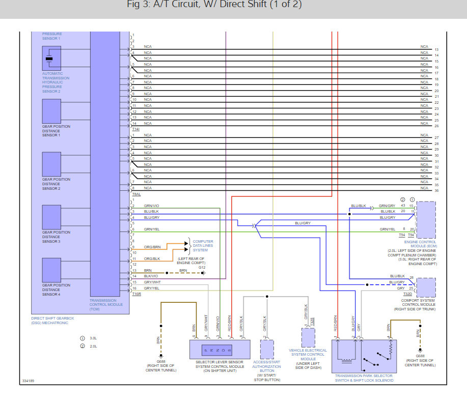
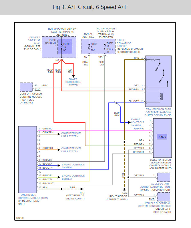
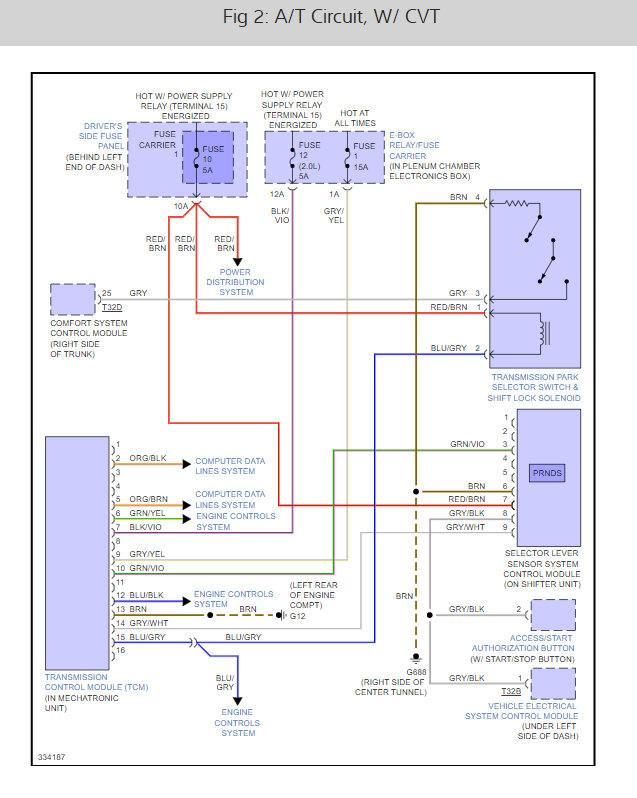
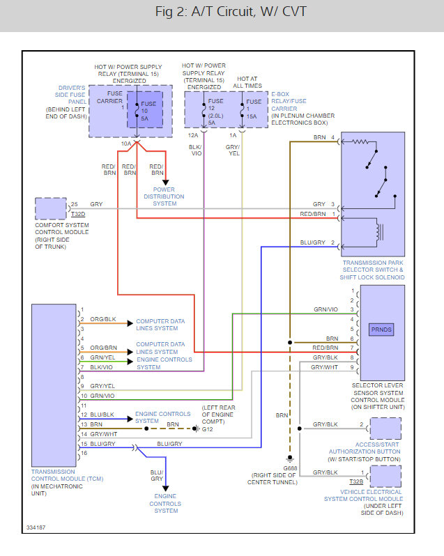
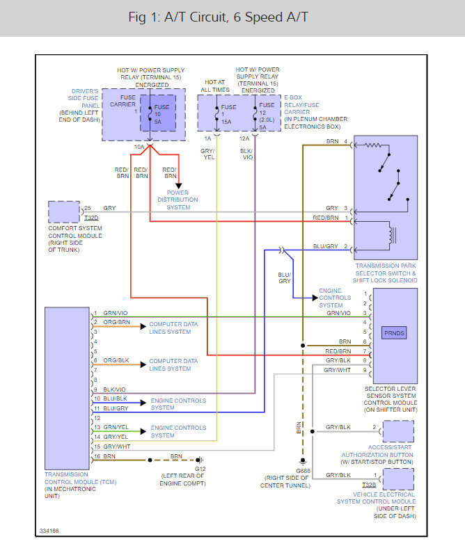
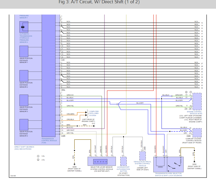
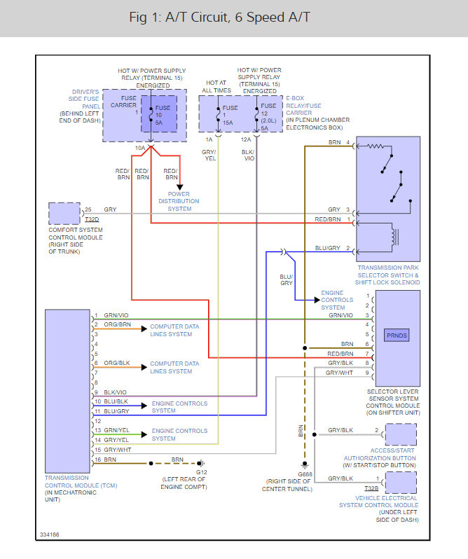
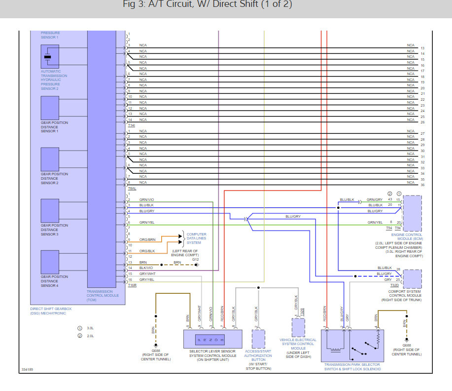
Here are the transmission control module wiring diagrams for the different transmissions. I would turn the key one and check the fuses in the diagrams for power. Let me know what you come up with.
Was this
answer
helpful?
Yes
No
Tuesday, October 11th, 2022 AT 12:05 PM

Please login or register to post a reply.