Monday, July 10th, 2017 AT 8:13 AM
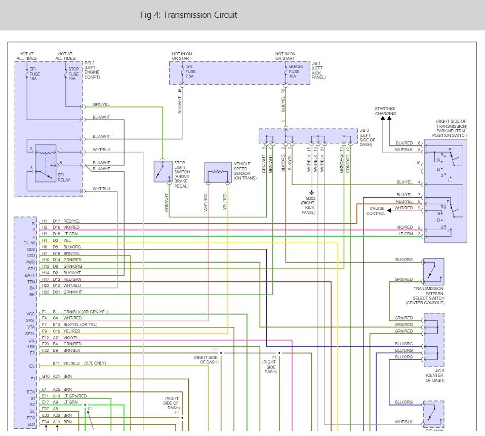
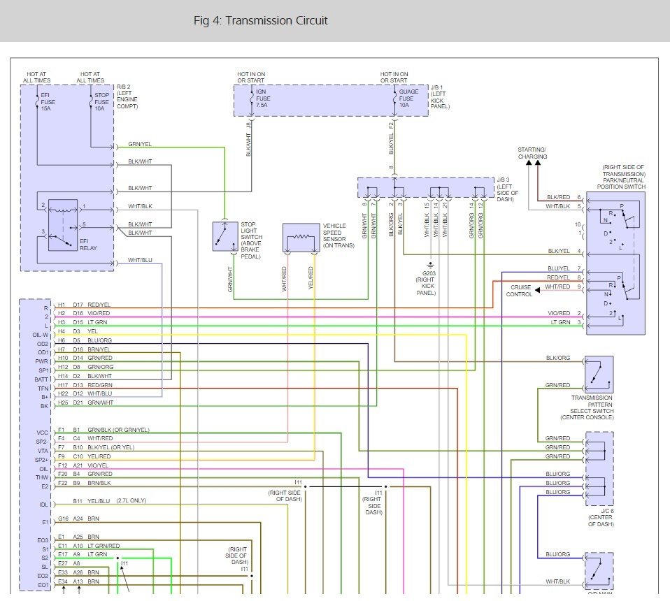
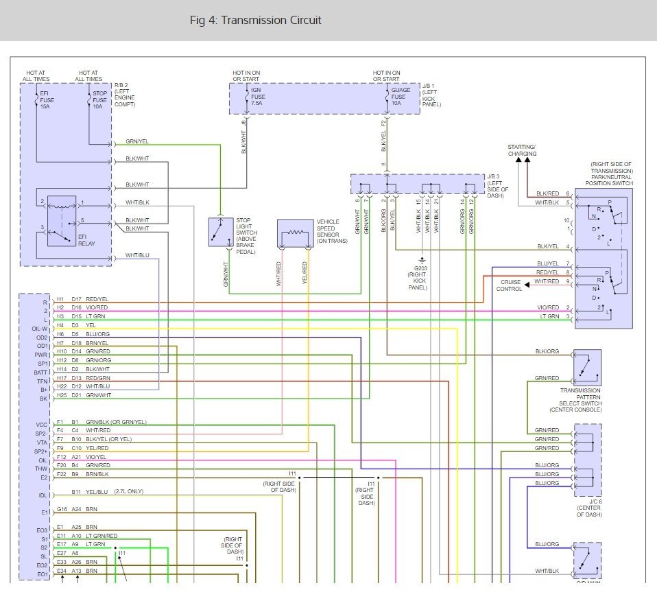
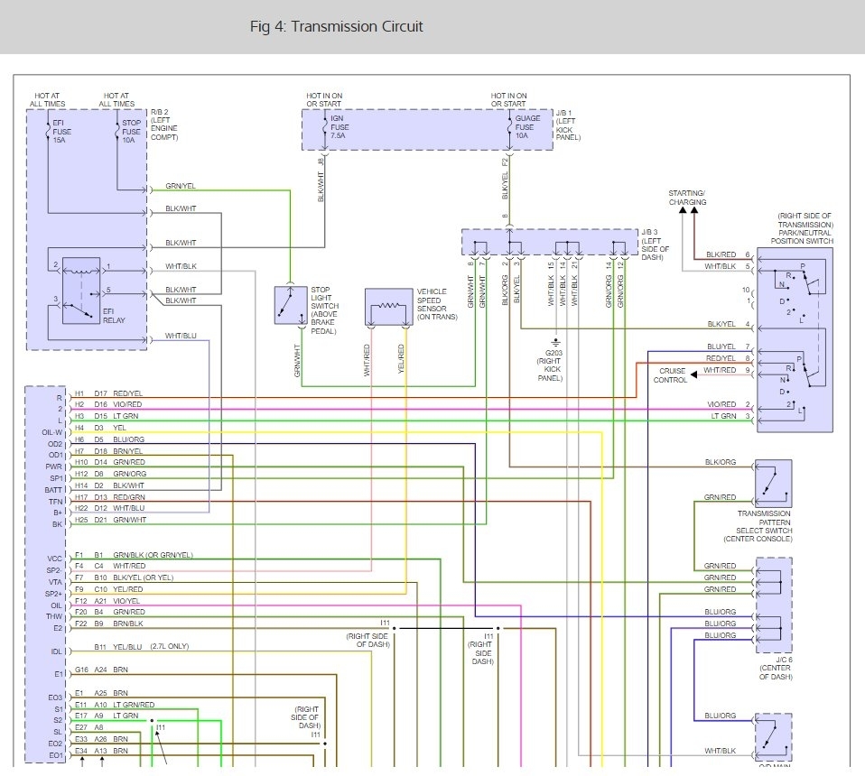
I switched out the neutral safety switch. Cleaned out the plug that plugs into very well I use toothpicks are used paper towels and I use electrical cleaner. Check engine light went off it was fine all weekend I drove about five miles this morning on my way back to check engine light went back on. Does anybody have any more options that I could be?




