Code P0340

Tiny
HENRY CUNNINGHAM
  • MEMBER
  • 2002 MITSUBISHI ECLIPSE
  • 2.4L
  • 4 CYL
  • FWD
  • AUTOMATIC
  • 168,000 MILES
My car made a pop noise and died on me. I can get spark from first coil plug, but not the second one. I checked for a code and p0340 came up for camshaft sensor. Replaced with a new one and still cannot get a spark from second coil plug.

Where exactly does the wiring harness for the camshaft sensor leads/plugs into? I am thinking something is grounded/shorted that is no't suppose to be but hard to tell with all the wires leading everywhere.
Thursday, June 16th, 2016 AT 11:13 PM

1 Reply

Tiny
KEN L
  • MASTER CERTIFIED MECHANIC
  • 55,077 POSTS
Hey HENRY,

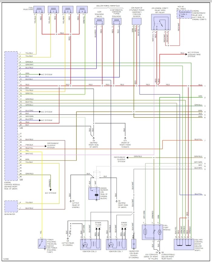
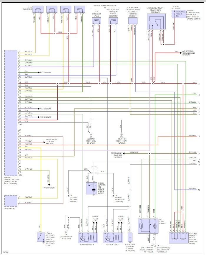
It sounds like you might have a computer that has gone bad, can you please check all fuses first though, here is a wiring diagram so you can check it.

Let me know what you find

Best, Ken
Was this
answer
helpful?
Yes
No
Saturday, June 18th, 2016 AT 9:50 AM

Please login or register to post a reply.