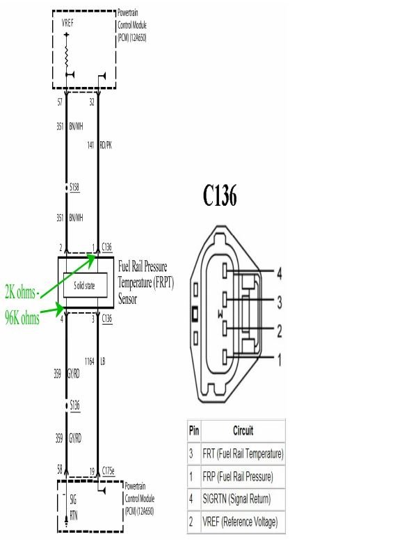
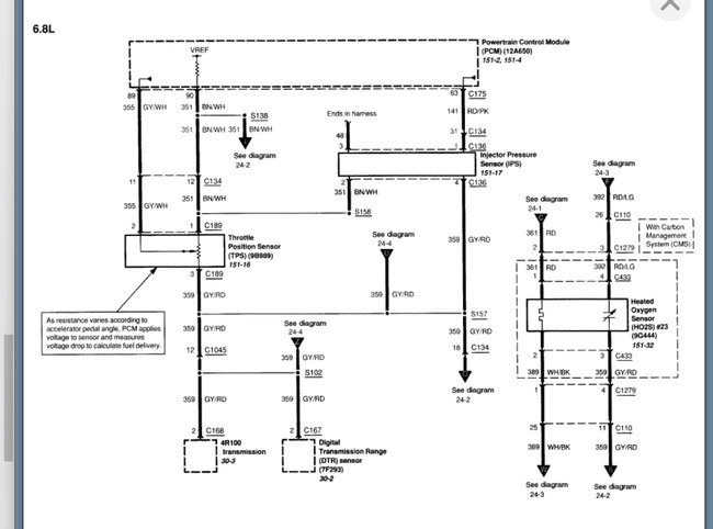
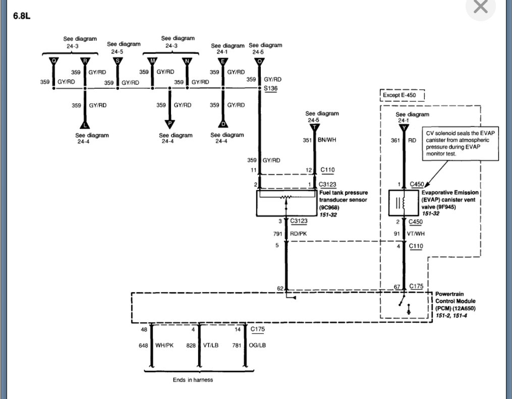
I changed the rail fuel pressure sensor (3 times).
I changed the fuel filter.
I changed the fuel pump control module.
I installed a gauge in line before the filter, and the pressure with the key on but the engine not running is 20PSI. The pressure with the engine running is between 38-40PSI.
The pressure in line decrease to almost zero in 24 hours.
The Snap On 'computer' told us that the sensor pressure signal is about 47PSI while running.
As soon as I erased the error code, I came back almost instantly.
I do not know if I have to change the pump or not.
Since the 'check engine' is not lighted. Is it an important problem or not?
Friday, November 12th, 2021 AT 11:02 AM














