Code P0016 after replacing CAM and crank sensors

Tiny
WALTERS01
  • MEMBER
  • 2008 JEEP WRANGLER
  • 3.8L
  • 6 CYL
  • 4WD
  • AUTOMATIC
  • 143,000 MILES
In search of a little help. I have a 2008 Sahara JKU. I gave the vehicle to my son who just got his drivers license. He has been driving it for several months now. He decided to put a throttle pedal controller on it. After he installed it the vehicle done fine for about four miles and then it started throwing engine codes P0335 and put the Jeep in reduced power mode. We removed the throttle controller and cleared the code but it came back within a few minutes. I replaced the crankshaft positioning sensor and cleared the code again. Drove the Jeep for a few minutes and got another code P0340 for the camshaft positioning sensor and right back into reduced power mode. So I replaced the camshaft positioning sensor. Cleared the codes and The jeep done fine for a few minutes and then threw another code. This time it's a P0016 and right back into reduced power mode.
Seems like I'm chasing my tail here. Any advise would be greatly appreciated!
Friday, August 23rd, 2019 AT 9:14 PM

1 Reply

Tiny
SCGRANTURISMO
  • MECHANIC
  • 4,897 POSTS
Hello,

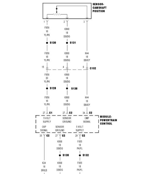
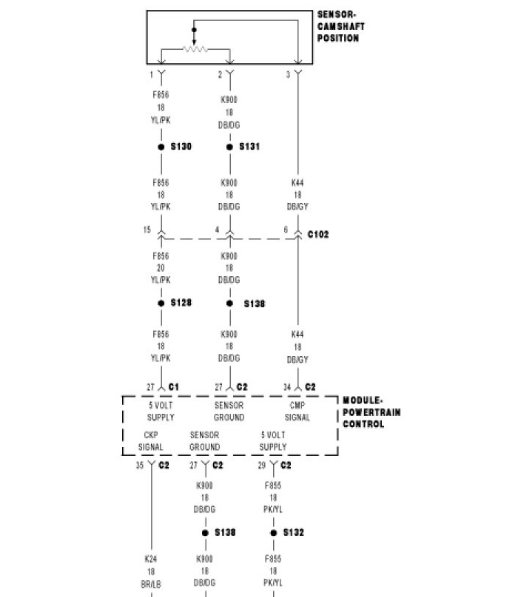
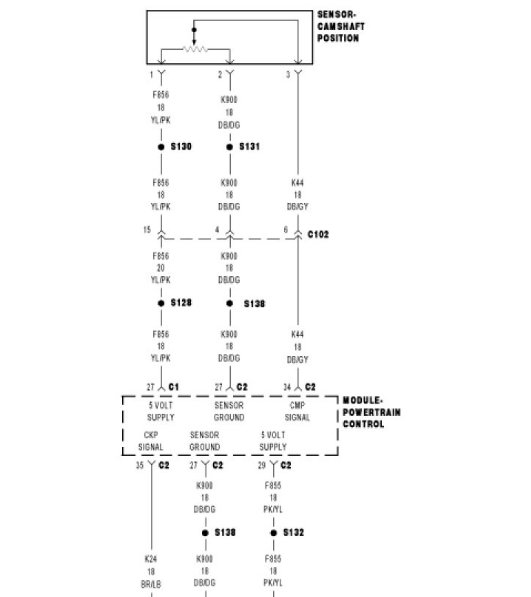
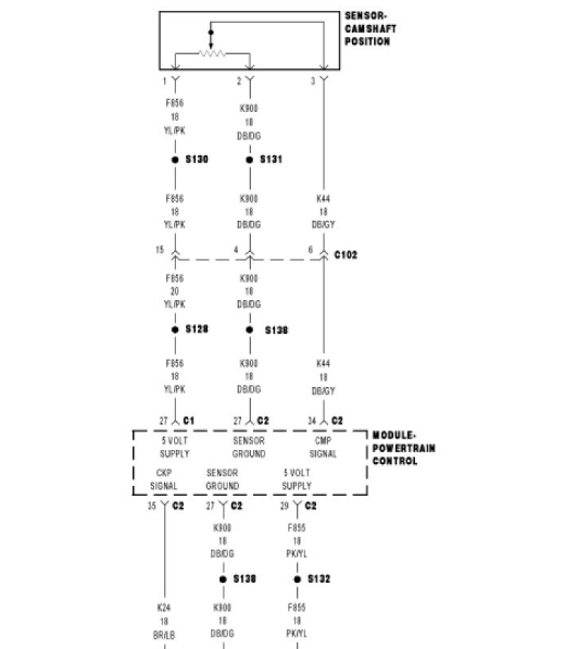
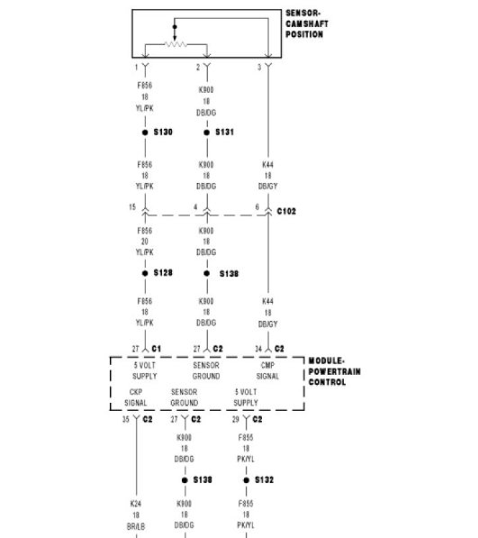
This Direct Trouble Code (DTC) is for a misalignment of the crankshaft and camshaft timing. It possibly could be caused by a corroded or damaged electrical connector on either the Camshaft Position Sensor (CMP) or the Crankshaft Position Sensor (CKP). I have included the factory diagnostic troubleshooting guide for DTC P0016 for your vehicle in the diagrams down below. Please go through this guide and get back to us with what you find out.

Thanks,
Alex
2CarPros
Was this
answer
helpful?
Yes
No
Saturday, August 24th, 2019 AT 4:43 AM

Please login or register to post a reply.