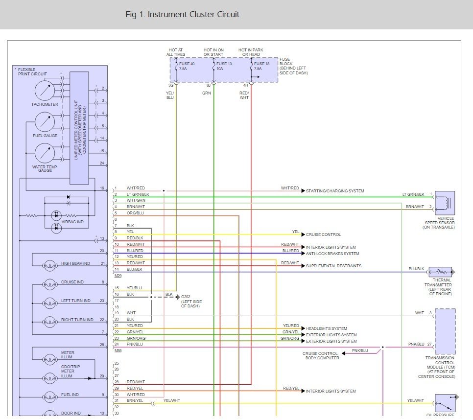
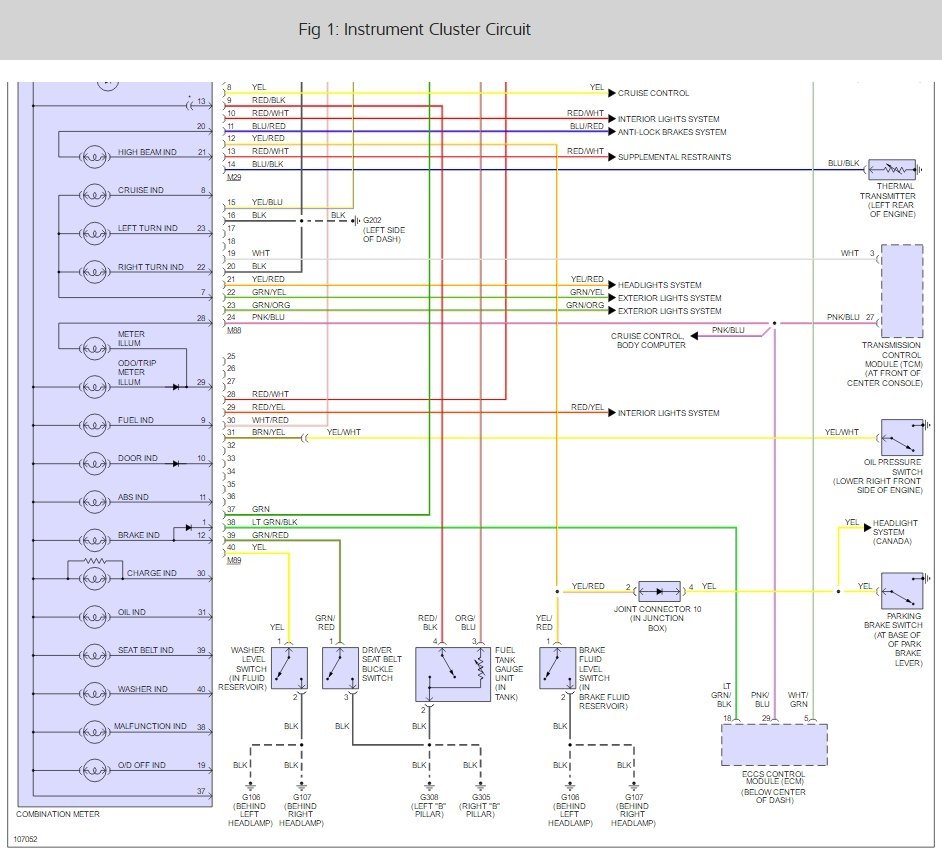
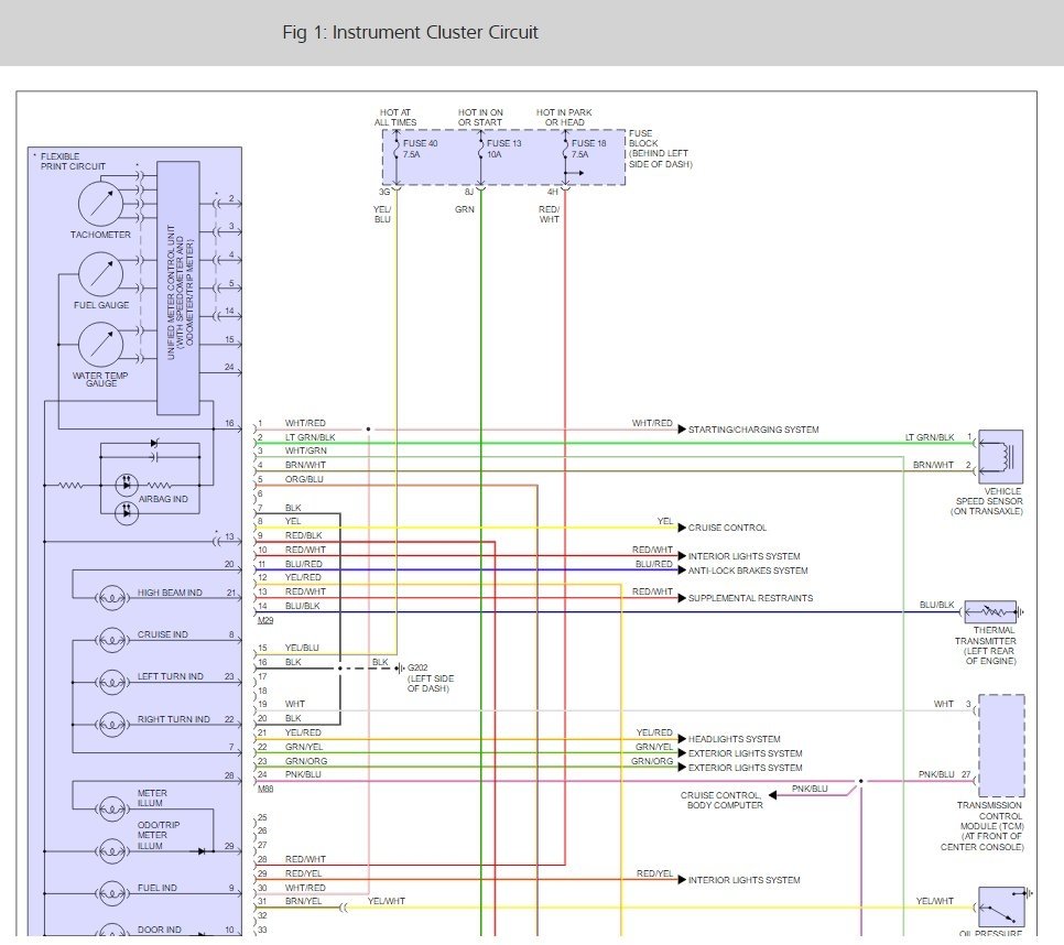
Suddenly the gauges for the tachometer, odometer, temperature, gas, stopped working. Then it started acting very weird like when ever there is a bump they start jumping then going back to zero. That happens also if I hit the cluster at the dashboard area I mean gently by hand. I found out that this happens when the temperature is really hot outside and even the small screen showing the mileage. I have the car for more than a year and half and this is the first time I see this happening to me.
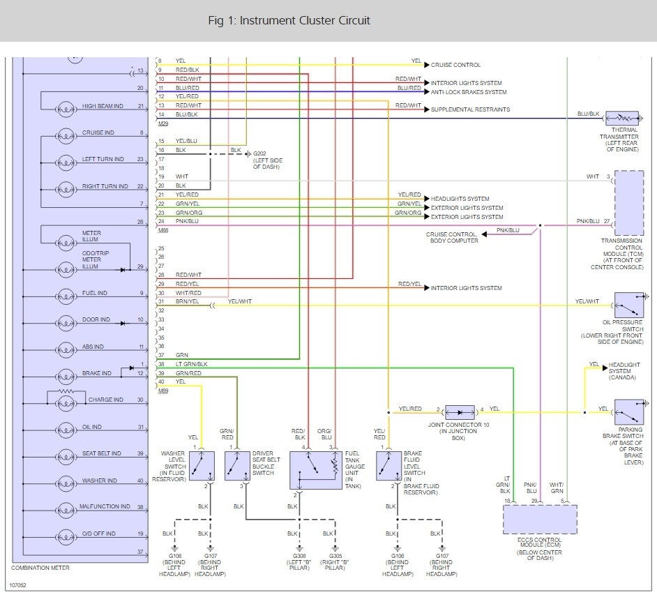
i took the cluster out and I found something strange which I believe the previous owner has made and you can see the red wire in the attached photo is not connected he has somehow disabled that, but I do not know what does this mean.
Please help me with suggestions and if the red wire should be connected where should it be connected to.
Thank you very much,
Thamir.
Thursday, April 27th, 2017 AT 1:55 AM





