Cluster lights not working

Tiny
RD66
  • MEMBER
  • 2008 KIA SPECTRA
  • 2.0L
  • 4 CYL
  • 2WD
  • MANUAL
  • 160,000 MILES
I need a wiring diagram for the dash lights, I want to check the cluster for voltage.
Monday, April 18th, 2022 AT 7:43 AM

6 Replies

Tiny
JACOBANDNICKOLAS
  • MECHANIC
  • 110,194 POSTS
Hi,

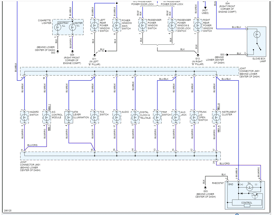
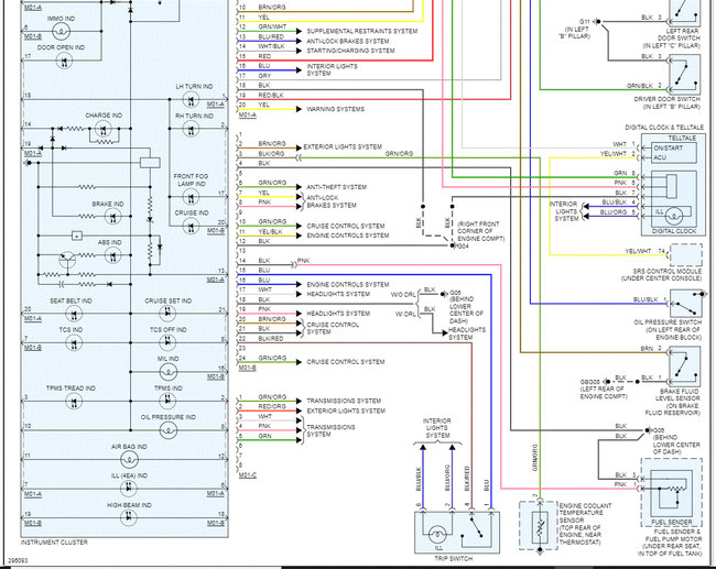
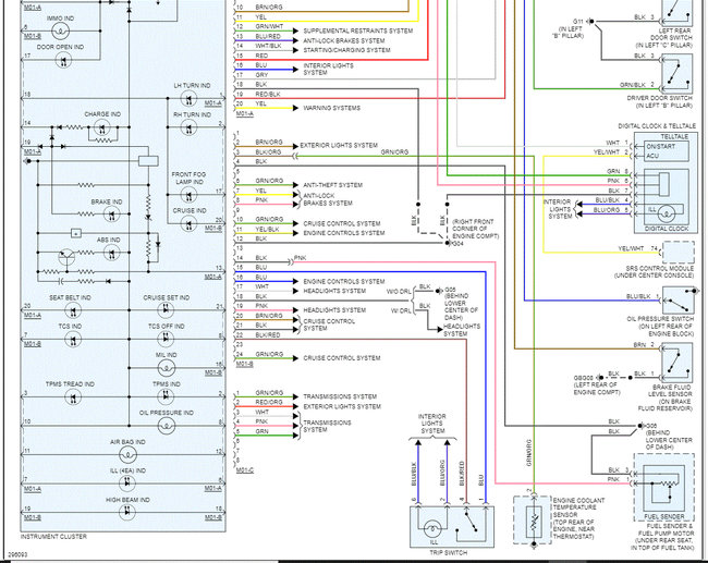
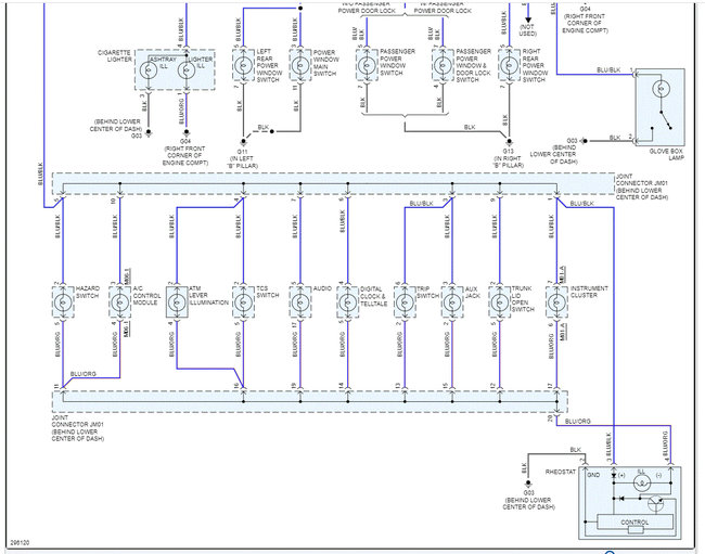
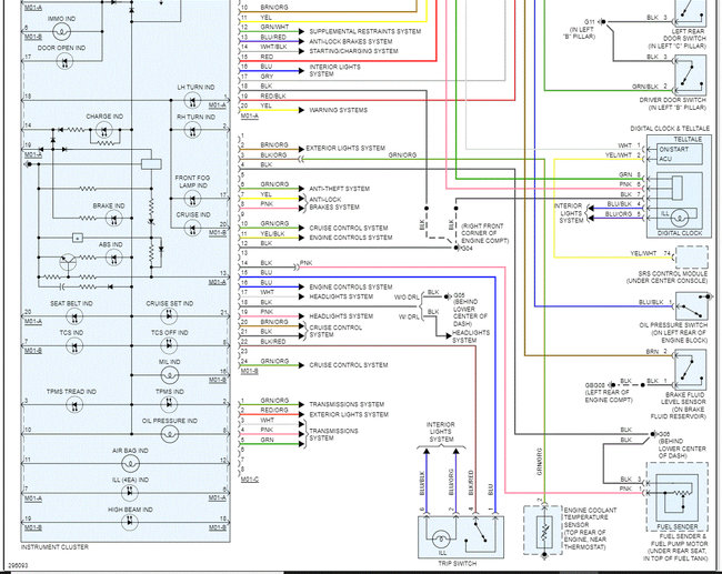
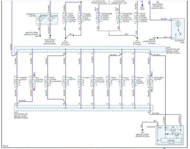
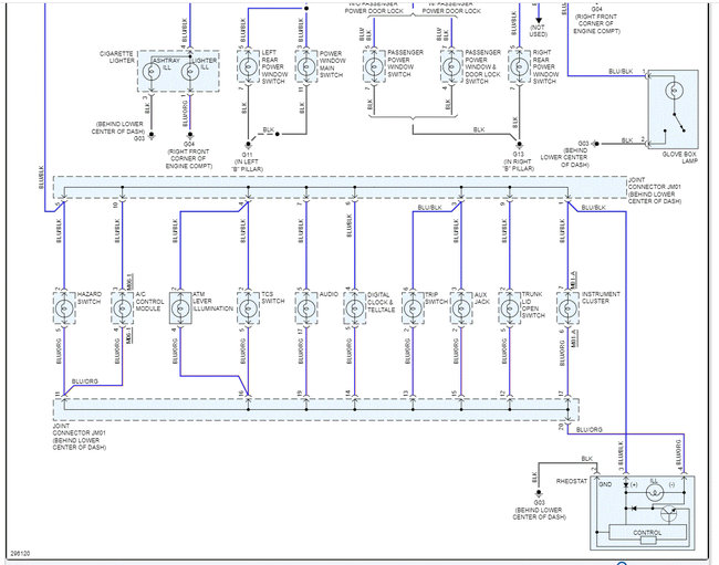
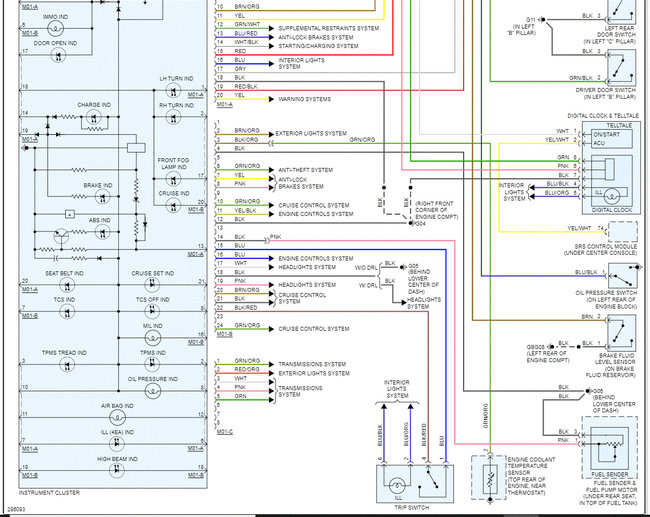
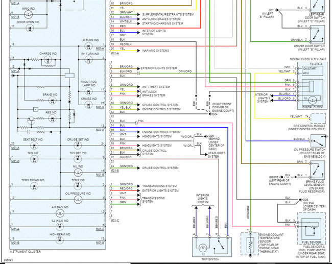
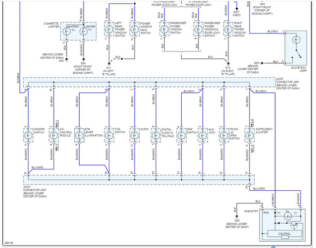
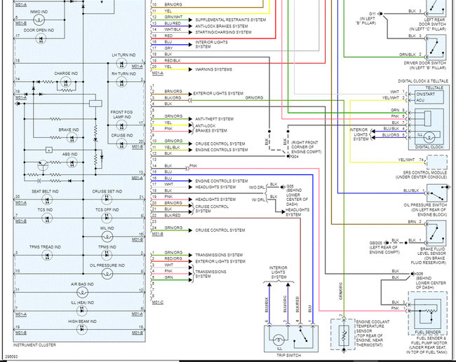
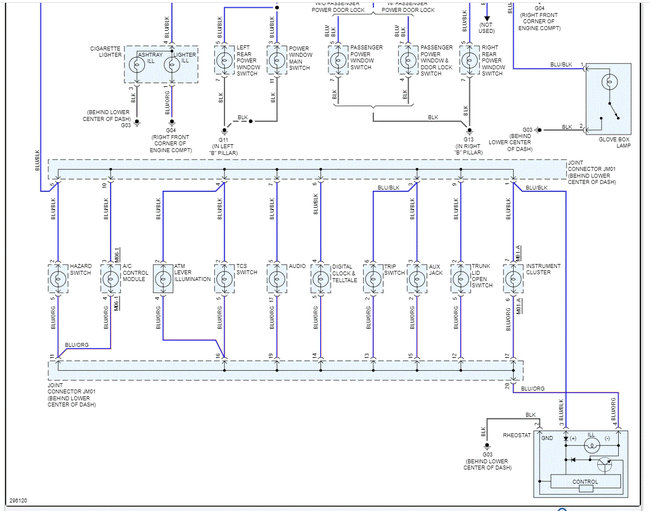
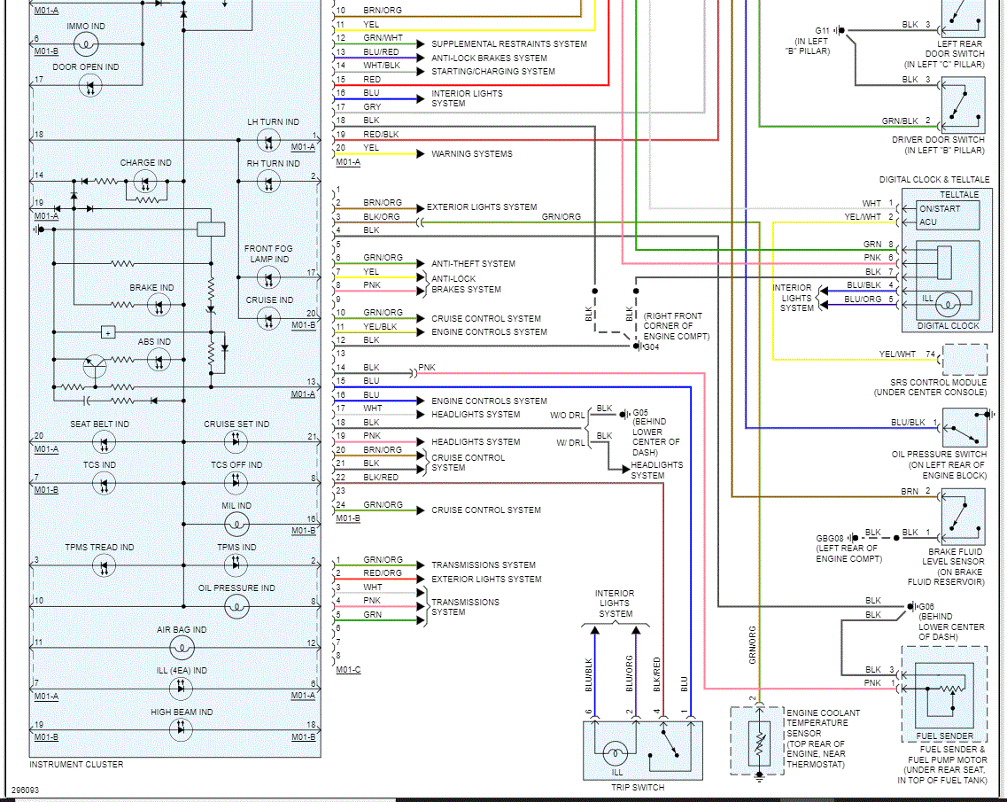
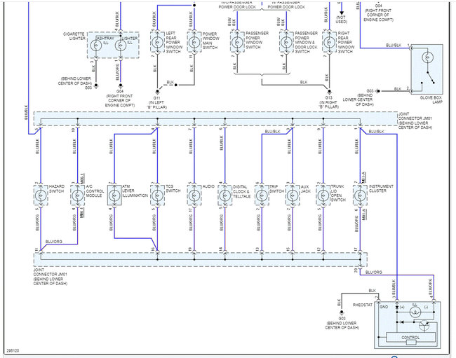
I wasn't sure exactly what you were looking for because cluster warning lights are listed differently than cluster lighting. So, I attached the schematics for both.

The first two pics are of the interior lighting which includes cluster lighting. Pics 3 and 4 are the circuits for the cluster itself, warning lights, gauges and so on.

Originally, these were one page each. I had to cut them in half to make them readable for you, but I did overlap them so you can follow from one to the next.

Here is a link you may find helpful:

https://www.2carpros.com/articles/how-to-check-wiring

Let me know if this helps.

Take care,

Joe

See pics below.
Was this
answer
helpful?
Yes
No
Monday, April 18th, 2022 AT 5:51 PM
Tiny
RD66
  • MEMBER
  • 61 POSTS
Thank you Joe.
Was this
answer
helpful?
Yes
No
Monday, April 18th, 2022 AT 9:55 PM
Tiny
JACOBANDNICKOLAS
  • MECHANIC
  • 110,194 POSTS
Hi,

You are very welcome. Let me know if there is anything I can do to help and if you are able to find the problem.

Take care,

Joe
Was this
answer
helpful?
Yes
No
Tuesday, April 19th, 2022 AT 4:37 PM
Tiny
RD66
  • MEMBER
  • 61 POSTS
The dash lights are working again, not sure what happened but I suspect a loose connection.
Was this
answer
helpful?
Yes
No
Wednesday, April 20th, 2022 AT 3:40 PM
Tiny
JACOBANDNICKOLAS
  • MECHANIC
  • 110,194 POSTS
Hi,

That is what it sounds like. Check up under the dash and make sure the connectors are tight.

Let me know if things change or if I can help.

Take care,

Joe
Was this
answer
helpful?
Yes
No
Wednesday, April 20th, 2022 AT 8:39 PM
Tiny
RD66
  • MEMBER
  • 61 POSTS
Yes sir, thanks.
Was this
answer
helpful?
Yes
No
Thursday, April 21st, 2022 AT 12:46 AM

Please login or register to post a reply.