Sunday, July 30th, 2023 AT 8:34 AM
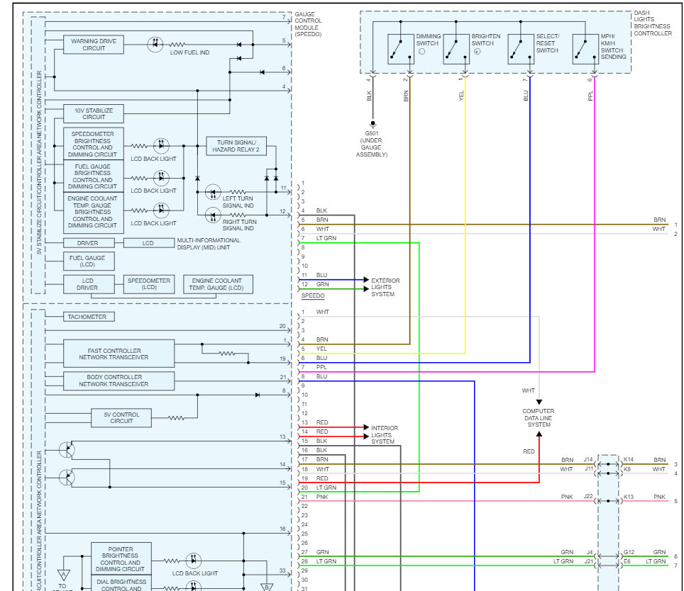
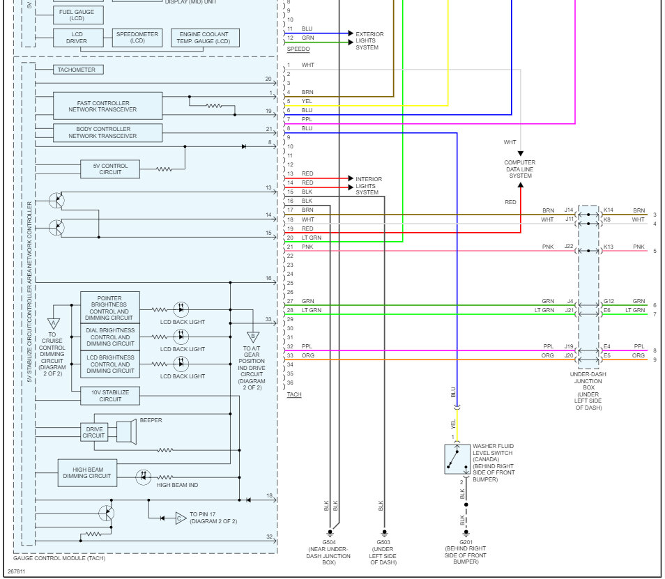
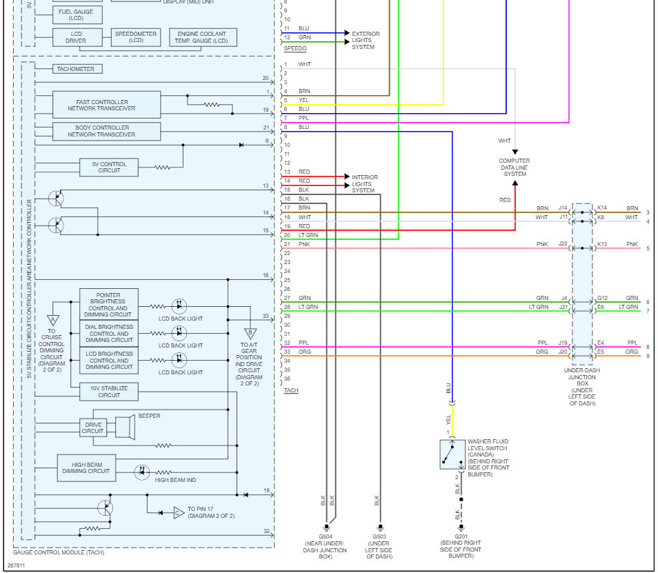
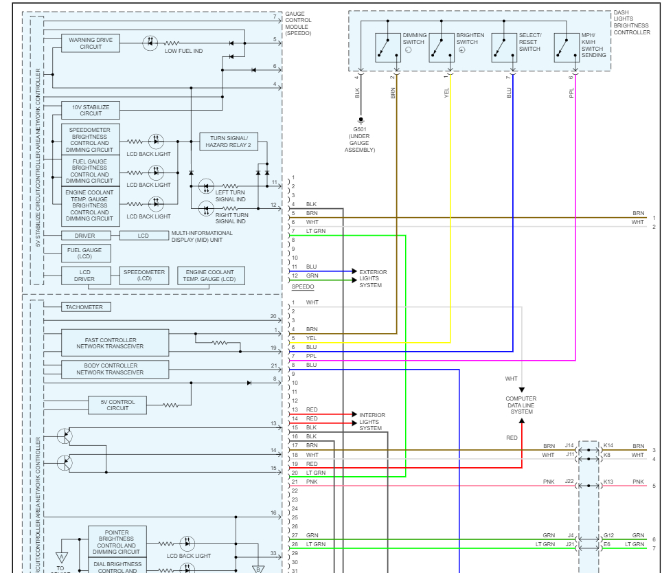
So, on top of my clusters doesn’t work at all, it doesn’t show my speed or my gas level, or even my temperature level. The only thing that works is the turn signals light inductors. The bottom clusters work great, everything shows. Also, they are both digital.















