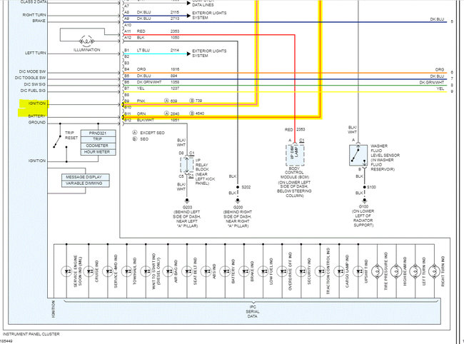
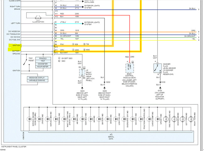
Where is the hot wire in the cluster on the dash?

Tiny
ANDREAREID
  • MEMBER
  • 2004 CHEVROLET SILVERADO
  • 0.5L
  • VR5
  • 2WD
  • AUTOMATIC
  • 230,000 MILES
Hot wire in the cluster on the dash location needed.
Saturday, January 29th, 2022 AT 12:42 PM

1 Reply

Tiny
JACOBANDNICKOLAS
  • MECHANIC
  • 110,192 POSTS
Hi,

Power is from the fuse box under the hood. I attached two pics below showing the power supplies. Let me know what is happening and maybe I'll be able to help.

Take care,

Joe

See pics below.
Was this
answer
helpful?
Yes
No
Saturday, January 29th, 2022 AT 3:29 PM

Please login or register to post a reply.