Sunday, November 29th, 2020 AT 4:04 PM
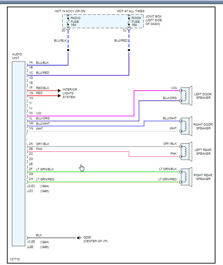
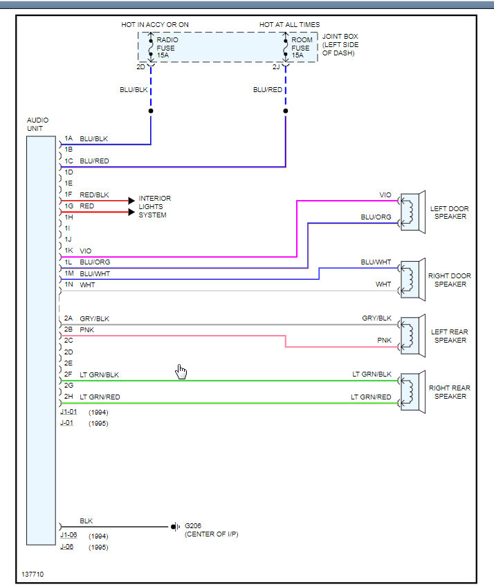
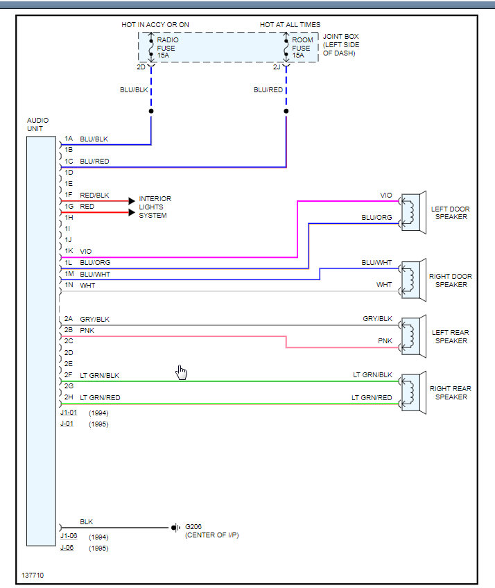
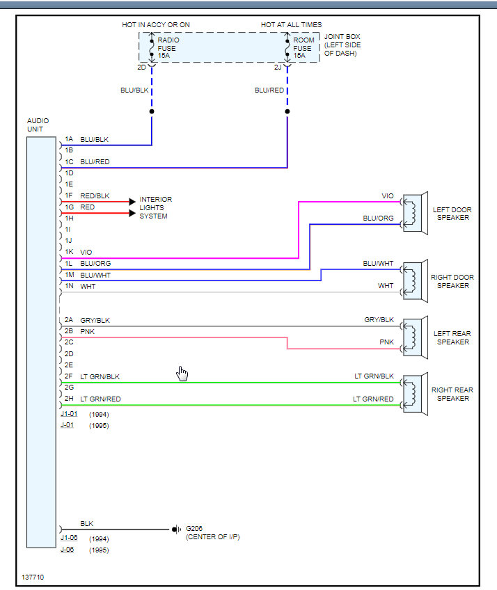
I'm still working on lots of other stuff on this car right now, but I have a problem that started. My digital clock used to work just fine, but now it doesn't want to. When i'm driving it comes back on and then cuts out again. This morning I disconnected the battery because I was doing some work and when I reconnected it the clock was working for a few minutes and then turned off again. The radio still powers on.




