HOME
ASK A QUESTION
REPAIR GUIDES
BECOME A MEMBER
LOG IN
Login with Facebook
OR
Remember me
NOT A MEMBER?
FORGOT PASSWORD?
CONTACT US
PRIVACY POLICY
TERMS AND CONDITIONS
☰
Home
Ford
F-150
Steering
Steering Wheel
Clock Spring
Clock spring wiring diagram for 8 pin connector for clock spring needed?
T9370ML
MEMBER
2020 FORD F-150
5.0L
V8
2WD
AUTOMATIC
10,000 MILES
Connector damaged on vehicle theft.
Friday, October 14th, 2022 AT 6:49 AM
1 Reply
CARADIODOC
MECHANIC
34,463 POSTS
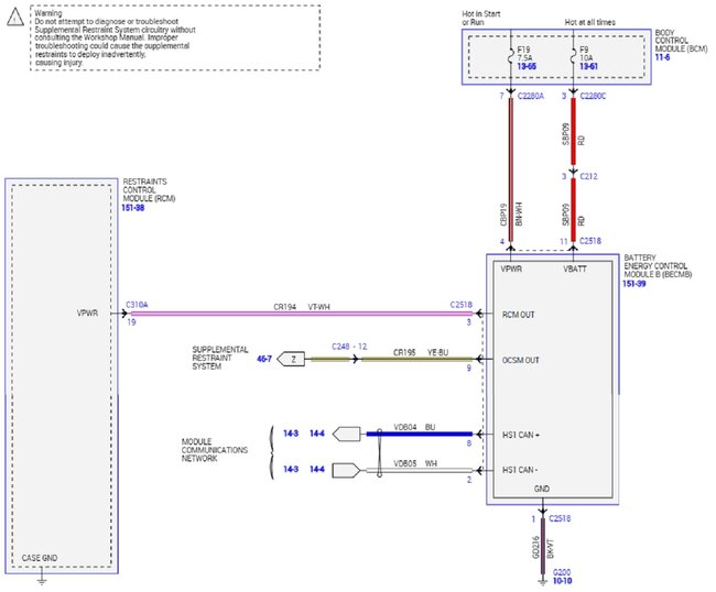
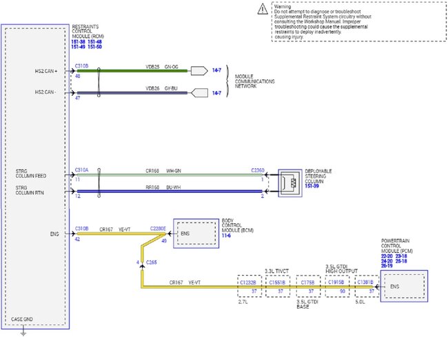
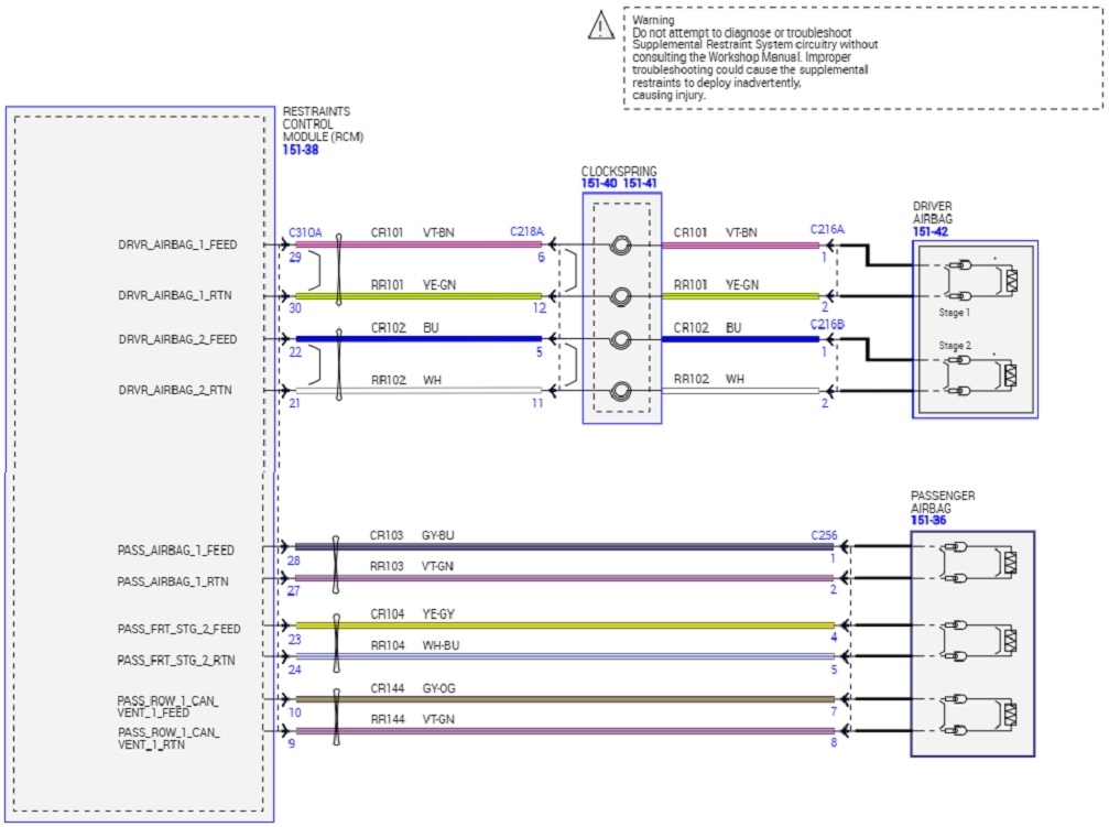
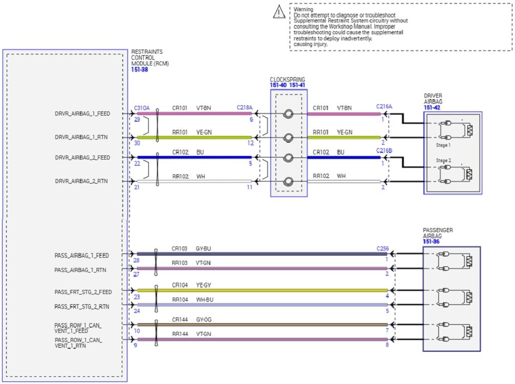
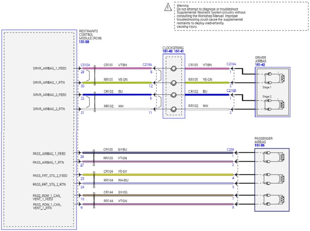
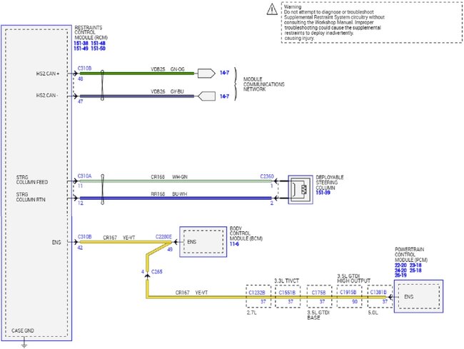
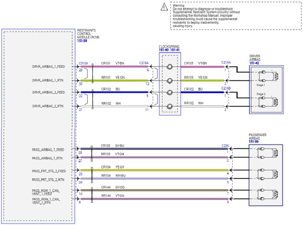
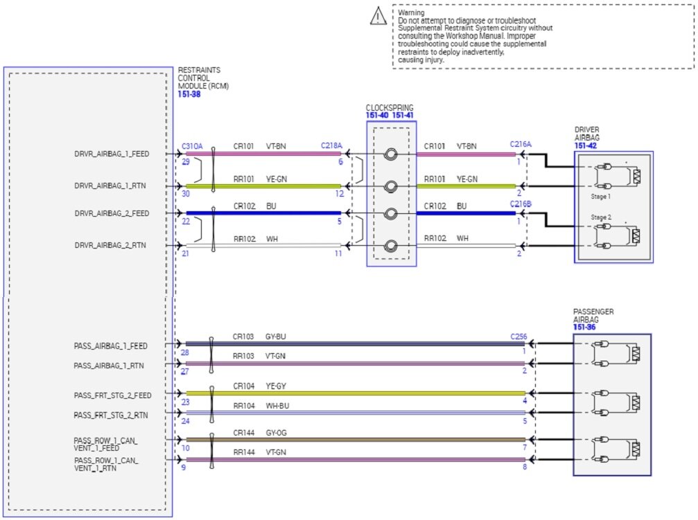
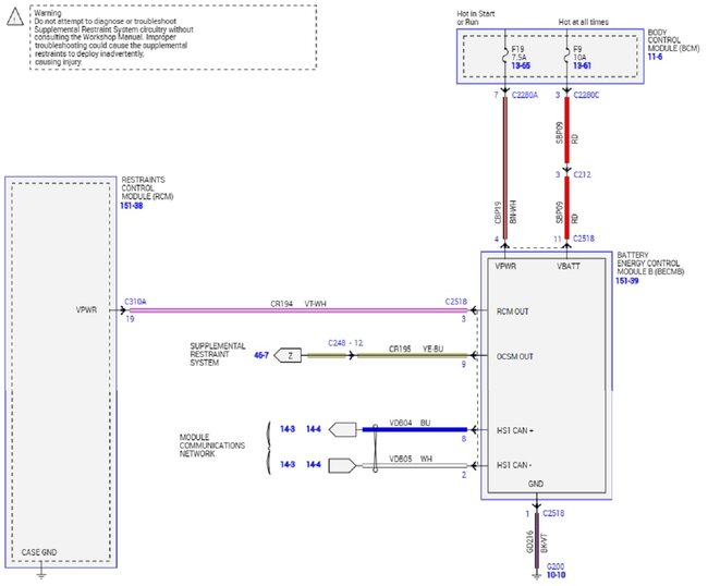
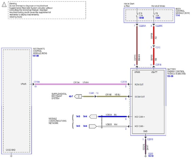
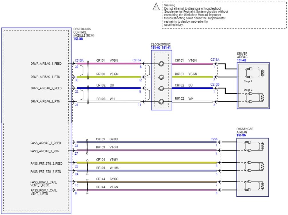
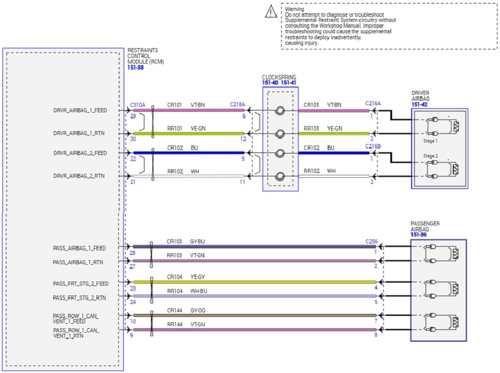
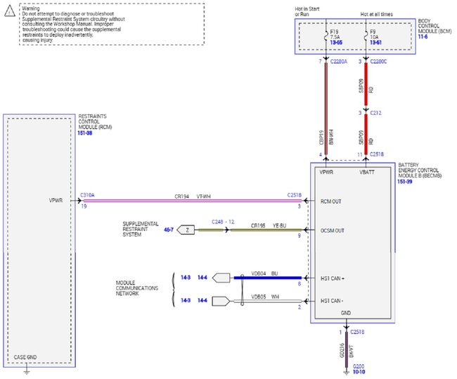
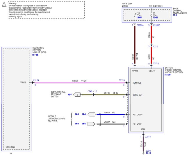
The clock spring is shown in the sixth diagram. It appears you're looking at connector C218A. That's in the last drawing.
Images (Click to make bigger)
Was this
answer
helpful?
Yes
No
+3
Friday, October 14th, 2022 AT 12:26 PM
Please
login
or
register
to post a reply.
Related Steering Wheel Clock Spring Content
How To Remove The Steering Wheel?
I Need To Remove The Steering Wheel To Install A New One Can You Help?
Asked by
Anonymous
·
1 ANSWER
4 IMAGES
2008
FORD F-150
Steering Wheel Removal
My Actuator That's Connected To The Ignition Switch Or The "horseshoe" Tab Connected To The Key Tumbler In My Steering Column Is...
Asked by
lcomer72
·
1 ANSWER
2 IMAGES
1996
FORD F-150
Switch
I Removed The Key Switch To Change It. Now The Switch Goes In But Will Not Lock In Place And Steering Wheel Will Not Lock.
Asked by
David J Pernell
·
1 ANSWER
6 IMAGES
2001
FORD F-150
Replace A Steering Wheel
I Would Like To Know How To Replace My Steering Wheel And Also Remove The Engine Switch Where The Key Goes.
Asked by
Manuel_818
·
1 ANSWER
2 IMAGES
1992
FORD F-150
1985 Ford F150 Actuator On The Steering Wheel Column
Electrical Problem 1985 Ford F150 V8 Two Wheel Drive Automatic 125k Miles What Functions Does This Thing Do? I Noticed A Green Wire...
Asked by
Francis LeClair
·
2 ANSWERS
1985
FORD F-150
VIEW MORE
Ask a Car Question. It's Free!
Steering Wheel Shaking
Steering Wheel Removal
Airbag Removal - Drivers Side