Thursday, April 28th, 2022 AT 2:25 AM
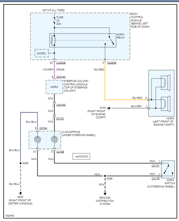
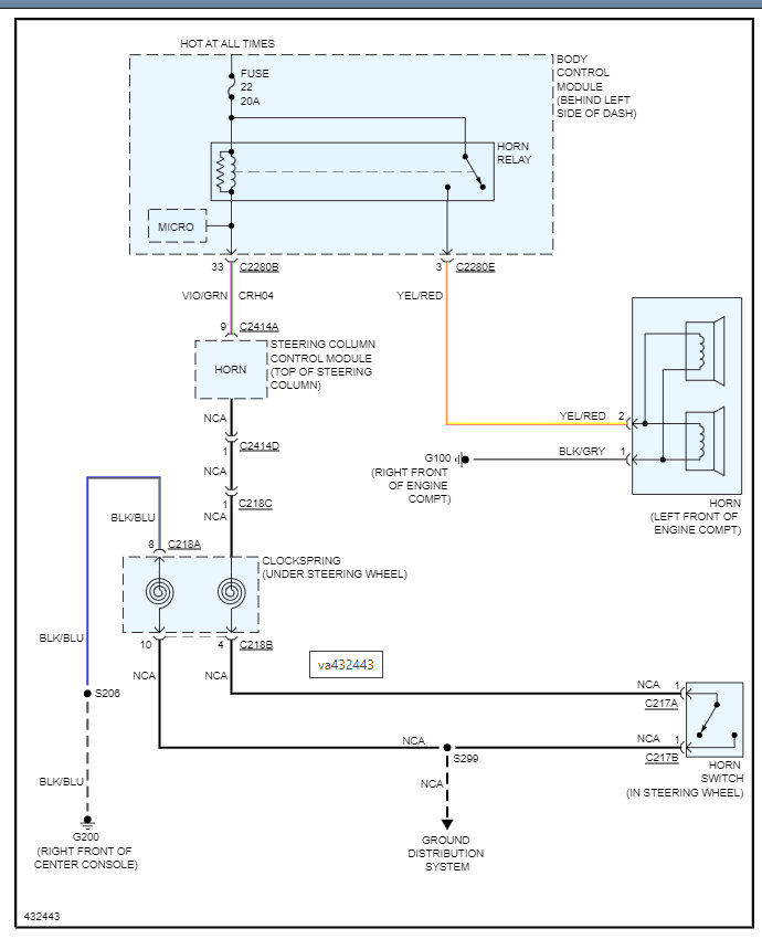
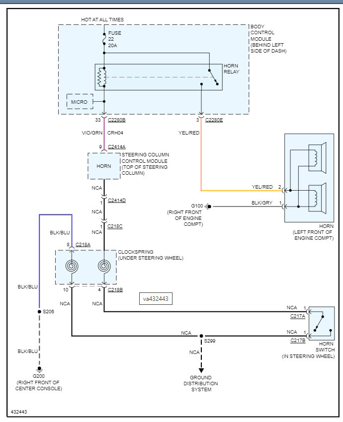
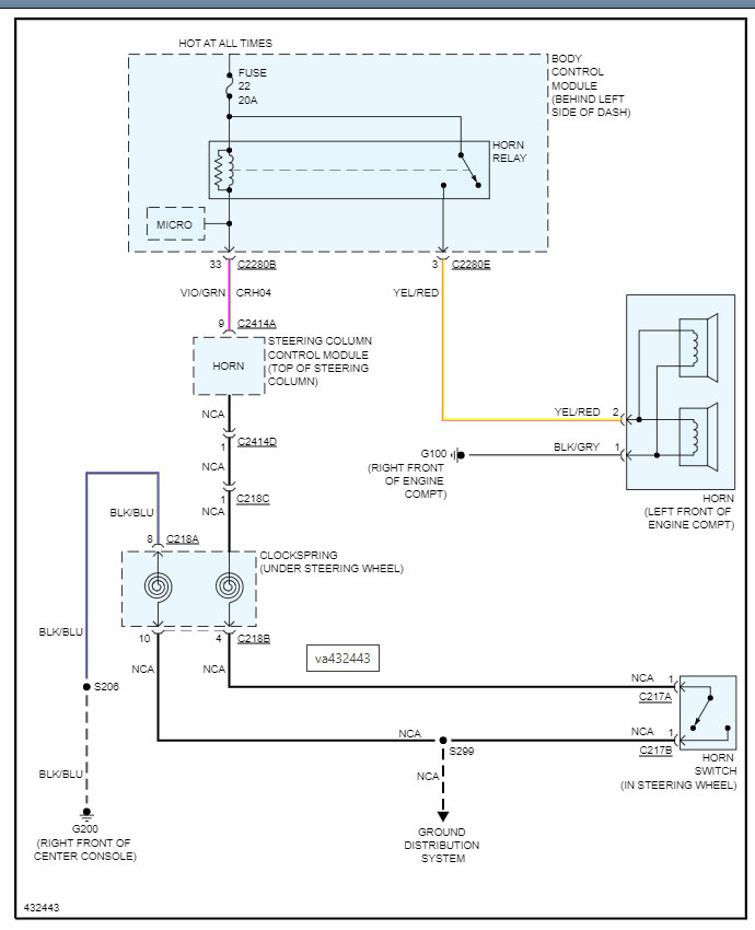
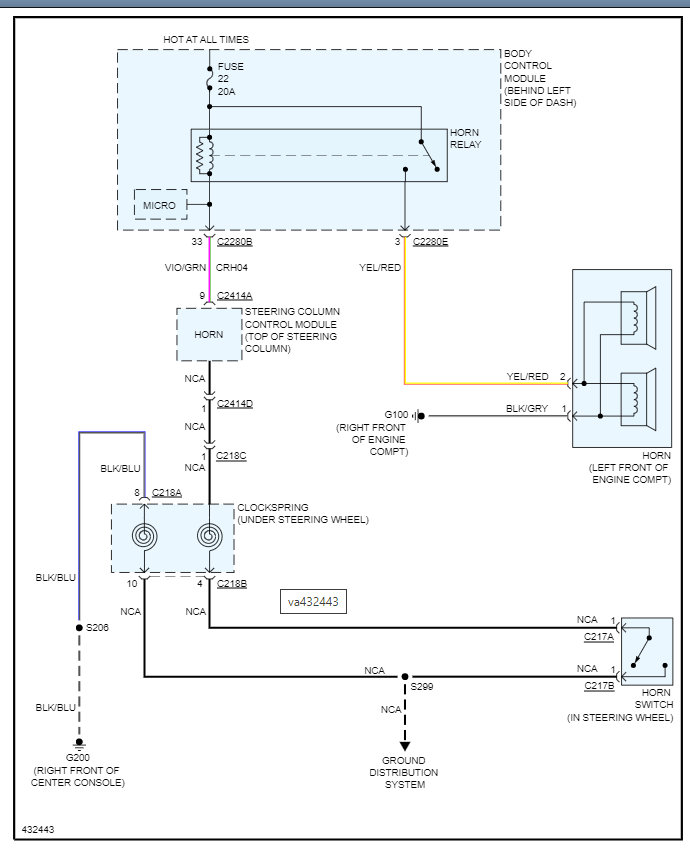
I just bought this car, and I can't reset the oil life, because none of the controls on the steering wheel work. Would this be the clock spring in the steering wheel? Another noted problem is the radio doesn't work. I can't get anything to play from the radio or disc. I can however sync it to my phone and when my phone rings rather than hear anything it just disconnects. Again, no buttons on the steering wheel work so I'm limited to what I can do. Could that problem be from the clock spring as well or do you think that is a totally separate problem? Thank you for your help.

