Climate control unit

Tiny
PCULQUI
  • MEMBER
  • 1999 BUICK REGAL
  • 3.8L
  • V6
  • 2WD
  • AUTOMATIC
  • 124,000 MILES
I just replaced my partially working climate control unit with a new(used) one. I noticed that the passenger controls don't work. The "driver's" side controls work for the passenger and the driver as well. Not a big deal but could it be the unit because the original factory head unit worked the same. I was never able to use the passenger controls.
Thursday, October 3rd, 2019 AT 9:46 AM

7 Replies

Tiny
KASEKENNY
  • MECHANIC
  • 18,907 POSTS
Hi,

Just so I understand, you have a dual climate control system but only the driver side works and it controls both sides? Maybe getting a video so we can see it so we are on the same page.

If the last unit was doing this, I wonder if you don't actually have dual zone controls. Let me know and we can go from there. Thanks
Was this
answer
helpful?
Yes
No
Friday, October 4th, 2019 AT 1:56 PM
Tiny
PCULQUI
  • MEMBER
  • 354 POSTS
This is the climate control unit. Does this mean is a factory defect.
Was this
answer
helpful?
Yes
No
Friday, October 4th, 2019 AT 4:49 PM
Tiny
KASEKENNY
  • MECHANIC
  • 18,907 POSTS
Okay. That is what I thought it was. So the larger temperature control button on the top works for both sides but then does the "Dual" button light up and the passenger side controls work? Or does the button light up and it doesn't work? Or does the button not light up at all?
Was this
answer
helpful?
Yes
No
Friday, October 4th, 2019 AT 5:39 PM
Tiny
PCULQUI
  • MEMBER
  • 354 POSTS
The "Dual" buttons light up and work perfectly "lighting up" and shifting from cold to hot but there is no difference in temperature on either the passenger or driver's side. You feel the difference in temperature only when moving the Larger temp controls.
Was this
answer
helpful?
Yes
No
Saturday, October 5th, 2019 AT 1:59 AM
Tiny
KASEKENNY
  • MECHANIC
  • 18,907 POSTS
Okay,

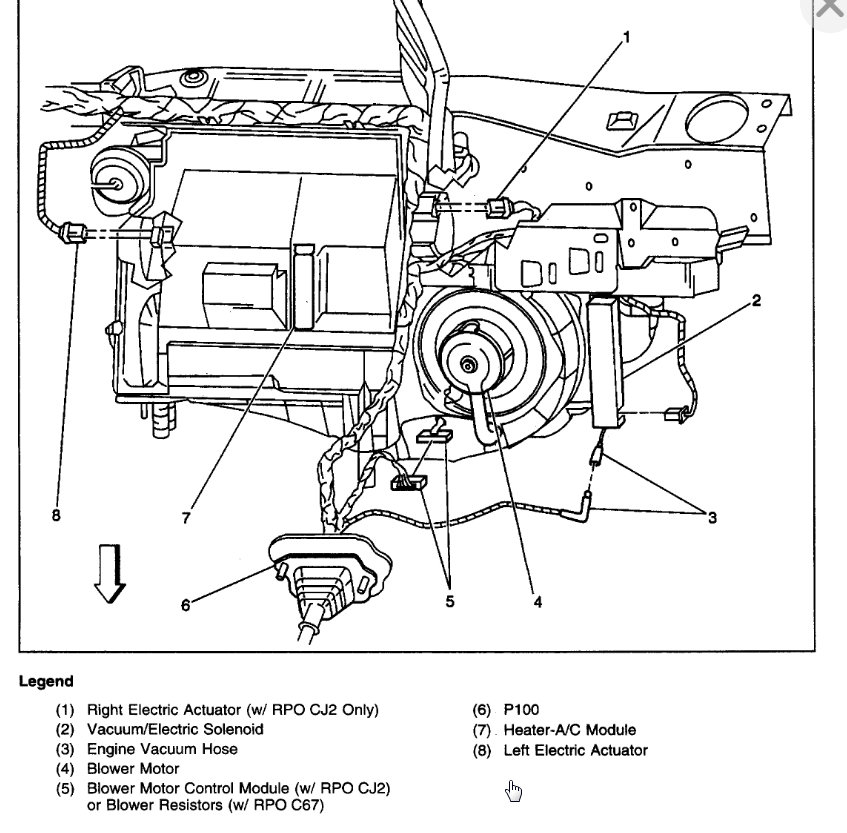
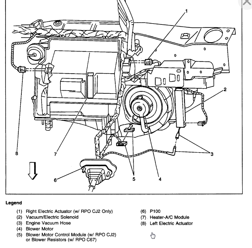
I attached the system information about this because I am wondering if we just have an actuator issue. The way it is supposed to work is then larger temp control will set the temperature. Then when you turn on the dual button and move the temperature up and down, it will adjust the passenger side from what the driver side is set too. Meaning it will not allow you to set it to a different temperature from side to side. It allows you to set one temperature and then you can pull that hotter or colder. Notice in the second attachment it says it will not show passenger temperature only driver side and when you adjust the passenger control it will adjust it relative to the driver temperature.

Maybe adjust the temperature and let it set for a little bit to see if you can notice a difference if you haven't done that already. Point is, I am not sure if you expected to see the temperature numbers change because that would be logical.
Was this
answer
helpful?
Yes
No
Saturday, October 5th, 2019 AT 8:03 PM
Tiny
PCULQUI
  • MEMBER
  • 354 POSTS
Do you think there is a third. Blend door actuator? The climate control unit has been replaced with a new (used) one. The blend door actuator hasn't been replaced even though the main(largest) gear is cracked but I managed to fix it by assuming it's degree of operation after failing to fix the problem by purchasing new actuators and gear replacement kits.
Now, what does the 'vent' button do on the climate control unit.
Was this
answer
helpful?
Yes
No
Sunday, October 6th, 2019 AT 3:22 AM
Tiny
KASEKENNY
  • MECHANIC
  • 18,907 POSTS
I don't see one. I only see two. The only thing I can't figure out is why the passenger side seems respond with the driver side temp but not when the dual system is activated. Basically the way it should work is both actuators set according to the driver side temp and then the dual setting will pull the passenger side actuator one way or the other depending on if the dial is set cooler or warmer than what the driver side is set too.

What I would suggest is just gaining access to the passenger side actuator and then move the dial for it and see if the actuator moves at all. If not, then there has to be a wiring issue that the command is not getting to the actuator.
Was this
answer
helpful?
Yes
No
Sunday, October 6th, 2019 AT 7:13 PM

Please login or register to post a reply.