Climate control system Mode Door actuator

Tiny
NHOUSTON
  • MEMBER
  • 2010 FORD FUSION
  • 3.4L
  • V6
  • 2WD
  • AUTOMATIC
  • 150,000 MILES
Climate control system Mode Door Actuator location and replacement
Tuesday, November 4th, 2025 AT 10:14 PM

1 Reply

Tiny
KRAKENAUTO
  • MECHANIC
  • 86 POSTS
There should be two.

Left (Driver's Side) Actuator

Locate the left-side actuator on the HVAC case, accessible from the driver's footwell. It sits just above the accelerator pedal. Remove the screws holding the old actuator in place. Install the new actuator and tighten the screws.

Right (Passenger's Side) Actuator

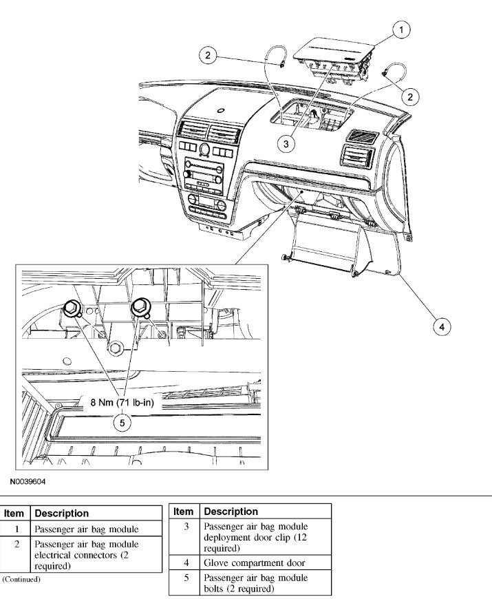
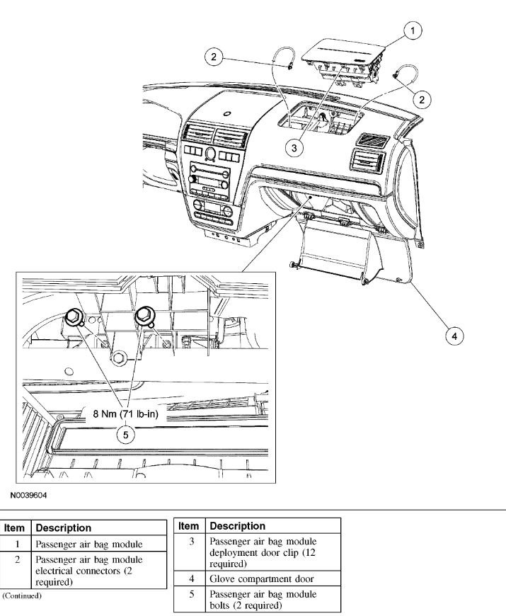
The right-side actuator is more challenging, as it's located behind the airbag module. Open the glove box for access. Remove the two bolts securing the airbag module to the dashboard. Carefully push up on the airbag module and hold it out of the way.
Remove the screws from the actuator. Install the new actuator and reverse the removal process to secure the airbag module and close the glove box.
Was this
answer
helpful?
Yes
No
-1
Wednesday, November 5th, 2025 AT 9:53 AM

Please login or register to post a reply.